Tuesday, June 10th, 2025 AT 6:14 PM
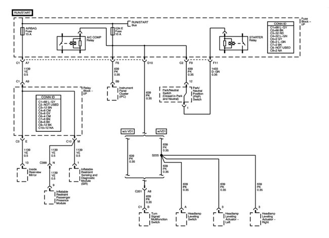
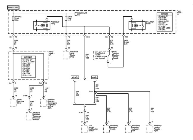
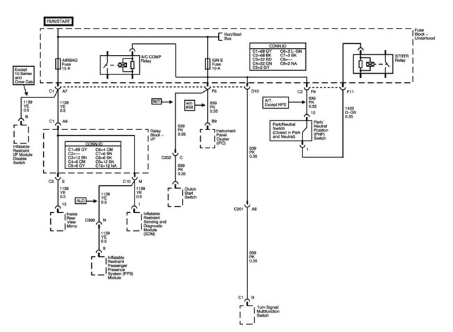
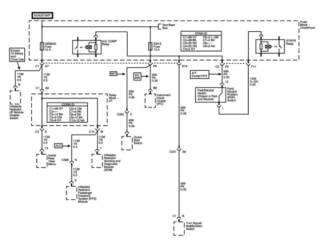
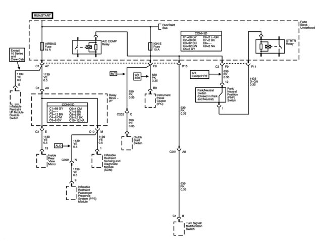
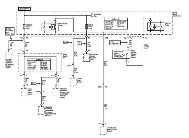
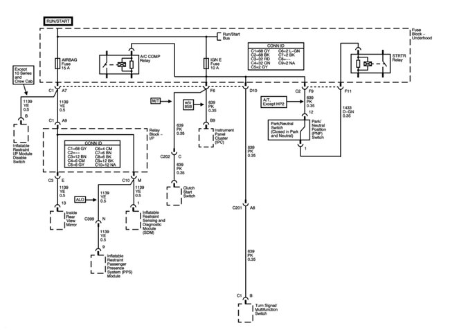
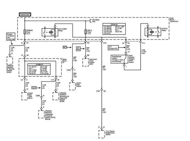
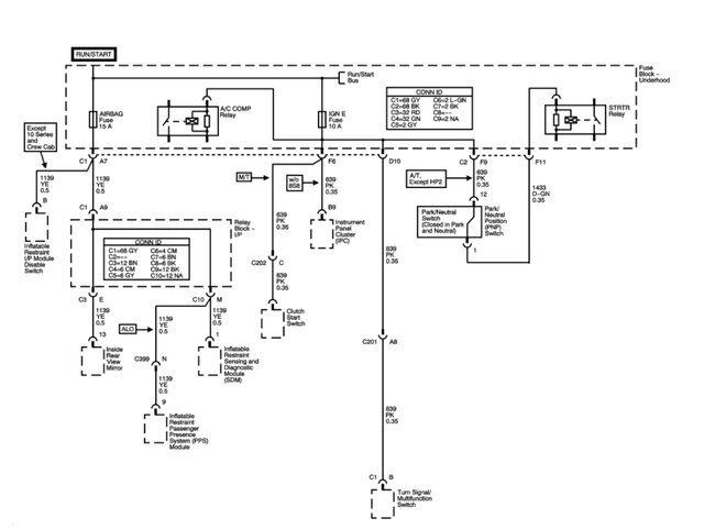
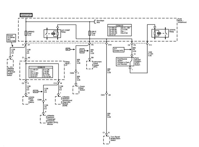
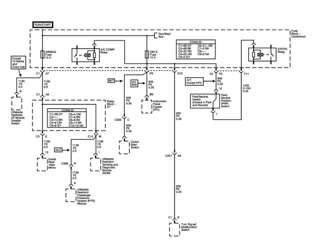
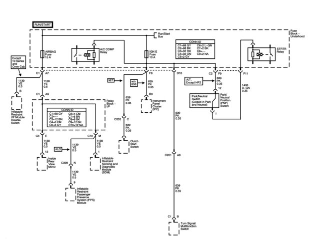
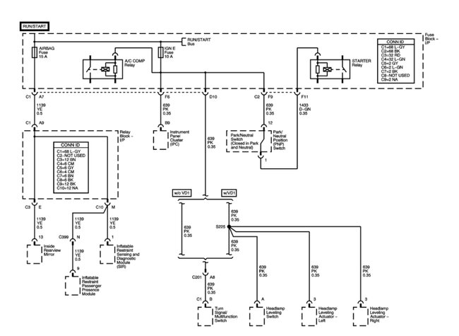
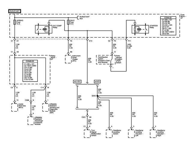
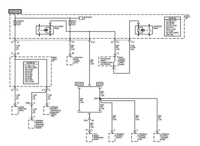
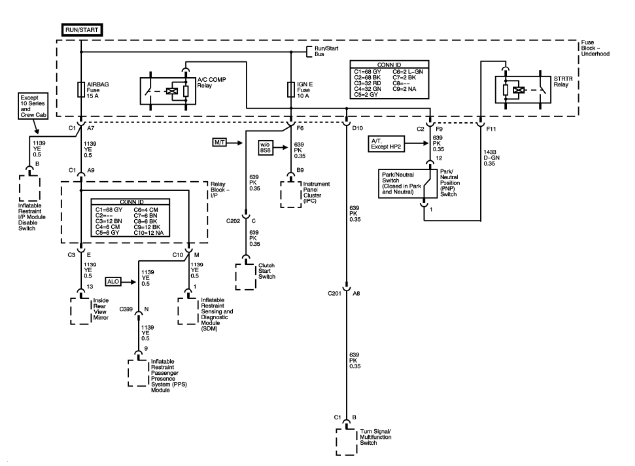
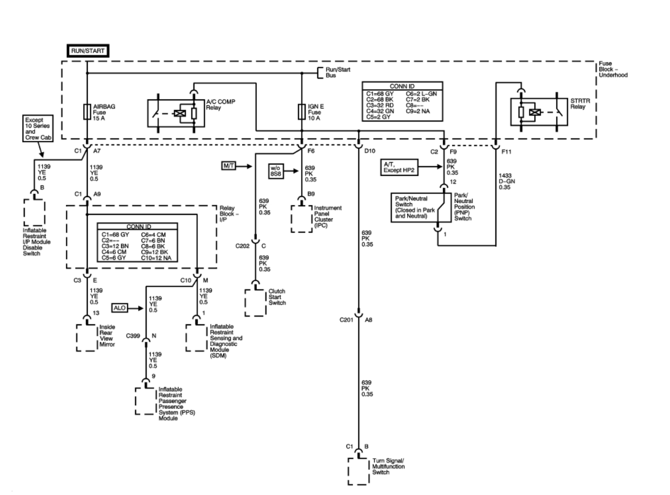
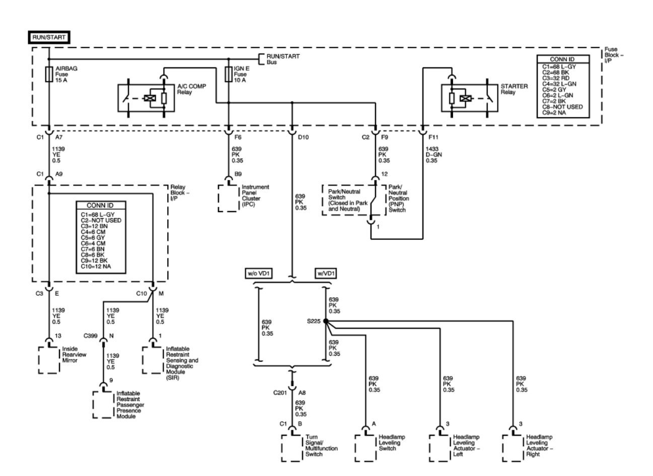
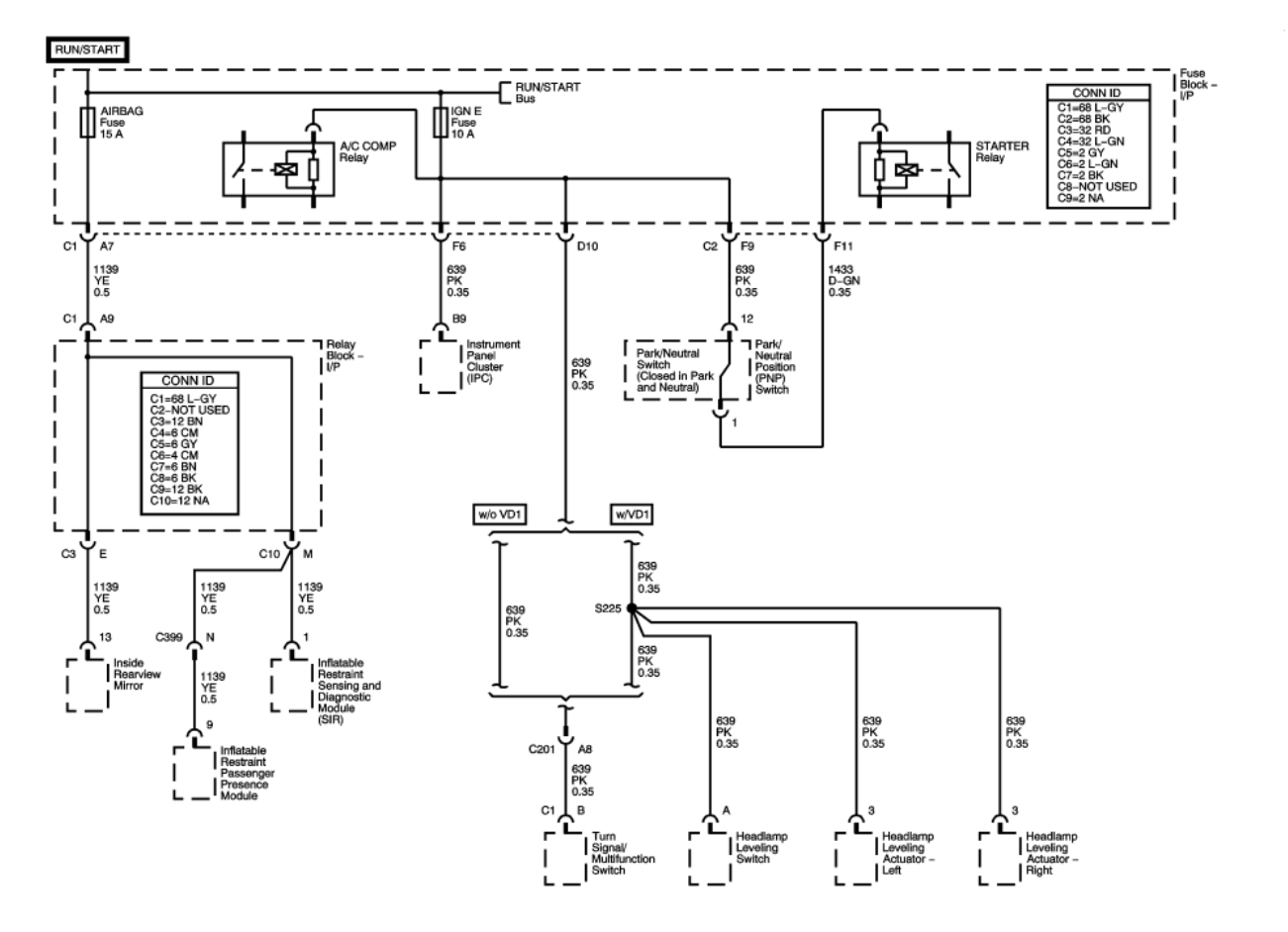
So for about a couple months I'd be driving down a road somewhere and the A/C is blowing cold and typically when it's really hot outside and the truck starts trying to overheat (but never seriously) the A/C would start blowing hot. Well I decided one day to pull over, turn the truck off and then back on and for a while now about a month or so that itself would get it to blowing cold again, then I had starter I had to replace and a water pump, it's been a month or two since that. Well now about a week ago I found my ign e fuse blown and not able to start truck unless I bypassed the starter relay with a wire, which is what I've had to do every time all week long. And without having that ign e fuse in and not blowing every time a new one is put in, I have no cold A/C, no turn signals (but my hazards still work) my tachometer gauge won't work. Just today I invested in a multimeter to make figuring this out a lot easier but I've never used one but have become familiar with what all the things mean on it. I don't know how to go about the process of elimination checks. Please help. I also found some wiring diagrams on AutoZone's website for my vehicle but I might end up buying the repair manual.







