Engine stalls while driving?

Tiny
ROBIN WOOD
  • MEMBER
  • 2011 CHEVROLET SILVERADO
  • 5.3L
  • V8
  • 4WD
  • AUTOMATIC
  • 78,000 MILES
The engine shuts off when the steering wheel is turned to the left - IAC location?
Friday, November 22nd, 2019 AT 3:51 PM

26 Replies

Tiny
JIS001
  • MECHANIC
  • 3,412 POSTS
This truck does not have an IAC. Sounds like the throttle body is dirty. Here is a link to our repair guide on cleaning it:

https://www.2carpros.com/articles/throttle-actuator-service

and

https://www.2carpros.com/articles/engine-stalls

I would recommend you do it in the car without unplugging the electrical connector. If you unplug it it will cause high idle issues and the only way to correct that would be a software update. Hope this helps and let us know if it did.
Was this
answer
helpful?
Yes
No
Friday, November 22nd, 2019 AT 10:26 PM
Tiny
ROBIN WOOD
  • MEMBER
  • 3 POSTS
It ran good for 20 minutes with repeated turning of the steering wheel. Then the same problem. I replaced the throttle body. No change. What next?
Was this
answer
helpful?
Yes
No
Saturday, November 23rd, 2019 AT 11:48 AM
Tiny
ROBIN WOOD
  • MEMBER
  • 3 POSTS
Errors on the last question. I’ve cleaned the throttle body. It did good for 20 minuets then the same thing. Goes dead when the steering wheel is turned left. I replaced the throttle body. Same thing. Let it set all night and now it want turn over at all.
Was this
answer
helpful?
Yes
No
Monday, November 25th, 2019 AT 3:01 PM
Tiny
JIS001
  • MECHANIC
  • 3,412 POSTS
Check the fuel pressure regulator for leaks and check fuel pressure. Here is a link on the procedure and let us know what you measured:

https://www.2carpros.com/articles/how-to-check-fuel-system-pressure-and-regulator
Was this
answer
helpful?
Yes
No
Tuesday, November 26th, 2019 AT 9:00 AM
Tiny
DENDENDEN
  • MEMBER
  • 2 POSTS
  • 2009 CHEVROLET SILVERADO
  • 5.3L
  • V8
  • 4WD
  • AUTOMATIC
  • 76,000 MILES
Code U0109 lost communications with fuel pump. Would it be the fuel pump or the module above the spare tire? Shut off while driving (twice now) in the last six trips.
Was this
answer
helpful?
Yes
No
+1
Thursday, September 3rd, 2020 AT 11:45 AM (Merged)
Tiny
ASEMASTER6371
  • MECHANIC
  • 52,796 POSTS
Good evening,

Below, I listed possible failures for the 109 code. it is a communication issue with the BCM.

When the truck shuts off, does it start right back up or does it have a long crank time? It could be a crank sensor or the fuel pump itself.

https://www.2carpros.com/articles/engine-stalls

Roy

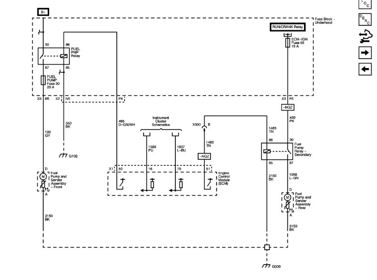
U0109
Descriptor
Without Rpo Hp2
Probable Causes
Accessory Wake Up Serial Data Circuit Open or High Resistance
B+ Circuit Open or High Resistance
B+ Circuit Short to Ground
Body Control Module (BCM)
Control Module
High Speed GMLAN Serial Data (+) Circuit Open or High Resistance
High Speed GMLAN Serial Data (-) Circuit Open or High Resistance
Ignition Circuit Open or High Resistance
Ignition Circuit Short to Ground
Low Speed GMLAN Serial Data Circuit Open or High Resistance
Serial Data Communication Enable Circuit Open or High Resistance

this is a description of the code as well.

Circuit/System Description

The serial data circuit is the means by which the control modules in the vehicle communicate with each other. Once the scan tool is connected to the serial data circuit through the DLC, the scan tool can be used to monitor each control module for diagnostic purposes and to check for diagnostic trouble codes (DTCs). When the ignition switch is in RUN, each control module communicating on the serial data circuit sends a state of health (SOH) message to ensure that the control module is operating properly. When a control module stops communicating on the serial data circuit, for example if the module loses power or ground, the SOH message it normally sends on the serial data circuit disappears. Other control modules on the serial data circuit, which expect to receive that SOH message, detect its absence; those control modules in turn set a DTC associated with the loss of SOH of the non-communicating control module. The DTC is unique to the control module which is not communicating and one or more control modules may set the same exact code. A loss of serial data communications DTC does not represent a failure of the control modules that contain the stored code.

Conditions for Running the DTC

The system voltage is between 9-16 V.

Conditions for Setting the DTC

A supervised periodic message that includes the transmitter module availability has not been received.

Action Taken When the DTC Sets

Specific subsystems will not function.
DTC U0100 in the TCM will cause the transmission to go into default gears.
Both DTC U0100 in the TCM and DTC U0101 in the ECM will cause the malfunction indicator lamp (MIL) to illuminate.

Conditions for Clearing the DTC

The ECM/TCM turns OFF the MIL after 4 consecutive ignition cycles that the diagnostic runs and does not fail.
A current DTC clears when the malfunction is no longer present.
A history DTC clears when the control module ignition cycle counter reaches the reset threshold of 50, without a repeat of the malfunction.

Diagnostic Aids

Sometimes, while diagnosing a specific customer concern or after a repair, you may notice a history U-code present. However, there is no associated current or active status. Loss-of- communication U-codes such as these can set for a variety of reasons. Many times, they are transparent to the vehicle operator and technician, and/or have no associated symptoms. Eventually, they will erase themselves automatically after a number of fault-free ignition cycles. This condition would most likely be attributed to one of these scenarios:

- A control module on the data communication circuit was disconnected while the communication circuit is awake.

- Power to one or more control modules was interrupted during diagnosis.

- A low battery condition was present, so some control modules stop communicating when battery voltage drops below a certain threshold.

- Battery power was restored to the vehicle and control modules on the communication circuit did not all re-initialize at the same time.

- If a loss-of-communication U-code appears in history for no apparent reason, it is most likely associated with one of the scenarios above. These are all temporary conditions and should never be interpreted as an intermittent fault, causing you to replace a part.

A control module may have a U-code stored in history that does not require any repairs. Issues with late or corrupted messages between control modules can be temporary with no apparent symptom or complaint; this does not mean the control module is faulty. Do not replace a control module based only on a history U-code.
Do not replace a control module reporting a U-code. The U-code identifies which control module needs to be diagnosed for a communication issue.
Communication may be available between the BCM and the scan tool with either the low or high speed GMLAN serial data system inoperative. This condition is due to the BCM using both the low and high speed GMLAN systems.
Use Data Link References to determine if the control module uses high or low speed GMLAN serial data communications.
Some control modules may not have internal protection for specific control circuits and may open a B+ or ignition fuse. If a fuse is open and the B+ or ignition circuit is not shorted to ground, ensure none of the control circuits are shorted to ground before replacing the control module.
Some intermittent communication concerns may be caused by fretting corrosion on the serial data circuit terminals. Inspect all connectors at the control module that set the communication DTC, the control module that the communication DTC was set against, and any inline harness connectors between the two control modules. Do not replace a control module based only on fretting corrosion. Refer to bulletin 09-06-03-004 for assistance with the diagnosis and repair of this condition.
Multiple control modules may not communicate due to the serial data circuits being shorted, faulty terminating resistor, corrosion or poor connections in various control module connectors or inline connectors. Refer to bulletin 08-07-30-021 for assistance with the diagnosis and repair of these conditions, if applicable.
This diagnostic can be used for any control module that is not communicating, regardless of the type of serial data circuit it is connected to, providing the vehicle is equipped with the control module.

Reference Information

Schematic Reference

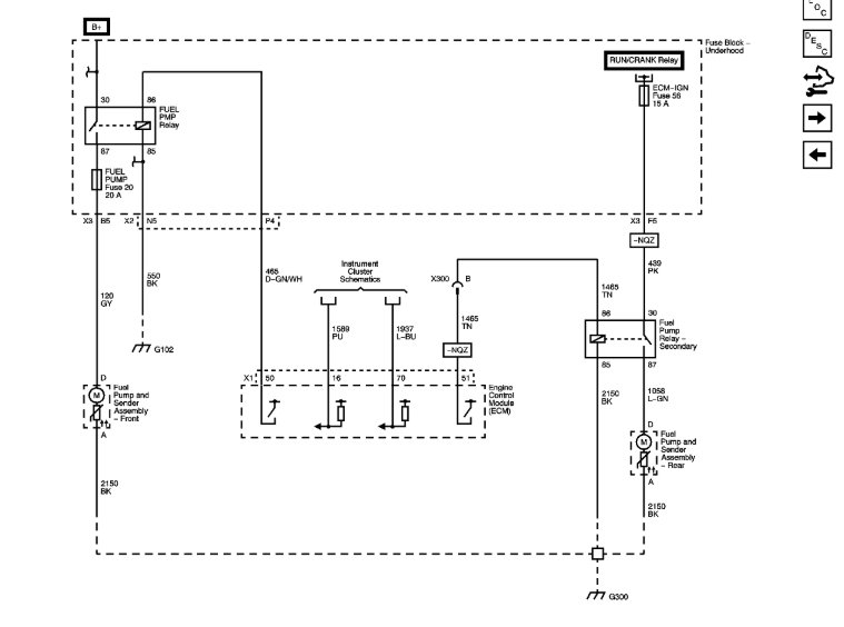
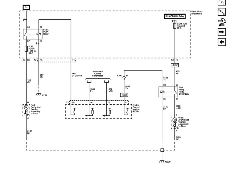
Data Communication Schematics See: Information Bus > Electrical
Control Module References See: Vehicle > Programming and Relearning > Control Module References

Connector End View Reference

Component Connector End Views See: Vehicle > Connector Views

Description and Operation

Data Link Communications Description and Operation See: Information Bus > Description and Operation

Electrical Information Reference

Circuit Testing See: Vehicle > Component Tests and General Diagnostics > Circuit Testing
Connector Repairs See: Vehicle > Component Tests and General Diagnostics > Connector Repairs
Testing for Intermittent Conditions and Poor Connections See: Vehicle > Component Tests and General Diagnostics > Testing for Intermittent Conditions and Poor Connections
Wiring Repairs See: Vehicle > Component Tests and General Diagnostics > Wiring Repairs

Scan Tool Reference

Control Module References See: Vehicle > Programming and Relearning > Control Module References for scan tool information

Circuit/System Verification

Verify that DTC U0073, U2100, U0074, U1814, U2099, B1428, B1370, B1380, B1440, or B1441 is not set.

-> If any of the DTCs are set, refer to Diagnostic Trouble Code (DTC) List - Vehicle See: A L L Diagnostic Trouble Codes ( DTC ) > Diagnostic Trouble Code Descriptions > Diagnostic Trouble Code (DTC) List - Vehicle.

Circuit/System Testing

Note: Use the schematic to identify the following:

Control modules the vehicle is equipped with
Control module locations on the low and high speed GMLAN serial data circuits
The control modules B+, ignition, ground, communication enable and serial data circuit terminals

1. Determine the control module that is not communicating. Refer to Control Module U Code List.
2. Ignition OFF, disconnect the harness connector of the control module that is not communicating.
3. Test for less than 10 ohm between each ground circuit terminal and ground.
-> If greater than the specified range, test the ground circuit for an open/high resistance.
4. If equipped, verify that a test lamp illuminates between each B+ circuit terminal and ground.
-> If the test lamp does not illuminate, test the B+ circuit for a short to ground or an open/high resistance. If the circuit fuse is open, test the control circuits of the control module for a short to ground. If the circuits test normal, replace the control module.
5. If equipped, ignition ON, verify that a test lamp illuminates between each ignition circuit terminal and ground.
-> If the test lamp does not illuminate, test the ignition circuit for a short to ground or an open/high resistance. If the circuit fuse is open, test the control circuits of the control module for a short to ground. If the circuits test normal, replace the control module.

Note: Only the high speed GMLAN modules have a serial data communication enable circuit OR an accessory wakeup serial data circuit, and the BCM is the output for these circuits. Refer to the module schematics to identify which modules have these circuits.

6. If equipped, ignition ON, verify that a test lamp illuminates between the communication enable circuit terminal OR the accessory wakeup circuit terminal and ground.
-> If the test lamp does not illuminate, test the circuit for an open/high resistance. If the circuits test normal, replace the BCM.
7. Ignition OFF, all access doors closed, all vehicle systems OFF, and key out of ignition switch. It may take up to 2 minutes for all vehicle systems to power down. Test for less than 5 ohm between the serial data circuit terminals and the appropriate DLC terminal listed below:
Class 2 serial data circuit terminal 2
Low speed GMLAN serial data terminal 1
High speed GMLAN serial data terminal 6 or 14
-> If greater than the specified range, test the serial data circuit for an open/high resistance between the non communicating control module and a control module setting the DTC or a serial data splice pack.
8. If all circuits test normal, replace the control module that is not communicating.

Repair Instructions

Perform the Diagnostic Repair Verification See: Vehicle > Initial Inspection and Diagnostic Overview > Diagnostic Repair Verification after completing the diagnostic procedure.

GMLAN Wiring Repairs See: Vehicle > Component Tests and General Diagnostics > GMLAN Wiring Repairs
Control Module References See: Vehicle > Programming and Relearning > Control Module References for control module replacement, setup, and programming
Was this
answer
helpful?
Yes
No
Thursday, September 3rd, 2020 AT 11:45 AM (Merged)
Tiny
DENDENDEN
  • MEMBER
  • 2 POSTS
Hi, sometimes it starts back up most times it does not start for three hours. We thought that it might be the module above the spare tire, these where noted to get some water in them, just guessing. What do you think?
Was this
answer
helpful?
Yes
No
Thursday, September 3rd, 2020 AT 11:45 AM (Merged)
Tiny
ASEMASTER6371
  • MECHANIC
  • 52,796 POSTS
When it does not start, do you hear the fuel pump run?

There are a couple possible issue. The fuel pump, the fuel pump driver and also a crank sensor.

When it does not start, does the tachometer go up a little while cranking?

Roy
Was this
answer
helpful?
Yes
No
Thursday, September 3rd, 2020 AT 11:45 AM (Merged)
Tiny
MONTYCRAWFORD
  • MEMBER
  • 1 POST
  • 2008 CHEVROLET SILVERADO
  • 6 CYL
  • 2WD
  • AUTOMATIC
  • 57,000 MILES
Problem with my 2008 chevy silverado v6 engine its acting like it is not getting gas and cutting out. When I accelerate and while im driving
Was this
answer
helpful?
Yes
No
Thursday, September 3rd, 2020 AT 11:45 AM (Merged)
Tiny
AUSERNAME123456
  • MEMBER
  • 106 POSTS
I would change the fuel filter. Or you may have got some bad gas.
Was this
answer
helpful?
Yes
No
Thursday, September 3rd, 2020 AT 11:45 AM (Merged)
Tiny
WRENCHTECH
  • MECHANIC
  • 20,761 POSTS
You need to use a fuel pressure gauge on it. This is a high pressure system that requires a MINIMUM of 55PSI to run. Fuel pump is a common failure.
Was this
answer
helpful?
Yes
No
Thursday, September 3rd, 2020 AT 11:45 AM (Merged)
Tiny
JACK FAMERA
  • MEMBER
  • 1 POST
  • 2006 CHEVROLET SILVERADO
  • 6 CYL
  • 2WD
  • AUTOMATIC
  • 35,000 MILES
My truck was low on gas. I usually use the mid grade. My kid put in regular. I came to a stop light and the car stopped running at the light. I had to put it in park and restart it. As I drove more the car stopped as I was driving I could feel it in the gas pedal. I coasted to a stop and the had to restart it. I put about 10 dollars of mid grade gas in it and still acting up. I brought it to the Chevy dealer and they put it on the computer and could find NOTHING wrong. Driving it home it stopped again. Is there a gas additive I might try? Any other suggestions?
Was this
answer
helpful?
Yes
No
Thursday, September 3rd, 2020 AT 11:46 AM (Merged)
Tiny
MATHIASO
  • MECHANIC
  • 1,209 POSTS
Maybe it is little early for the computer to sett a code, it need 3 consecuves drive cycles to sett a code. Just hold your eyes on the dash, it may be there soon.
If not get back to me
Was this
answer
helpful?
Yes
No
Thursday, September 3rd, 2020 AT 11:46 AM (Merged)
Tiny
SERVICE WRITER
  • MECHANIC
  • 9,123 POSTS
The dealer found nothing. Must still be under warranty lol. Dealer techs get screwed when it comes to diagnosing. Kind of takes away the incentive to nail down the problem assuming the symptoms happened while there.

Intermittants are tough. What makes it worse, is that one would want to tie in recent events as possible causes that can take them down the wrong path. Sometimes it does tie in and sometimes not.

Here are some thoughts on this one. Feel free to carry on this dialog if you wish.

Do you know if there were any codes listed in the computer? That may aid in tracking this down.

Check the owner's manual for the right octane to run.

A fuel gauge can be hooked and the pressure monitored whne the symptoms happen.

Be sure to check primary wiring at ignition coil, I heard of a couple of these where the wires were broken or almost broken inside the insulation, usually right at coil. I believe the pink wire that goes to the power feed to the coil was the one.

Make sure the throttle plate is clean. More issues with carbon build up have developed over the last 20 years.

I have seen distributors shafts problems and ignition cap problems on these. If it is determined this is a source, then only use delco or delphi products on this one.
Was this
answer
helpful?
Yes
No
Thursday, September 3rd, 2020 AT 11:46 AM (Merged)
Tiny
JIKS81
  • MEMBER
  • 4 POSTS
  • 2006 CHEVROLET SILVERADO
Engine Performance problem
2006 Chevy Silverado 6 cyl Two Wheel Drive Automatic

When I start my truck it dies out sometimes. Other times it seems like its gonna die but it turns over. I switched the fuses around and it worked for about four days. Now its acting up again.
Was this
answer
helpful?
Yes
No
Thursday, September 3rd, 2020 AT 11:46 AM (Merged)
Tiny
JACOBANDNICKOLAS
  • MECHANIC
  • 110,194 POSTS
Have you checked the fuel pressure? Also, has the check engine light come on? Finally, what fuses did you switch around?
Was this
answer
helpful?
Yes
No
Thursday, September 3rd, 2020 AT 11:46 AM (Merged)
Tiny
JIKS81
  • MEMBER
  • 4 POSTS
It was a set of three one had Start on the diagram. I swithced them around. A mechanic told me to do it. Another person said the air control valve needs to be cleaned or looked at. Yes the engine light is on.
Was this
answer
helpful?
Yes
No
Thursday, September 3rd, 2020 AT 11:46 AM (Merged)
Tiny
A L SPARKS
  • MEMBER
  • 1 POST
  • 2005 CHEVROLET SILVERADO
  • 5.3L
  • V8
  • 2WD
  • AUTOMATIC
  • 200,000 MILES
Truck cut off going down road. Pulled over tried to start it turned over but acted like it wasn't getting gas. Let it sat there 30+ minutes then it started and drove it 6 miles home.
Was this
answer
helpful?
Yes
No
Thursday, September 3rd, 2020 AT 11:46 AM (Merged)
Tiny
ASEMASTER6371
  • MECHANIC
  • 52,796 POSTS
Good morning,

A fuel filter will not shut down and engine. It has a bypass inside that will allow fuel. It sounds more like a pump.

I would check the pressure and if you can, leave the gauge on the port to see the pressure when it fails.

https://www.2carpros.com/articles/how-to-check-fuel-system-pressure-and-regulator

Roy
Was this
answer
helpful?
Yes
No
Thursday, September 3rd, 2020 AT 11:46 AM (Merged)
Tiny
SPEED576
  • MEMBER
  • 1 POST
  • 2005 CHEVROLET SILVERADO
  • 5.3L
  • V8
  • 4WD
  • AUTOMATIC
  • 70,000 MILES
Ran fine went to start it twelve hours later at 10 degrees F in the garage. Outside temperature was -25 with -50 windchill. It was -10 two days before that. It started right up, then spit and sputtered. It wouldn't stay running unless I applied pressure to the gas pedal to keep it running. When I would put it in gear it was almost impossible to move. Excessive exhaust. White in color. I'm a mechanic on a farm and it acts like the choke is stuck on.
Was this
answer
helpful?
Yes
No
Thursday, September 3rd, 2020 AT 11:47 AM (Merged)

Please login or register to post a reply.