What fuse or where my ob2 port draws power from in my car?

Tiny
EBALES
  • MEMBER
  • 2003 INFINITI G35
  • 3.5L
  • V6
  • 2WD
  • MANUAL
  • 150,000 MILES
My ob2 port is not working.
Sunday, September 1st, 2024 AT 5:21 AM

3 Replies

Tiny
AL514
  • MECHANIC
  • 5,595 POSTS
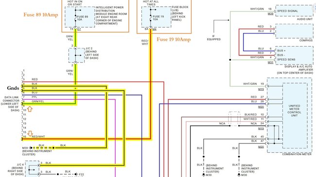
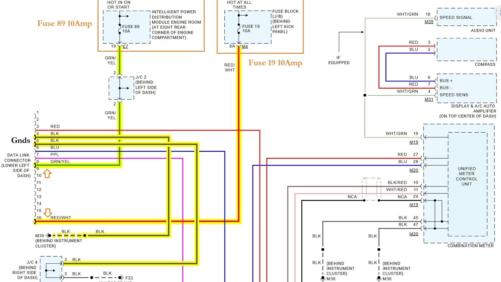
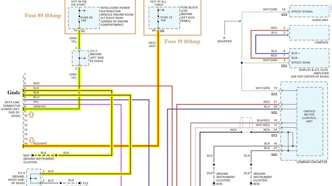
Hello, the Data Link Connector (DLC) for this vehicle has 2 ports which supply power, pin 16 and pin 8, Ill post a wiring diagram that shows the 2 fuses that power those two ports, pin 4 and 5 are both Grounds. Pin 16 should have power even if the key is Off (so Hot at all times) and pin 8 needs the key to be on for power. Did you check these with a multimeter or just do not have communication with a scan tool?
Was this
answer
helpful?
Yes
No
Sunday, September 1st, 2024 AT 9:13 AM
Tiny
AL514
  • MECHANIC
  • 5,595 POSTS
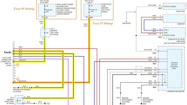
Here is the top half of the Data Bus wiring diagram showing the two power locations for the DLC. Pin 16's fuse is in the fuse panel that is behind the left (driver side) lower kick panel, so down near where your left foot would be, you will most likely have to remove the kick panel, or there might be an access cover, I will look to see if there is a picture of it. But pin 16 provides power to most scan tools, but the grounds at pin 4 and 5 are required as well. When testing with a multimeter just don't spread the pins inside the DLC.
Was this
answer
helpful?
Yes
No
Sunday, September 1st, 2024 AT 9:23 AM
Tiny
AL514
  • MECHANIC
  • 5,595 POSTS
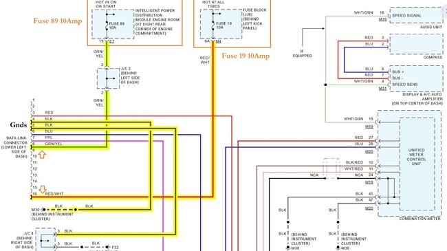
Here is the pinout of the DLC.
Let us know what you find.

https://www.2carpros.com/articles/how-to-check-a-car-fuse

https://www.2carpros.com/articles/how-to-use-a-voltmeter
Was this
answer
helpful?
Yes
No
Sunday, September 1st, 2024 AT 9:32 AM

Please login or register to post a reply.