I turn my heater/AC on idle, vehicle experiences power loss and almost stalls

Tiny
BEASTMODE666
  • MEMBER
  • 2004 CHEVROLET TRAILBLAZER
  • 4.2L
  • 6 CYL
  • 4WD
  • AUTOMATIC
  • 192,000 MILES
Hello I’m having issues with my vehicle. When I try to turn the heater on and being on idle the engine wants to stall out. If anyone could help me out would be greatly appreciated.
Friday, January 24th, 2020 AT 12:05 PM

1 Reply

Tiny
ASEMASTER6371
  • MECHANIC
  • 52,796 POSTS
Good afternoon,

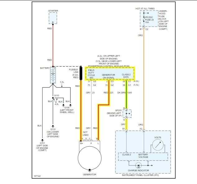
This sounds like you have low voltage from the battery. The charging system needs to be checked along with load testing the battery.

https://www.2carpros.com/articles/car-battery-load-test

Do you have a volt meter to test the voltage at the battery with the engine running?

https://www.2carpros.com/articles/how-to-check-a-car-alternator

Roy

REMOVAL PROCEDURE

imageOpen In New TabZoom/Print

1. Disconnect the battery negative cable.
2. Remove the drive belt.
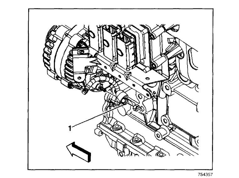
3. Disconnect the battery positive cable nut (1) on the generator.

imageOpen In New TabZoom/Print

4. Remove the A/C line mounting bracket bolt at the engine life hook.

imageOpen In New TabZoom/Print

5. Remove the right engine lift hook bolts and remove the lift hook.

imageOpen In New TabZoom/Print

6. Remove the 3 generator mounting bolts and remove the generator.
Was this
answer
helpful?
Yes
No
Friday, January 24th, 2020 AT 12:35 PM

Please login or register to post a reply.