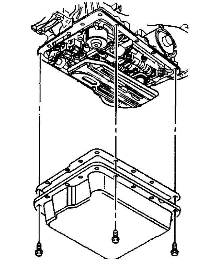
Saturday, February 7th, 2015 AT 12:08 PM
On my way home from work I had it in cruise then all of a sudden it stopped accelerating as if it was in neutral. I stopped and pulled over turned it off then tried tried going but it just revs up and goes nowhere even in reverse.







