Friday, February 28th, 2025 AT 11:26 PM
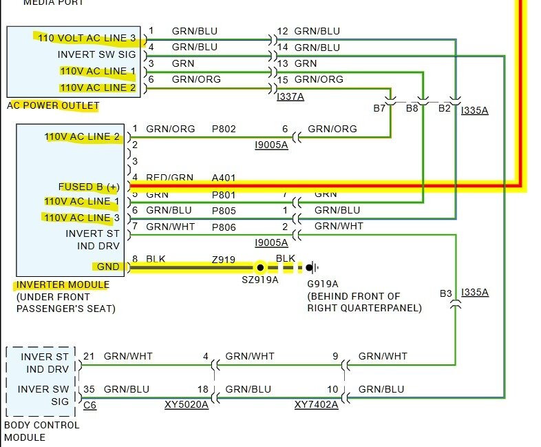
I was at a red light when my car suddenly shut off while the transmission was in drive. The dashboard lights started flickering and triggering all the warning lights until the battery completely drained. I had the car towed to a mechanic shop, where he checked the battery voltage, which was good and healthy. However, when he checked the auxiliary battery, it was dead. He then checked the voltage on the line leading to the engine, which was good, but when he checked the line leading to the fuse box, it read less than 6 volts. Finally, when he inspected the physical line, he found that it was burnt. I also want to mention that before this issue arose, I would usually detect a burning plastic smell whenever I would start my car to warm it up or if I had the heat on.










