I have no power to my climate control panel?

Tiny
JDOWNS40004
  • MEMBER
  • 2016 MAZDA 6
  • 2.5L
  • 4 CYL
  • 2WD
  • AUTOMATIC
  • 189,000 MILES
After a mobile retailer cleaned the car my climate control panel has no power.
Tuesday, December 27th, 2022 AT 4:14 PM

4 Replies

Tiny
JACOBANDNICKOLAS
  • MECHANIC
  • 110,194 POSTS
Hi,

That isn't good. I hope you contacted them because if they got the wrong things wet, it can certainly cause issues.

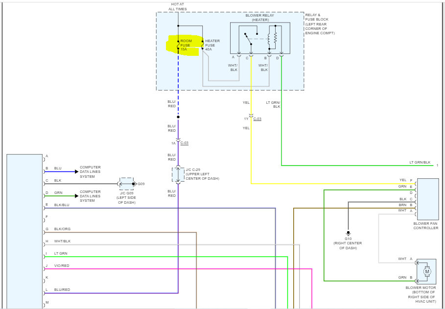
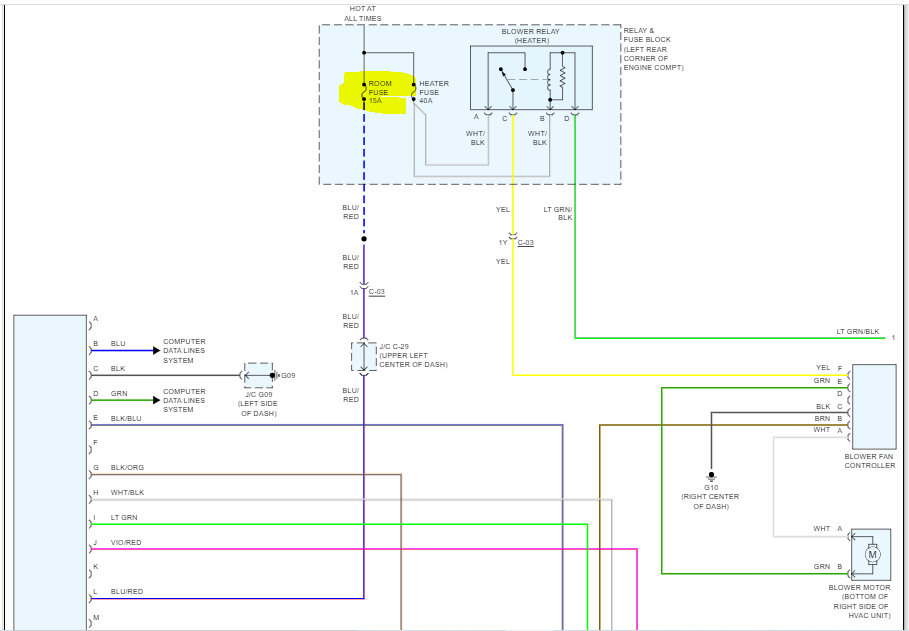
First, I'm not sure if you have automatic climate control of manual control. So, I opened up the wiring schematic for manual climate control. (See pics 1 and 2 below)

Power to the climate control panel is supplied by the room fuse located in the under-hood fuse box. First, I need you to check the fuse itself to make sure it hasn't failed. If it is good, also confirm there is power to and from it.

Here is a link you may find helpful:

https://www.2carpros.com/articles/how-to-check-a-car-fuse

Let me know what you find. Also, if you have automatic climate control, let me know that as well.

Take care,

Joe

See pics below.

Was this
answer
helpful?
Yes
No
Tuesday, December 27th, 2022 AT 8:32 PM
Tiny
JDOWNS40004
  • MEMBER
  • 2 POSTS
Fuse is good, looks like they may have damaged the actual climate control panel.
Was this
answer
helpful?
Yes
No
Wednesday, December 28th, 2022 AT 9:20 AM
Tiny
JDOWNS40004
  • MEMBER
  • 2 POSTS
I have automatic climate control.
Was this
answer
helpful?
Yes
No
Wednesday, December 28th, 2022 AT 9:35 AM
Tiny
JACOBANDNICKOLAS
  • MECHANIC
  • 110,194 POSTS
Hi,

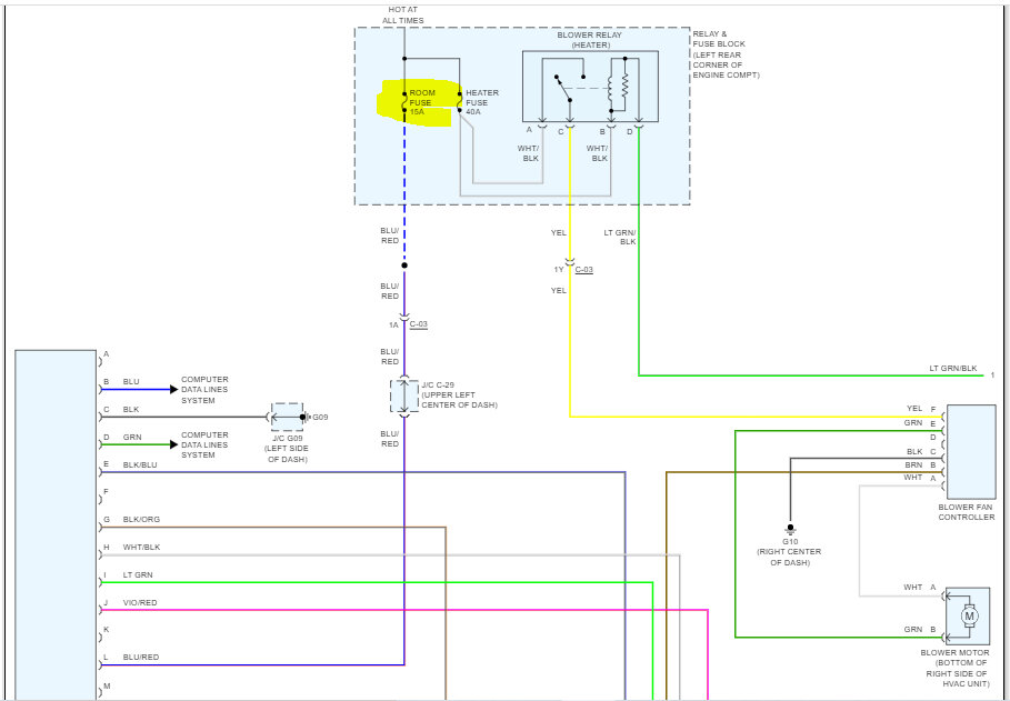
I double-checked the automatic climate control, and it gets power from the same fuse. If the fuse is good and has power, the next thing would be to confirm there is power at the controller.

There are two wires at the controller connector that would need to be checked. I attached a pic below.

If there is power at the controller, then we need to scan the CAN. CAN stands for controller area network. Basically, the different modules are tied together via a few wires. This type of scan will retrieve codes regardless of the module storing them.

Here is a link that explains how it's done:

https://www.2carpros.com/articles/can-scan-controller-area-network-easy

I have a question. Has anything other been affected? Is there anything on the controller that responds? Also, is there any evidence that water or a cleaner may have been sprayed on the controller?

Let me know.

Joe

See pic below.
Was this
answer
helpful?
Yes
No
Wednesday, December 28th, 2022 AT 4:02 PM

Please login or register to post a reply.