Air not blowing through dash vents

Tiny
WHITEYCAT2003
  • MEMBER
  • 2002 CHEVROLET TRAILBLAZER
  • 4.2L
  • 6 CYL
  • 4WD
  • AUTOMATIC
  • 140,000 MILES
I am not getting air through dash vents. I get air from defrost and floor. Where would the actuator be located for this problem?
Wednesday, June 10th, 2020 AT 7:11 AM

1 Reply

Tiny
JACOBANDNICKOLAS
  • MECHANIC
  • 110,194 POSTS
Hi,

The actuator you are referring to is called the mode door actuator. It is located under the dash on the HVAC housing. Here are the directions for replacement. The attached pics correlate with the directions.

_____________________________________________

2002 Chevy Truck TrailBlazer 4WD L6-4.2L VIN S
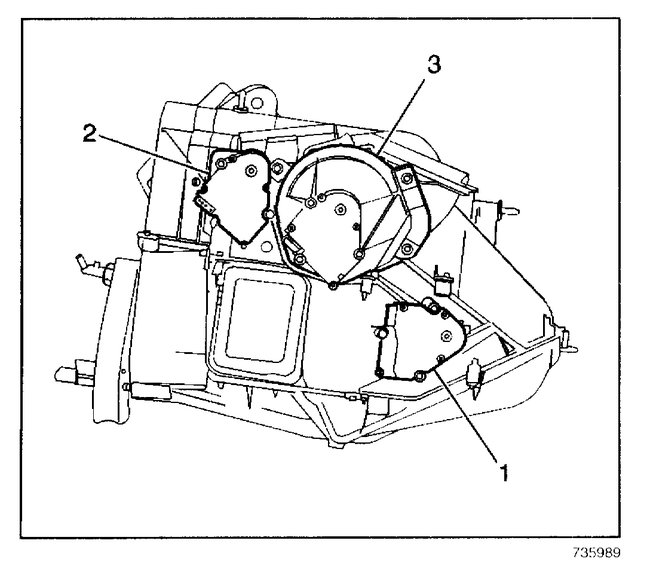
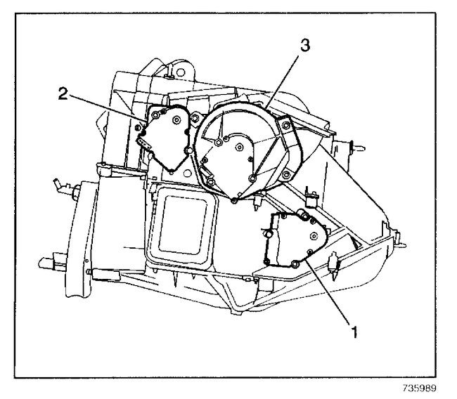
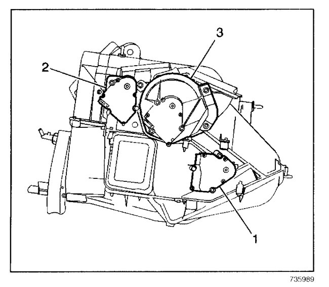
Mode Actuator
Vehicle Heating and Air Conditioning Air Door Actuator / Motor Service and Repair Procedures Manual Control Mode Actuator
MODE ACTUATOR
REMOVAL PROCEDURE

pic 1

1. Remove the I/P carrier.
2. Disconnect the electrical connector from the mode actuator.
3. Remove the screws from the mode actuator (3).
4. Remove the mode actuator.

INSTALLATION PROCEDURE

pic 2

1. Install the mode actuator (3).

NOTE: Refer to Fastener Notice in Service Precautions.

2. Install the screws to the mode actuator (3).

Tighten
Tighten the screws to 1.9 N.M (17 lb in).

3. Connect the mode actuator electrical connector.
4. Install the I/P carrier.
5. Calibrate the air temperature actuator on vehicles equipped with automatic climate control (C68). Refer to Re-Calibrating Actuators (Primary) or Re-Calibrating Actuators (Auxiliary HVAC).

For a description of the RPO Code(s) shown in this article or any of the images therein, refer to the RPO Code List found at Vehicle/Application ID". See: Vehicle > Components > RPO Codes

_____________________________

Pic 3 shows a location of the component.

Let me know if this helps.

Joe
Was this
answer
helpful?
Yes
No
Wednesday, June 10th, 2020 AT 7:32 AM

Please login or register to post a reply.