NO HEAT

Tiny
ARTHUR J KAPELLA
  • MEMBER
  • 2006 HYUNDAI SONATA
Heater problem 6 cyl Front Wheel Drive Automatic 14356 miles

I have the heat set to 70 degree but it will not let the hot water into the heater, so it only gives out cold air into the car, what is the problem? I love this site
Thursday, January 15th, 2009 AT 1:03 PM

1 Reply

Tiny
KEN L
  • MASTER CERTIFIED MECHANIC
  • 55,335 POSTS
It sounds like you have a temperature blend door actuator that is not working which is common. Here are some guides so you can check out what's going on and get the problem fixed. This guide will give you an idea of what you are in for when doing the job.

https://www.2carpros.com/articles/replace-blend-door-motor

Here is a guide that can help as well.

https://www.2carpros.com/articles/car-heater-not-working

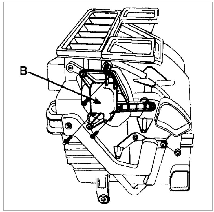
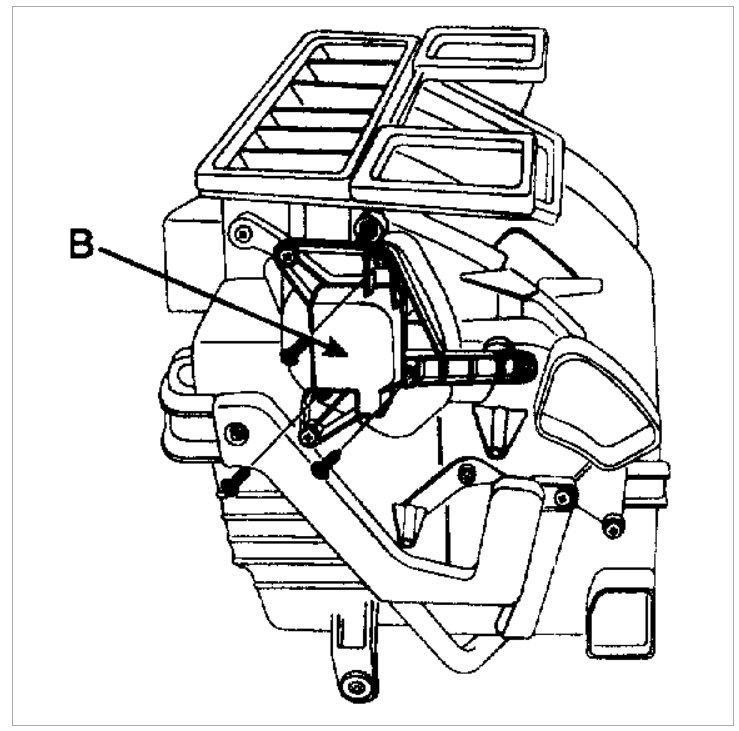
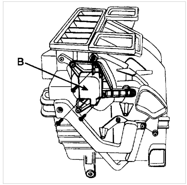
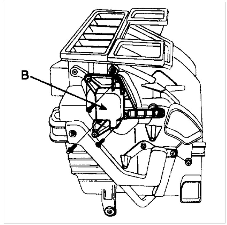
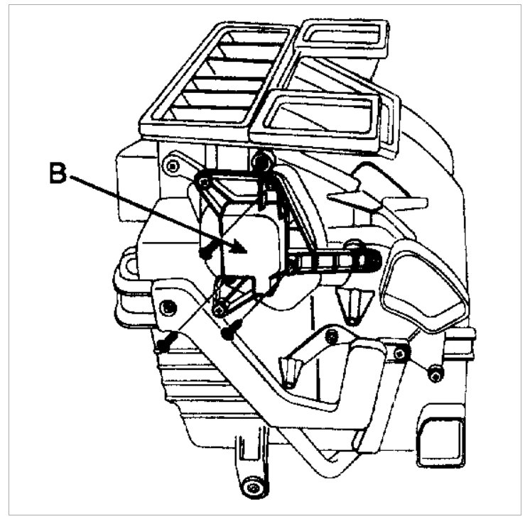
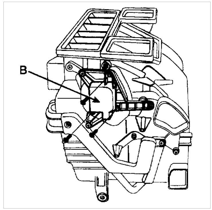
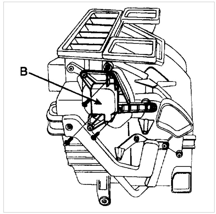
Below is the diagrams of how to will be like to replace the actuator on your car I have feature the temperature and the mode (second) actuators just in case.

Please let us know what happens.

Cheers, Ken
Was this
answer
helpful?
Yes
No
+1
Thursday, November 16th, 2017 AT 2:04 PM

Please login or register to post a reply.