Systems that use a resistor will keep the "high" setting for the motor separate, bypassing the resistor because high means no resistance.
I don't believe your system has one, but maybe the someone you talked to could tell you.
Here is the chart to troubleshoot.

These are the wiper switch continuity tables and the connector view so you can test for contunuity.


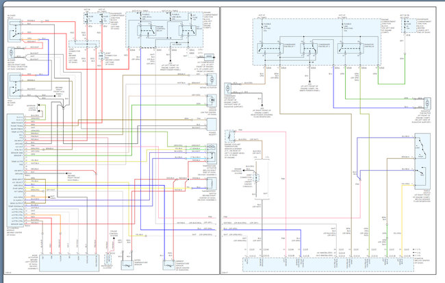
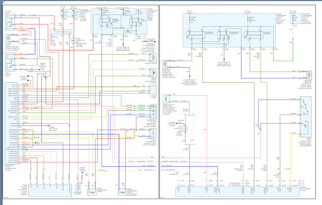
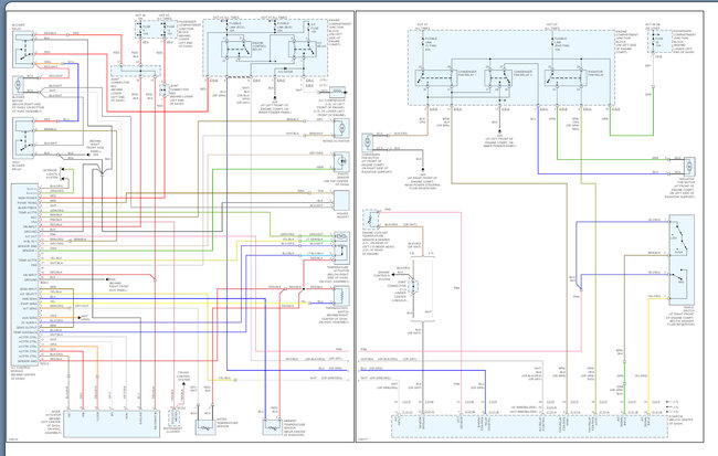
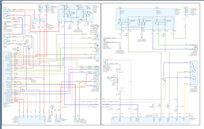
This is the wiring diagram for the entire wiper circuit.


Saturday, January 26th, 2019 AT 4:17 PM
(Merged)