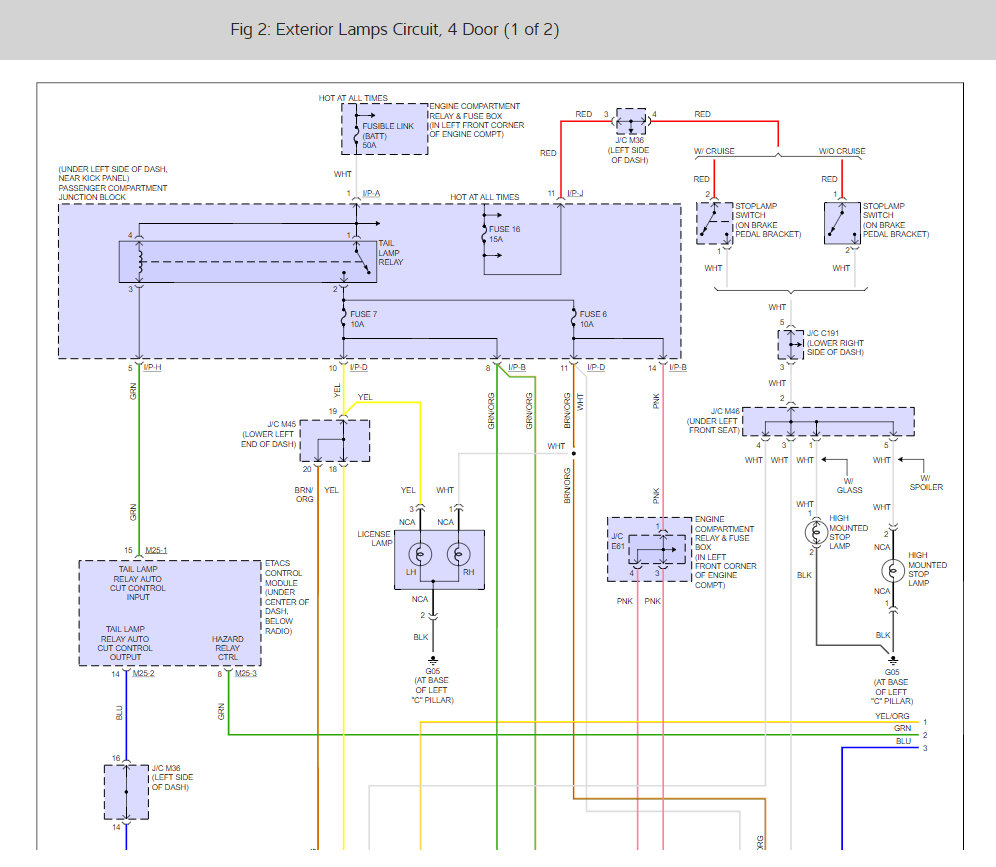
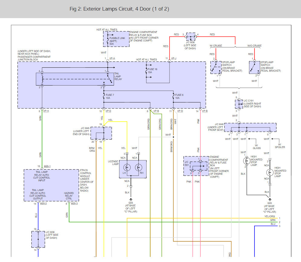
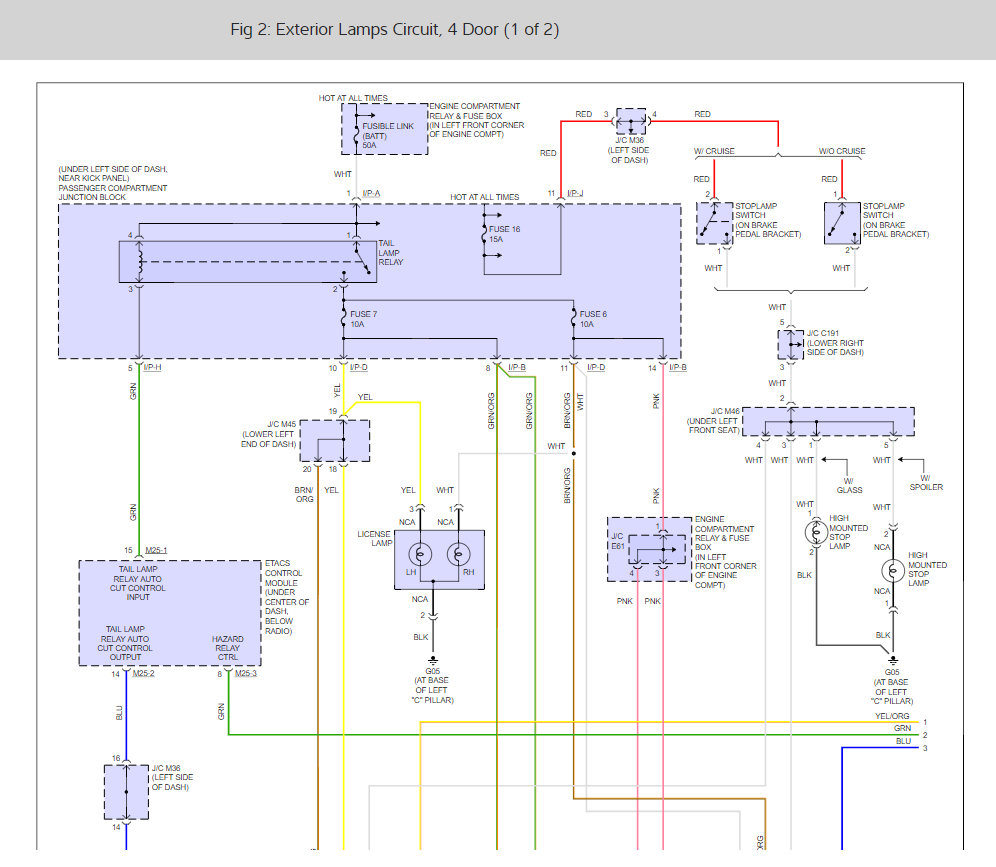
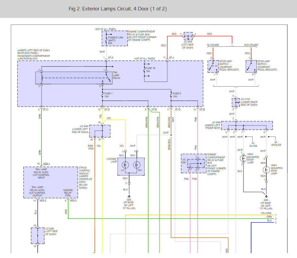
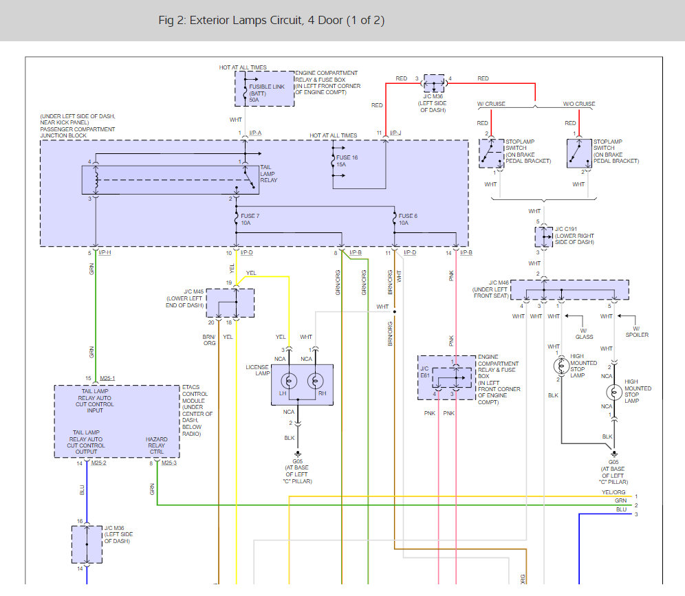
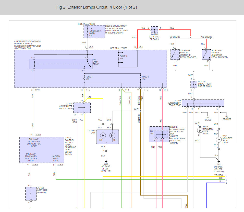
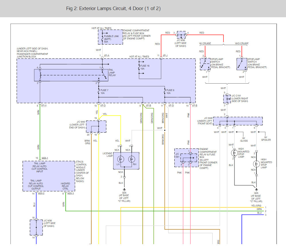
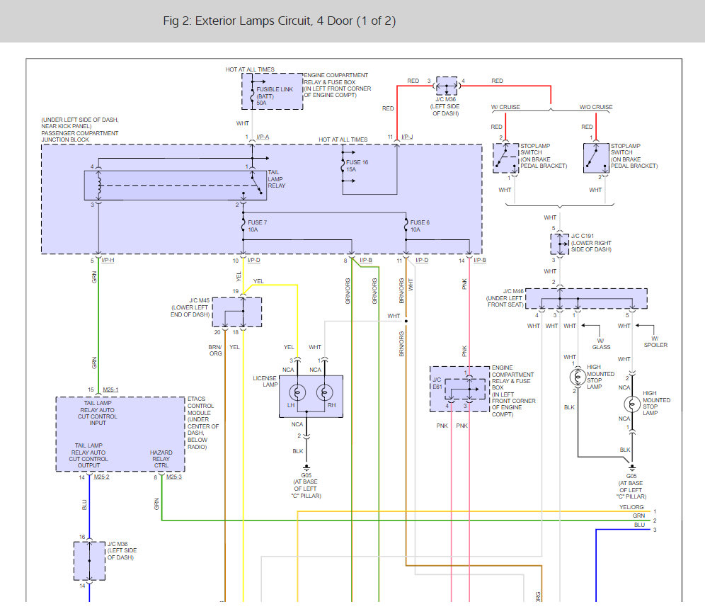
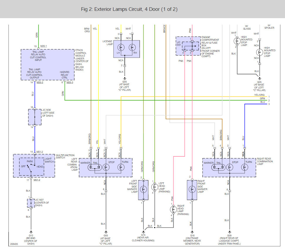
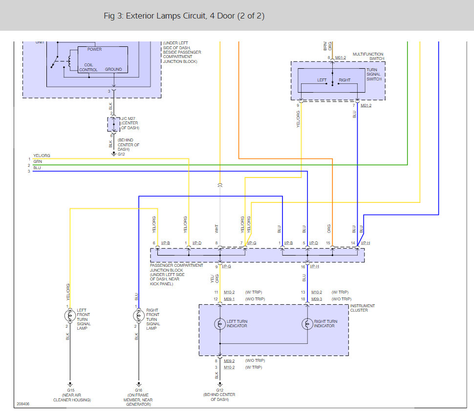
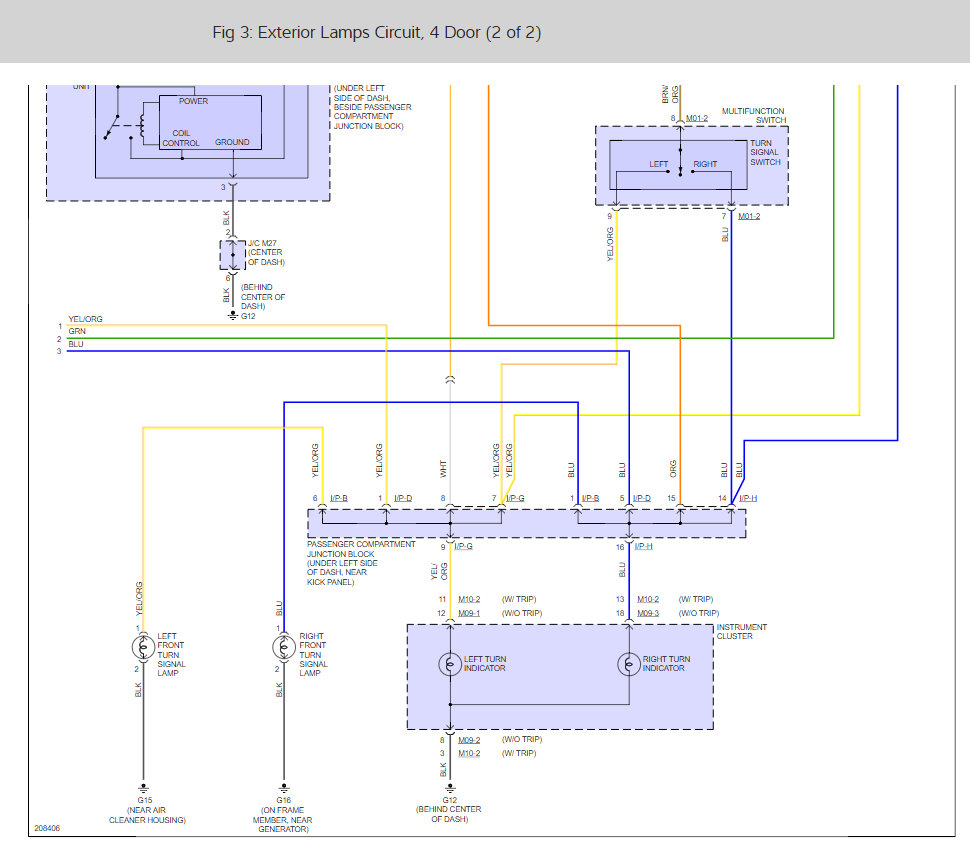
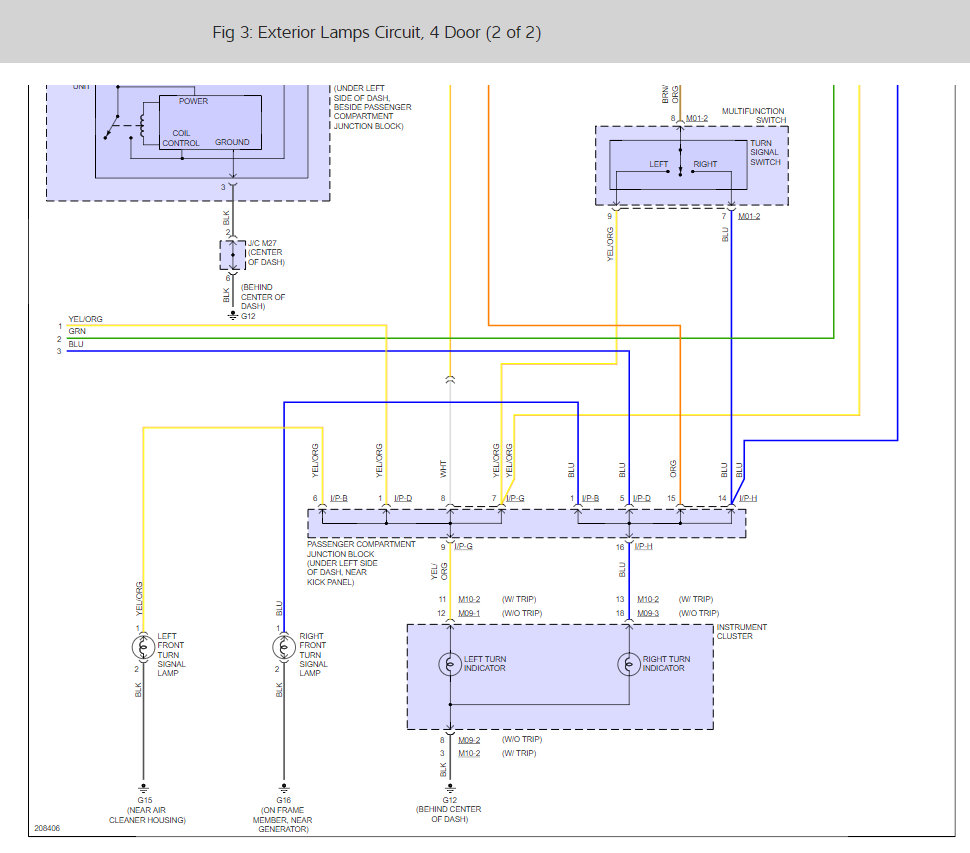
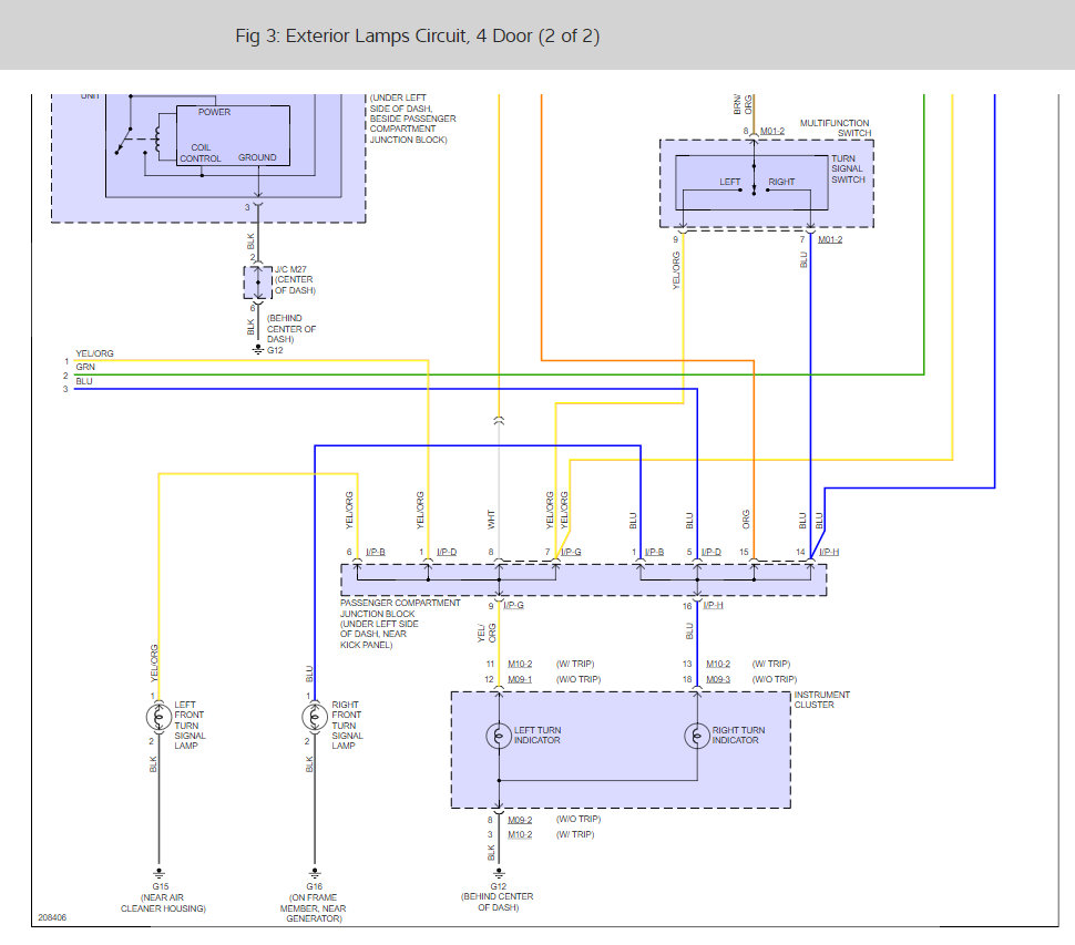
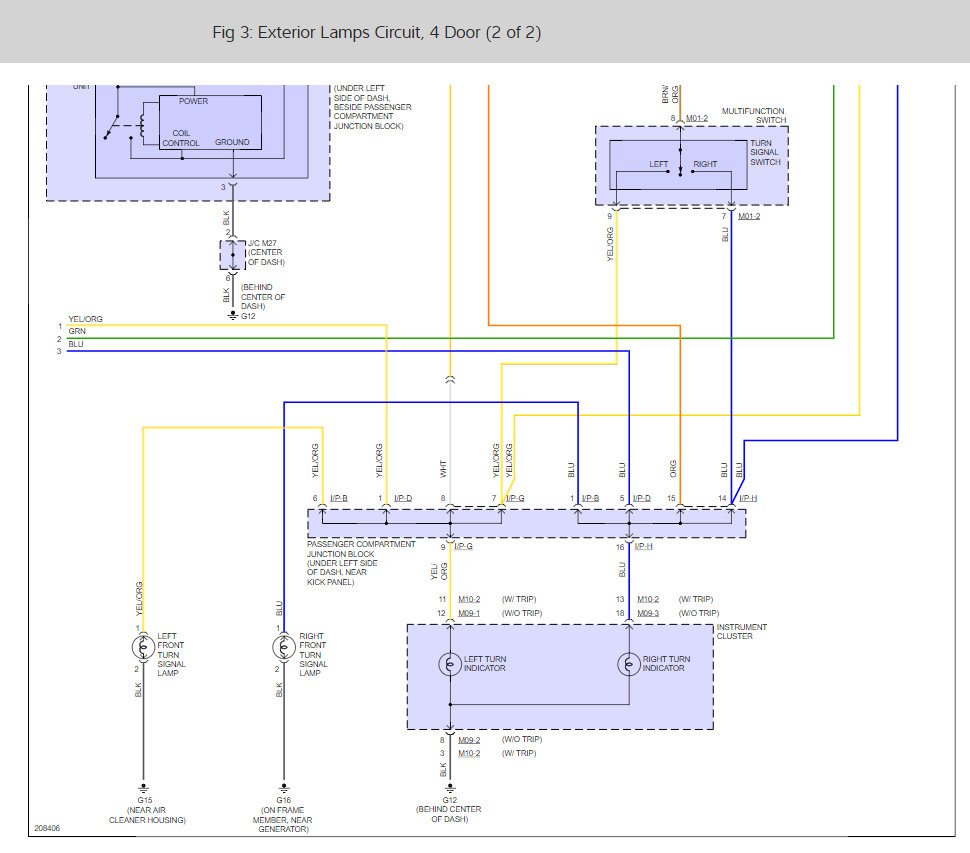
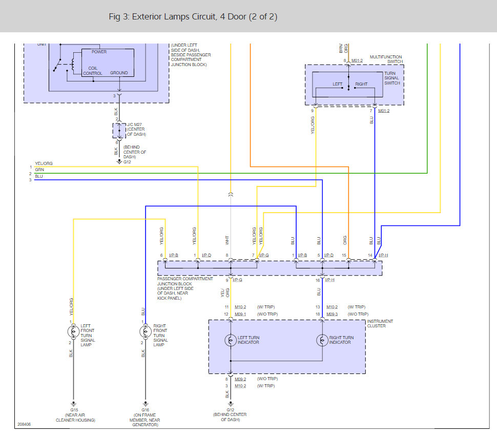
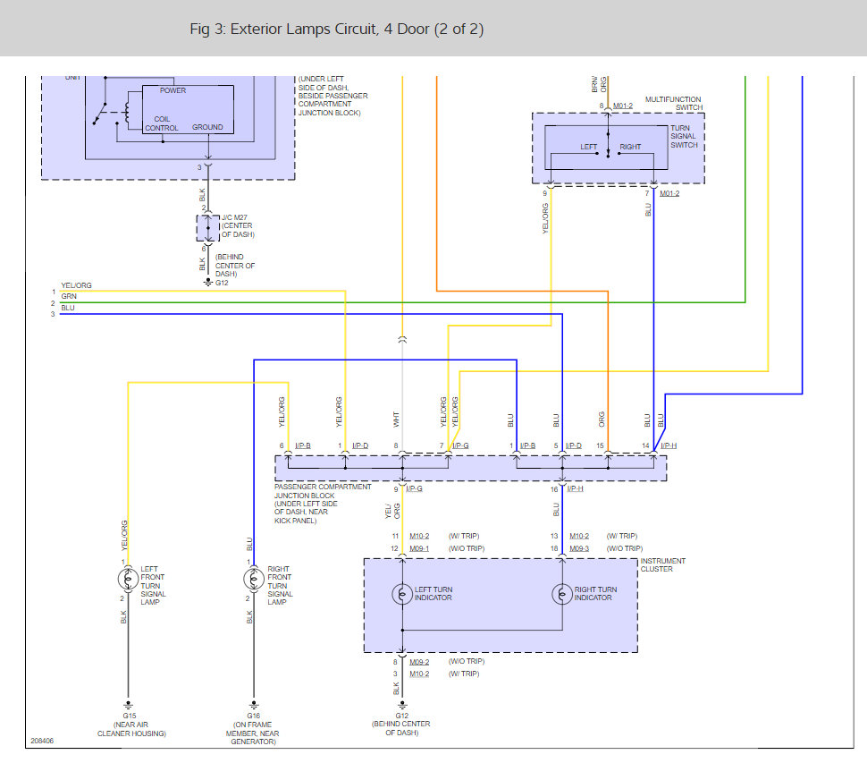
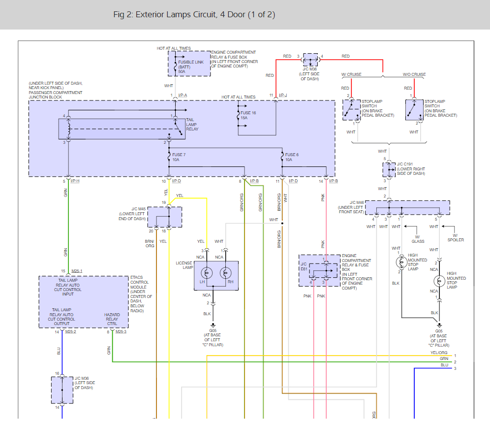
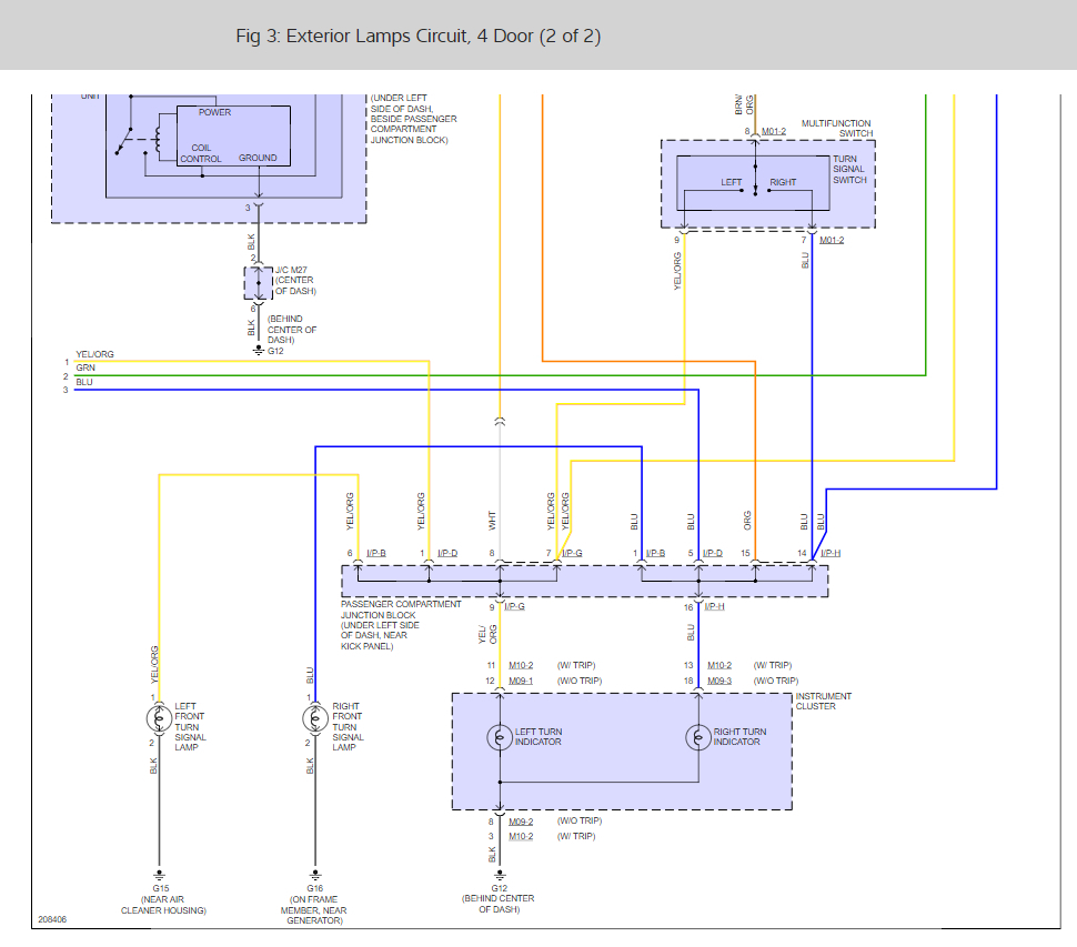
Last night out of nowhere my turn signals stopped working. I noticed it after getting in it to go somewhere, it didn't happen while I was already driving.
None of the exterior front or back light bulbs work and the interior blinkers don't work either. The head lights and interior dash lights are worked by the same controller and those work fine. Could this be from a blown fuse? If so what size do I need for the car and how do I know which one is for the fuse to change it? I'm guessing the fuses are located in the most uncomfortable & inconvenient spot to get to which is the floorboard area by the pedals.
Saturday, October 31st, 2009 AT 2:46 PM











