Blend door actuator location?

Tiny
MYMARBLES
  • MEMBER
  • 2003 HYUNDAI ELANTRA
  • 4 CYL
  • FWD
  • AUTOMATIC
  • 85,000 MILES
The heat output is stuck at mid-level/dash vents only and won't switch to floor, plus we also can't get much of anything from defog/defroster vents. Blower works at all speeds and temp functions properly. The mode selector switch SEEMS to work, at least partly, because the A/C compressor kicks in when moved into the defog positions. I can't find an adequate drawing/pic/diagram of what I need to look for and really can't afford the $500 estimate that our local dealer wants to fix it. First they'd want $126 just to run diagnostics! Please, any clues on where to look? Maybe a dirty connector? If it could be a dead mode actuator, would that be too difficult to replace?

~desperate in Minnesota
Tuesday, November 24th, 2009 AT 12:18 AM

10 Replies

Tiny
KEN L
  • MASTER CERTIFIED MECHANIC
  • 55,322 POSTS
99.9% of the time it's the blend door actuator, Hyundai does give this info on their location! Remove the trim panel by prying it off, it just pops into clips, then unbolt the unit. Then you might need to remove the glove box door and some minor bracing.

Here is a guide to help you fix the problem step by step. Then see the diagrams and images below with all for the blend mode door actuator locations

https://www.2carpros.com/articles/replace-blend-door-motor


https://www.2carpros.com/forum/automotive_pictures/62217_1_47.jpg



Check out the diagrams (Below). Please let us know if you need anything else to get the problem fixed.
Was this
answer
helpful?
Yes
No
+5
Thursday, December 29th, 2016 AT 5:49 PM
Tiny
THE SHADOW
  • MEMBER
  • 1 POST
  • 2003 HYUNDAI ELANTRA
  • 155,000 MILES
Is the actuator above the gas peddle. I'll check the linkages. Any other idea's. Thanks
Was this
answer
helpful?
Yes
No
+1
Monday, November 11th, 2019 AT 1:22 PM (Merged)
Tiny
CARADIODOC
  • MECHANIC
  • 34,468 POSTS
If no mode or temperature doors work, they may use vacuum-operated actuators and the vacuum hose may be broken, cracked, or disconnected. It's hard to know if you have computer controls, but if you have simple, reliable, manual push buttons, you more than likely do have vacuum controls. I tried looking up the actuators on another web site but they weren't listed. You might also be able to tell from the vacuum hose routing diagram under the hood. It should show a hose with a check valve going to the firewall.
Was this
answer
helpful?
Yes
No
-2
Monday, November 11th, 2019 AT 1:22 PM (Merged)
Tiny
RASMATAZ
  • MECHANIC
  • 75,992 POSTS
The air temperature actuator is located behind lower left of dash center
Was this
answer
helpful?
Yes
No
+1
Monday, November 11th, 2019 AT 1:22 PM (Merged)
Tiny
CHARLES ATCHISON
  • MEMBER
  • 1 POST
  • 2003 HYUNDAI ELANTRA
  • 2.0L
  • 4 CYL
  • 2WD
  • AUTOMATIC
  • 161,000 MILES
Trying to find where the heat defrost actuator is. The heater is stuck on vent.
Was this
answer
helpful?
Yes
No
+1
Monday, November 11th, 2019 AT 1:22 PM (Merged)
Tiny
STEVE W.
  • MECHANIC
  • 15,679 POSTS
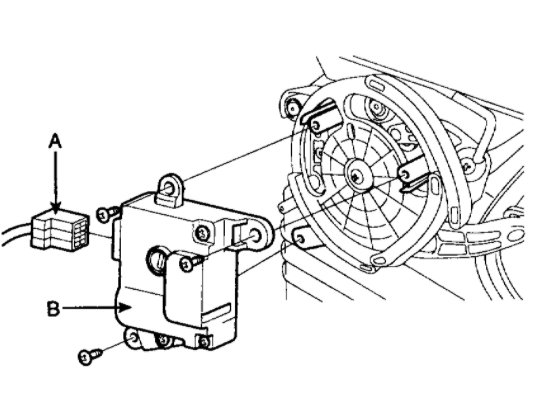
It is a small lever connected to the mode cam on the left side of the heater box. If it is stuck the motor that drives the cam could have failed or the cam may have, it is pretty much all plastic.
The picture is the motor that runs the cam.
Was this
answer
helpful?
Yes
No
+3
Monday, November 11th, 2019 AT 1:22 PM (Merged)
Tiny
PD1210
  • MEMBER
  • 2 POSTS
2004 Elantra here having the same issue. Heat and A/C work but no directional control defrost, floor, etc.
I see the diagram and photos but having trouble locating this Mode actuator. Can anyone point me in the right direction?
Was this
answer
helpful?
Yes
No
Sunday, December 6th, 2020 AT 9:10 AM
Tiny
DANNY L
  • MECHANIC
  • 5,648 POSTS
Hello, I'm Danny.

The mode actuator is bolted onto the heater unit which is under the dash on the passenger side. Here is a tutorial showing what is involved for its replacement:

https://www.2carpros.com/articles/replace-blend-door-motor

I've attached a few pictures below showing how to replace and is location for your car. Hope this helps and thanks for using 2CarPros.
Was this
answer
helpful?
Yes
No
+1
Sunday, December 6th, 2020 AT 1:43 PM
Tiny
PD1210
  • MEMBER
  • 2 POSTS
Even in the photo posted this Mode actuator is on the driver's side under the dash directly above the temperature control actuator. Am I incorrect?
Was this
answer
helpful?
Yes
No
Sunday, December 6th, 2020 AT 1:56 PM
Tiny
DANNY L
  • MECHANIC
  • 5,648 POSTS
Hello again.

I found a better picture and attached below of its location. Let us know if you have any further question on this issue and keep us updated. Hope this helps and thanks again for using 2CarPros.

Danny-
Was this
answer
helpful?
Yes
No
+3
Sunday, December 6th, 2020 AT 6:08 PM

Please login or register to post a reply.