Rear Blower motor not working

Tiny
ROADRUNNER5225
  • MEMBER
  • 2003 GMC YUKON
  • 5.3L
  • V8
  • 4WD
  • AUTOMATIC
  • 177,000 MILES
First it was my rear HVAC. I replaced the control module and I replaced the blower. Coming out of the control module and into harness that plugs into blower I am barely getting 2 volts. Defective control module? What should that voltage be? I am getting 12 to 13 volts coming into the module.

Now my front is doing the same. Haven't replaced anything but barely any power coming out of the module and also have 12 to 13 volts coming in.

I am not smart enough to figure out how to jump and provide straight battery power to test the blower.

These control modules seem like junk. I'm stuck!
Saturday, August 3rd, 2019 AT 8:12 PM

13 Replies

Tiny
KEN L
  • MASTER CERTIFIED MECHANIC
  • 55,488 POSTS
Hello,

Can you tell me when you replace the rear motor and module did you use AC Delco? Because it sounds like both are bad now which could just be a coincidence. here is a guide to help you test the blower motor by putting 12 volts to them and the front and rear blower motor wiring with a guide so you can do some testing and be able to see how the system works:

https://www.2carpros.com/articles/blower-fan-motor-works-on-high-speed-only

and

https://www.2carpros.com/articles/how-to-check-wiring

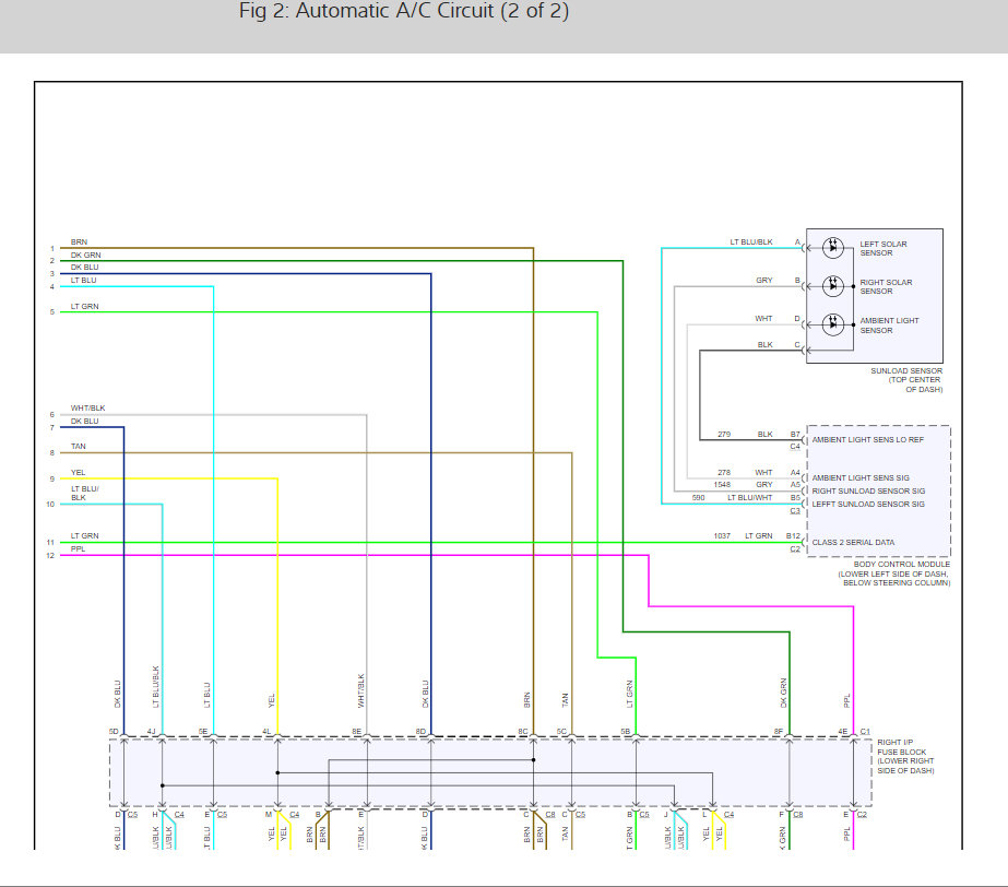
Check out the diagrams (below). Please let us know what you find. We are interested to see what it is.
Was this
answer
helpful?
Yes
No
Monday, August 5th, 2019 AT 1:26 PM
Tiny
ROADRUNNER5225
  • MEMBER
  • 8 POSTS
Thanks for the response. Since the front failed as well, I took from the rear, the brand new module and both the new and old blower to the front to test and all worked, as did the front module. So answer to the front was a new blower, bought that and all good there.

So now my primary issue is, in the rear, I have a good module, a good blower but cannot get them to work. I did take the ground and power and connected them to the harness of the blower and bypass the module, nothing! I found there is a screw where the black wire is grounded to. If I put my black probe on that, and my red probe on the power, I am getting like 52 mV, this is only.052 volts, this cannot be right.
Was this
answer
helpful?
Yes
No
Monday, August 5th, 2019 AT 1:37 PM
Tiny
KEN L
  • MASTER CERTIFIED MECHANIC
  • 55,488 POSTS
The black wire need to be grounded, can you add a ground to see if the system works? The orange wire has power when the key is on yes?
Was this
answer
helpful?
Yes
No
+1
Tuesday, August 6th, 2019 AT 10:13 AM
Tiny
ROADRUNNER5225
  • MEMBER
  • 8 POSTS
Correct, orange wire is getting 12volts. The black wire is grounded to a bolt stud behind one of the panels.
Was this
answer
helpful?
Yes
No
Tuesday, August 6th, 2019 AT 10:24 AM
Tiny
KEN L
  • MASTER CERTIFIED MECHANIC
  • 55,488 POSTS
Okay, that leaves the auxiliary HVAC control module which is mounted to the top of the HVAC unit in the rear.

This should be the part Control Module 89018778 $134.70

Check out the diagrams (below). Please let us know what happens.
Was this
answer
helpful?
Yes
No
Tuesday, August 6th, 2019 AT 11:08 AM
Tiny
ROADRUNNER5225
  • MEMBER
  • 8 POSTS
Yes sir, you will see from above I have replaced this already and even tested in the front and found it to be a working new unit.
Was this
answer
helpful?
Yes
No
Tuesday, August 6th, 2019 AT 11:35 AM
Tiny
ROADRUNNER5225
  • MEMBER
  • 8 POSTS
Interesting development. I bought a probe and found I was only getting 1 volt. There was another orange wire getting 12v, so I tied them together and it started to run then died and not getting power to those wires now. Checked RR fuse and tested fine. Ugh
Was this
answer
helpful?
Yes
No
Tuesday, August 6th, 2019 AT 7:26 PM
Tiny
ROADRUNNER5225
  • MEMBER
  • 8 POSTS
Ken, here is where I am at now. 2 orange wires in the rear, one for control module, the other goes to the black box between the actuators.

I am not getting 12v on either orange. I traced one using a cable toner to the driver side fuse and the other to the fuse box under the hood, but fuses are good! What do you suggest?
Was this
answer
helpful?
Yes
No
Wednesday, August 7th, 2019 AT 4:03 PM
Tiny
KEN L
  • MASTER CERTIFIED MECHANIC
  • 55,488 POSTS
Under the hood do you have power at the RR HVAC fuse? Check to make sure the fuse holder is not melted. Let me know
Was this
answer
helpful?
Yes
No
Wednesday, August 7th, 2019 AT 4:25 PM
Tiny
ROADRUNNER5225
  • MEMBER
  • 8 POSTS
I did a light test successfully. Is that enough or should I use a multimeter?
Was this
answer
helpful?
Yes
No
Wednesday, August 7th, 2019 AT 4:27 PM
Tiny
KEN L
  • MASTER CERTIFIED MECHANIC
  • 55,488 POSTS
So that fuse is what powers the orange wires, if the fuse has power and the wires don't there must be a break in the wiring/connections issue. Check out the wiring diagrams above and use your test light to see where you lose power.
Was this
answer
helpful?
Yes
No
Wednesday, August 7th, 2019 AT 5:21 PM
Tiny
ROADRUNNER5225
  • MEMBER
  • 8 POSTS
Fixed problem following this YouTube:

https://youtu.be/Z9dWLM51gkQ
Was this
answer
helpful?
Yes
No
Thursday, August 8th, 2019 AT 5:50 PM
Tiny
KEN L
  • MASTER CERTIFIED MECHANIC
  • 55,488 POSTS
Good find on that one. Glad you could get it fixed, that kind of problem can be tough. Please use 2CarPros anytime we are here to help.
Was this
answer
helpful?
Yes
No
Friday, August 9th, 2019 AT 12:03 PM

Please login or register to post a reply.