Where is the HVAC fuse located?

Tiny
JOE WRIGHT2
  • MEMBER
  • 2012 CADILLAC CTS
  • 3.6L
  • V6
  • 2WD
  • AUTOMATIC
  • 120,000 MILES
The car listed above is a coupe. I am looking for the HVAC fuse for the auto A/C controls in console. I found the A/C clutch compressor I found an A/C fan fuse but I cannot find an HVAC fuse to turn off the power to the dash. I feel like it’s attached to something else but I cannot find anything in the books. Please help
Wednesday, March 16th, 2022 AT 7:26 AM

6 Replies

Tiny
AL514
  • MECHANIC
  • 5,584 POSTS
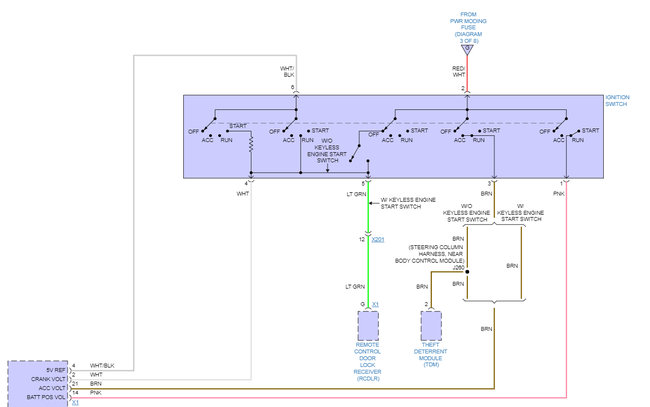
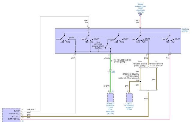
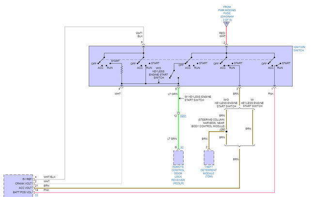
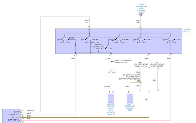
Hello, it looks like the HVAC is powered up from different fuses and the Body Control module for different purposes. i.e. the display, the controls, etc. The second diagram looks like the control unit fuse. The display part is also powered through the radio fuse, but here's all of them. The RDO fuse looks like the memory fuse since it's a constant battery feed. It probably also keeps the Radio memory. If you pull that fuse you may need to the Radio Code to reset the radio afterwards.

https://www.2carpros.com/articles/how-to-check-a-car-fuse
Was this
answer
helpful?
Yes
No
+1
Wednesday, March 16th, 2022 AT 10:16 AM
Tiny
JOE WRIGHT2
  • MEMBER
  • 81 POSTS
Thanks, so I removed the blend door actuator to look at it and see if there was a problem there, but I don’t see any problem, it’s moving back-and-forth, and raising or lowering the temperature, but only the driver side responds. The passenger side continues to blow cold air. If I separate the two temperature controls, on the dash, and use the driver side individually, and passenger side individually, they both respond and temper the air to their corresponding sides. Only when I use the driver side temperature for both zones does the passenger side not respond.
Was this
answer
helpful?
Yes
No
+1
Wednesday, March 16th, 2022 AT 9:29 PM
Tiny
JOE WRIGHT2
  • MEMBER
  • 81 POSTS
Adding info... In the auto mode or manual mode, the temp on the passenger side is about 10° cooler than the drivers side no matter where I put the temperature on the drivers side temp control... And as I stated before, if I separate them and use both sides temp controls, they will respond correctly, and temper correctly.
Was this
answer
helpful?
Yes
No
Wednesday, March 16th, 2022 AT 9:46 PM
Tiny
AL514
  • MECHANIC
  • 5,584 POSTS
Okay. Well, all the door actuators are all powered and commanded directly from the HVAC control module (The one in the center of the dash), it's different than the Radio/HVAC controller which has the switches. The two communicate through the GMLAN low speed bus. So, on the Controller (let's call the HVAC module with the switches that), I see Blower Motor Switch, Recirculation Switch, Mode Switch, Left Air Temperature Switch (driver), Left Air Temperature Switch (passenger), and Auto Switch.
And what's strange is I only see one Inside Air Temperature sensor, usually with a system like this where the two sides can be set to different temperatures, there's a Temperature sensor for each side.
Were you able to see if the passenger side actuator was opening the door the full range or was that just the driver side that you checked? I have the diagrams pulled up here for the Auto HVAC system. There are four doors in total.

It's possible too that there may be a fault code stored in the HVAC control module if the module sees that the door is only opening so far, and not the full range. Each of these doors has a potentiometer on them, it's just like a throttle position sensor, 0-5-volt range, and as the door moves the voltage will increase or decrease telling the module exactly where the doors location is.
Which button do you push to separate the two sides for different temperatures?

I just wanted to put this up too so you can see which actuator doors do what. It looks like #7, the Mode actuator door is probably the one that divides the two sides for separate temperature settings.
Was this
answer
helpful?
Yes
No
+1
Thursday, March 17th, 2022 AT 8:47 AM
Tiny
JOE WRIGHT2
  • MEMBER
  • 81 POSTS
So, I just tried to car again and it seems like the driver side is always warmer than the passenger side whether I put it in automatic mode or manual mode if I set the driver's side control at 75° the driver side is about 10 to 15° warmer than the passenger side. If I set them individually at 75 the driver side is still about 10 to 15° warmer.
Was this
answer
helpful?
Yes
No
Thursday, March 17th, 2022 AT 9:14 AM
Tiny
AL514
  • MECHANIC
  • 5,584 POSTS
Then one of the doors is not making its full range of movement, or there are 2 sensors called SunLoad sensors, they are photodiodes that change resistance according to the amount of light they receive. I work with these sensors all the time in my other job. The temperatures may differ due to these sensors, I'll put the information below about this system. There may be that one of the sensors is not exactly the same resistance as the other, the HVAC system adjusts the temperature automatically if there is a difference between the two.
It's one of the two scenarios. either a door is not moving fully, or the Sunload sensors may be changing the temperature a slight amount. Alot of what this HVAC system does is automatic. You may want to check the cabin air filter too, I'm not sure how and if that will change anything, but it's worth seeing if it needs to be changed. But here's some information on how the system works and I will pull up the directions for checking the cabin air filter.
The first diagram explains how to check the voltage signals for door movement at the actuator. It's for the passenger side Air temperature door. The SunLoad sensors info is the last diagram.
The last three diagrams are for the Cabin Air filter.

https://www.2carpros.com/articles/how-to-use-a-voltmeter
Was this
answer
helpful?
Yes
No
+1
Thursday, March 17th, 2022 AT 9:36 AM

Please login or register to post a reply.