HVAC fan not working

Tiny
IOWABARON
  • MEMBER
  • 2001 DODGE DAKOTA
  • 4.7L
  • V8
  • 4WD
  • AUTOMATIC
  • 100,000 MILES
Fan and A/C working while driving. Stopped, shut off vehicle. Started driving again and no fan but A/C light is on. A/C light stays on with switch in any position, usually light would go out when fan switch is in the off position. A/C clutch in engine bay will turn on/off when pushing A/C switch.

Blower motor and resistor was replaced about one and half years ago.
Sunday, June 23rd, 2019 AT 11:45 AM

3 Replies

Tiny
ASEMASTER6371
  • MECHANIC
  • 52,796 POSTS
Good afternoon,

Do you have a volt meter or test light to do some tests?

https://www.2carpros.com/articles/how-to-check-wiring

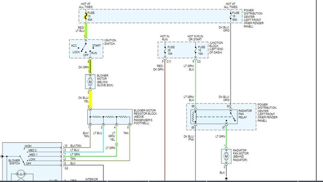
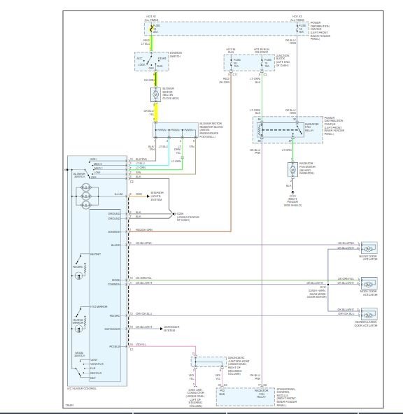
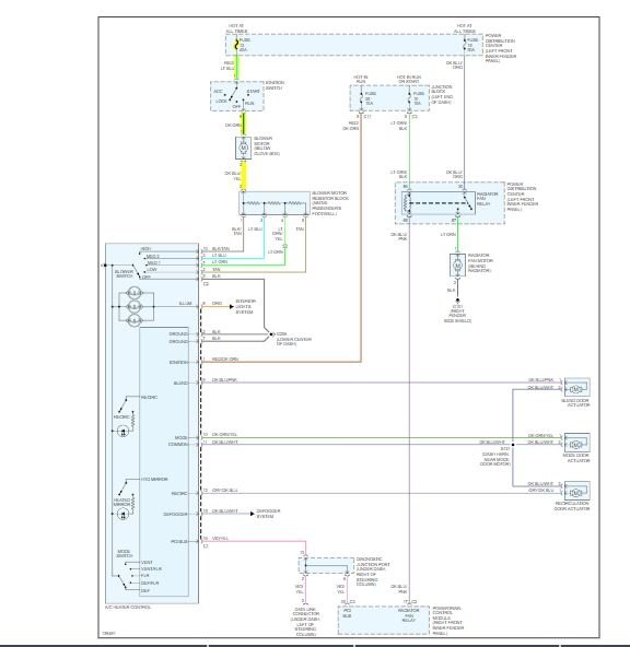
I attached a wiring diagram for you to view. Test the fuses for power on both sides.

https://www.2carpros.com/articles/how-a-car-fuse-works

Roy
Was this
answer
helpful?
Yes
No
+1
Monday, June 24th, 2019 AT 2:05 PM
Tiny
IOWABARON
  • MEMBER
  • 5 POSTS
Thanks, I have a 12v test light. Will look into it more on my days off.
Was this
answer
helpful?
Yes
No
Tuesday, June 25th, 2019 AT 3:39 AM
Tiny
ASEMASTER6371
  • MECHANIC
  • 52,796 POSTS
Sounds like a plan.

Keep us updated.

Roy
Was this
answer
helpful?
Yes
No
Tuesday, June 25th, 2019 AT 3:43 AM

Please login or register to post a reply.