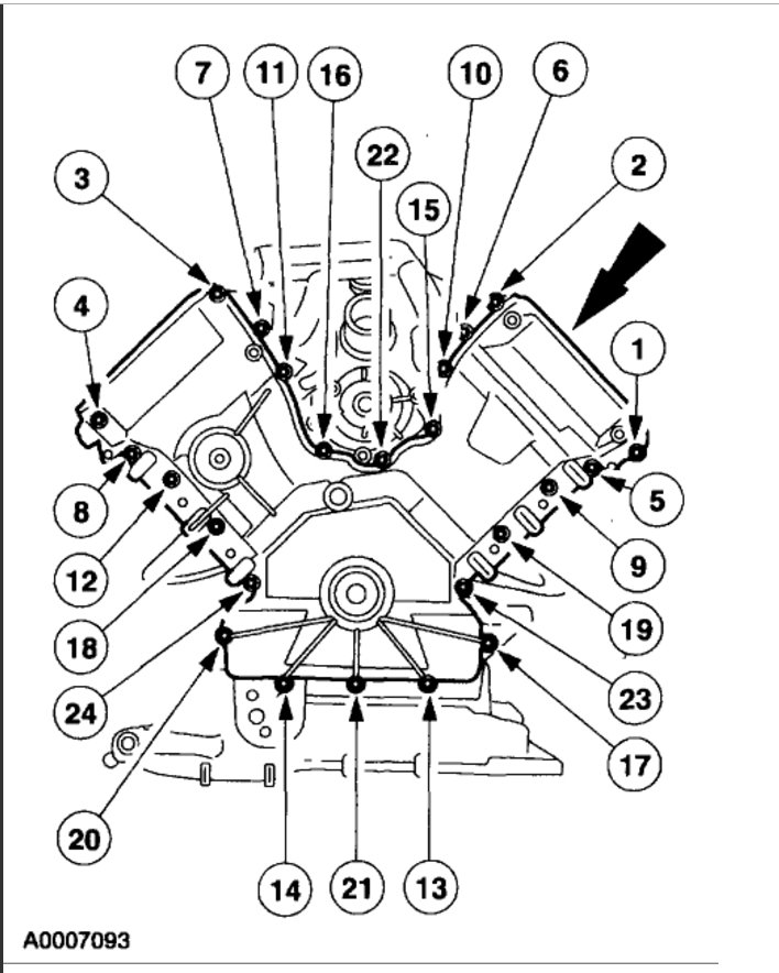
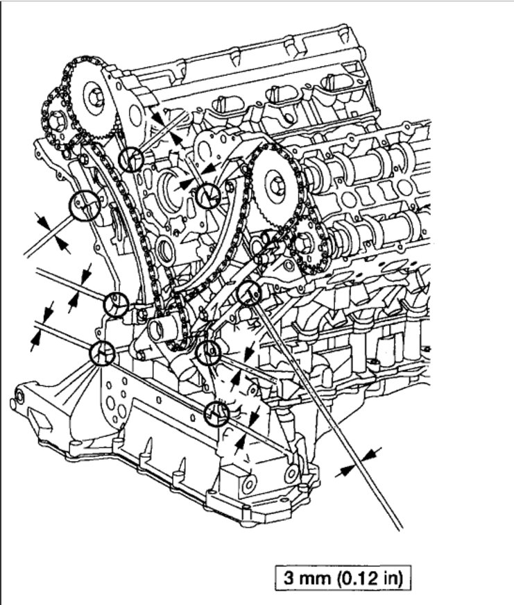
Timing cover removal

Tiny
PABLOSPD
  • MEMBER
  • 2000 LINCOLN LS
  • 3.9L
  • V8
  • RWD
  • AUTOMATIC
  • 167,453 MILES
I cannot get the timing chain cover off. What all do I have to remove to get it off?
Sunday, September 3rd, 2017 AT 3:24 PM

1 Reply

Tiny
KEN L
  • MASTER CERTIFIED MECHANIC
  • 55,535 POSTS
First disconnect the battery so you will not create a short circuit. you will need to move the serpentine belt and then the front balancer.

Here are some guides that will give you an idea on what to do on that:

https://www.2carpros.com/articles/replace-serpentine-belt

and

https://www.2carpros.com/articles/how-a-harmonic-balancer-works

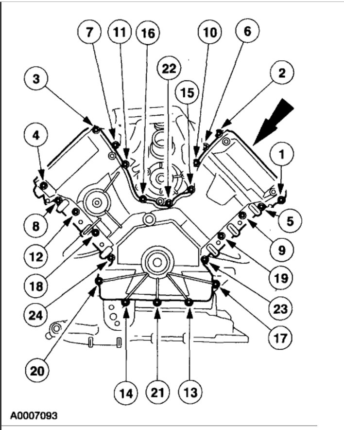
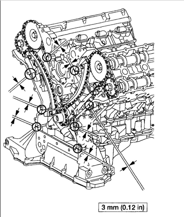
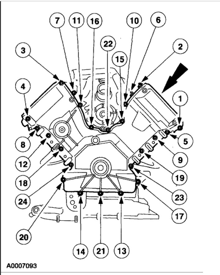
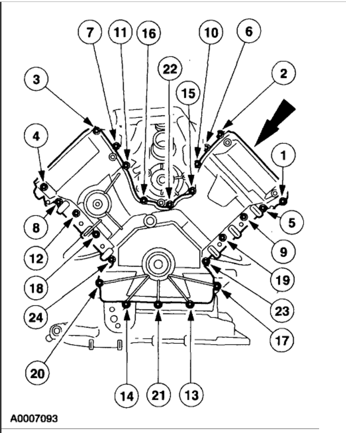
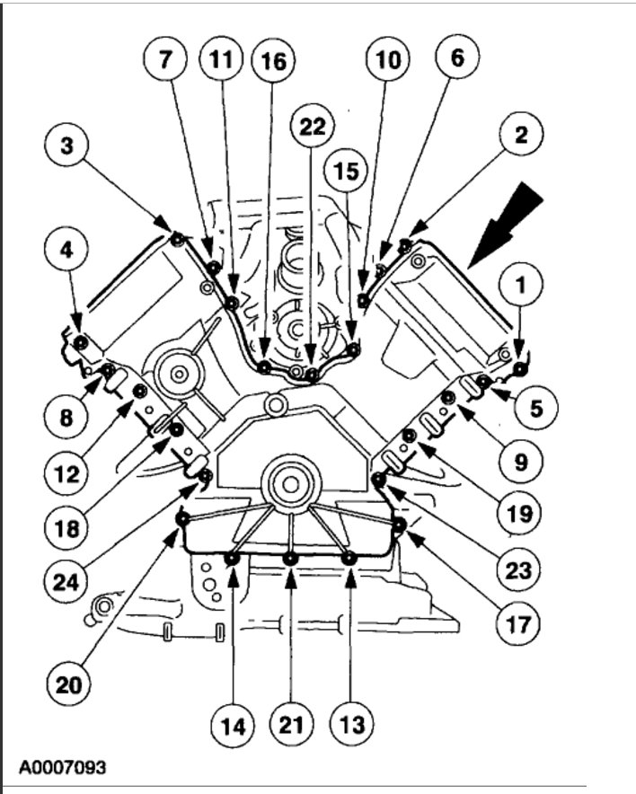
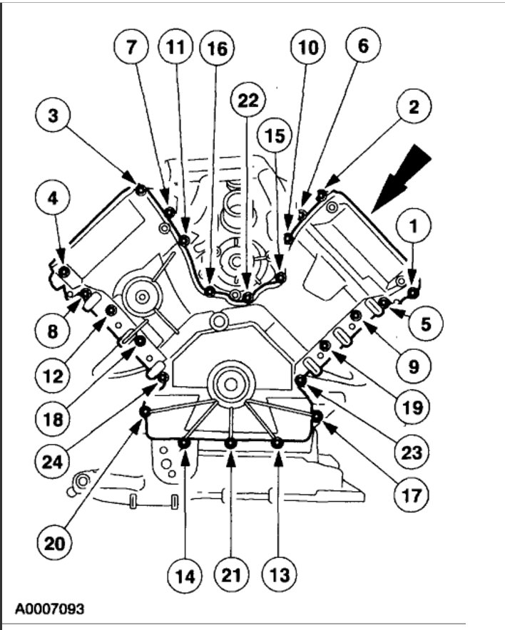
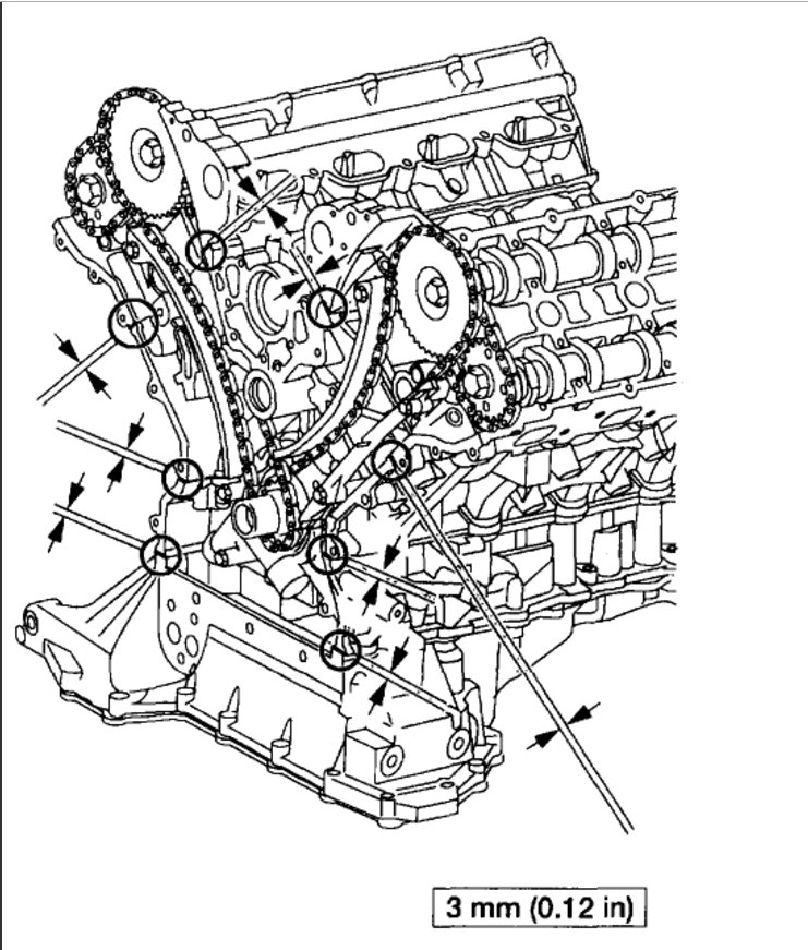
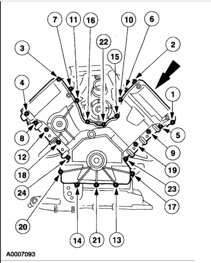
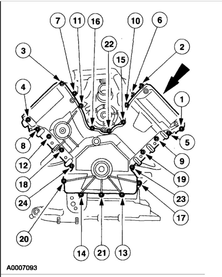
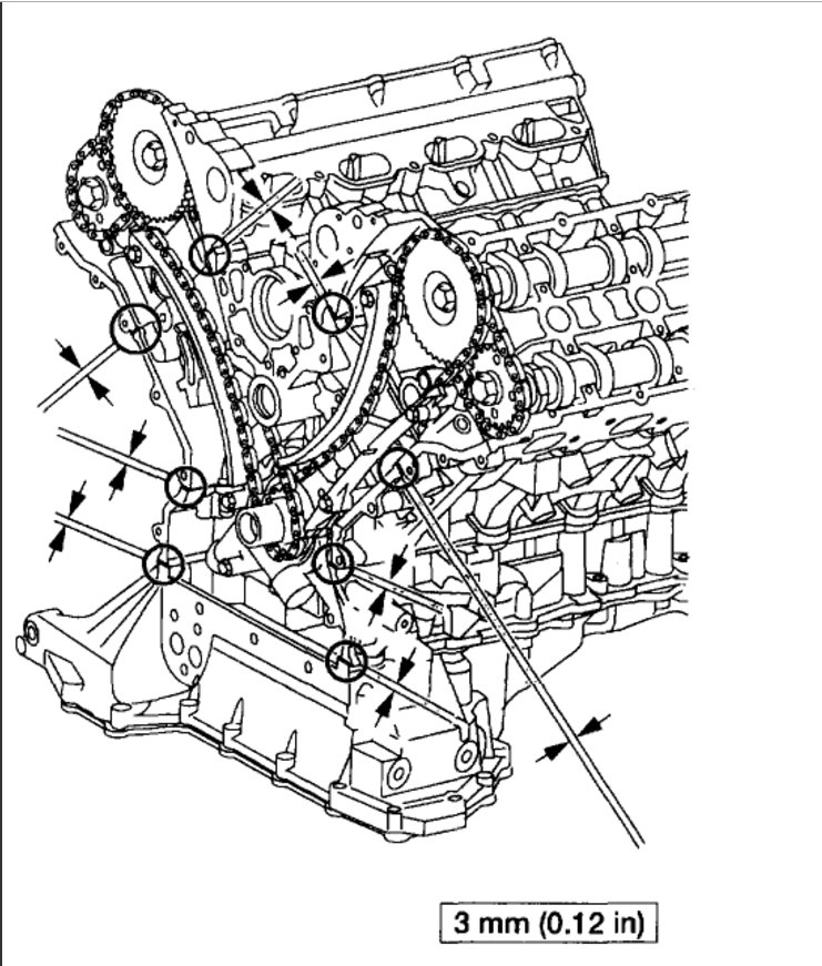
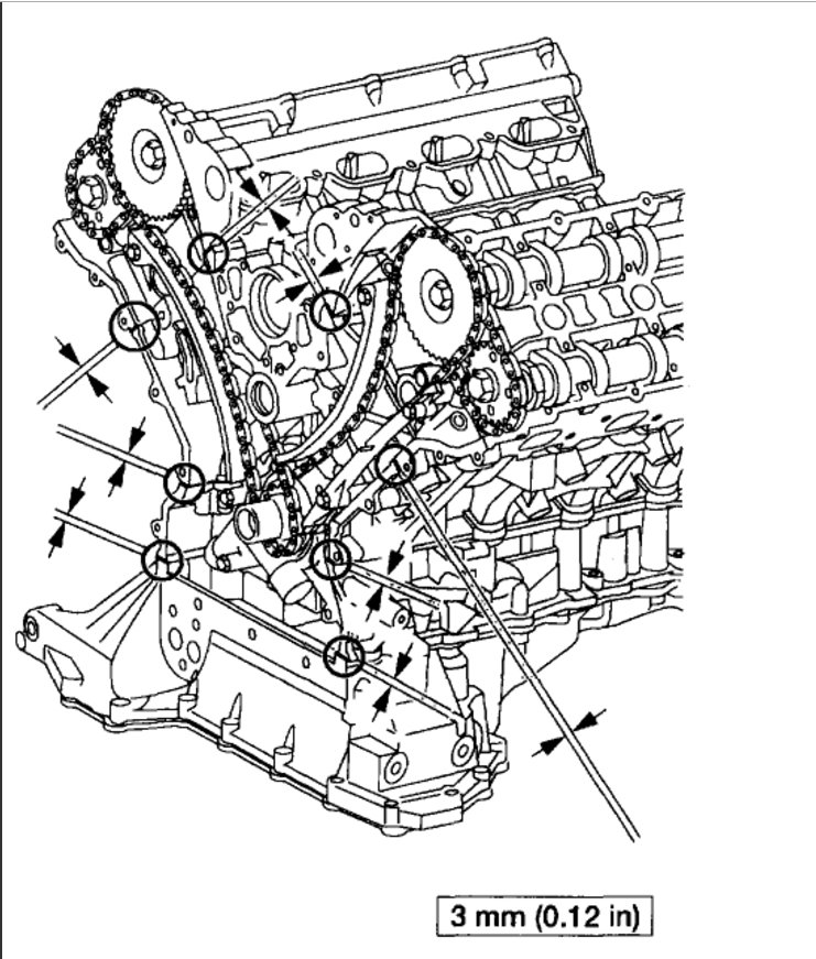
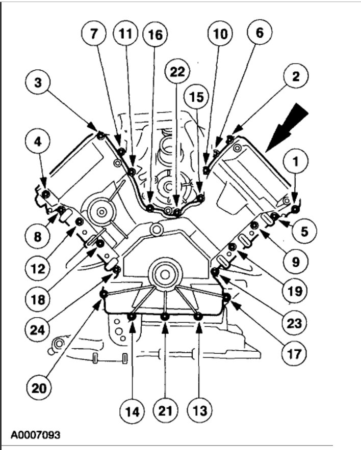
Below are the timing cover diagrams needed to help you do the job.

Please let us know what happens and upload pictures of the problem.

Cheers, Ken
Was this
answer
helpful?
Yes
No
-1
Tuesday, September 5th, 2017 AT 2:42 PM

Please login or register to post a reply.