No taillights no running lights, no, turn signals and no hazard lights

Tiny
TABETHACRAIGIE
  • MEMBER
  • 2006 CHEVROLET EQUINOX
  • 4.2L
  • V6
  • 2WD
  • 200,000 MILES
I have no taillights no running lights, no, turn signals, no hazards and no panel where my speedometer is lights at all.

I have a friend here looking at it and I don't know how to remove it without breaking the center panel or you turn on the shift.
Friday, February 14th, 2020 AT 11:23 AM

1 Reply

Tiny
KEN L
  • MASTER CERTIFIED MECHANIC
  • 55,499 POSTS
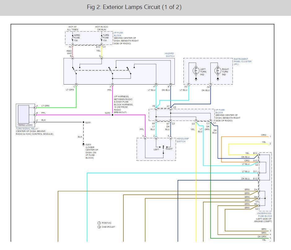
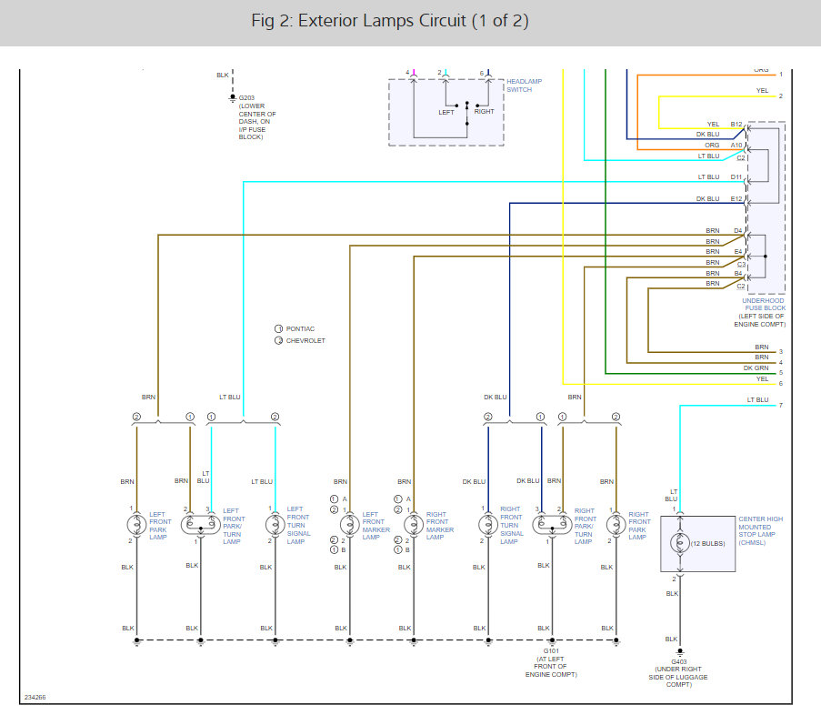
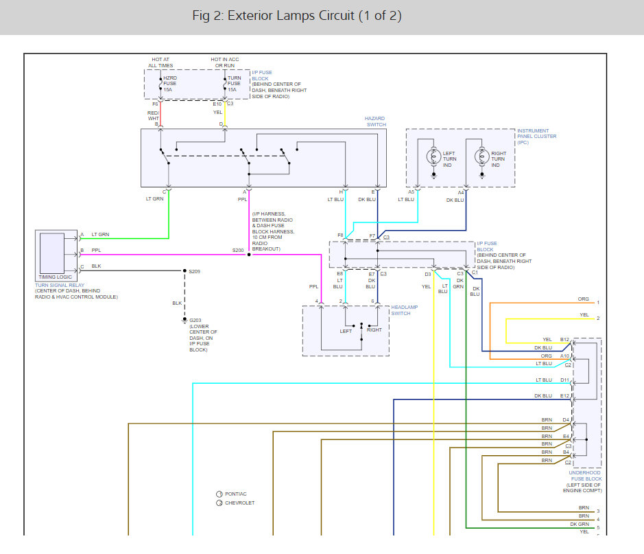
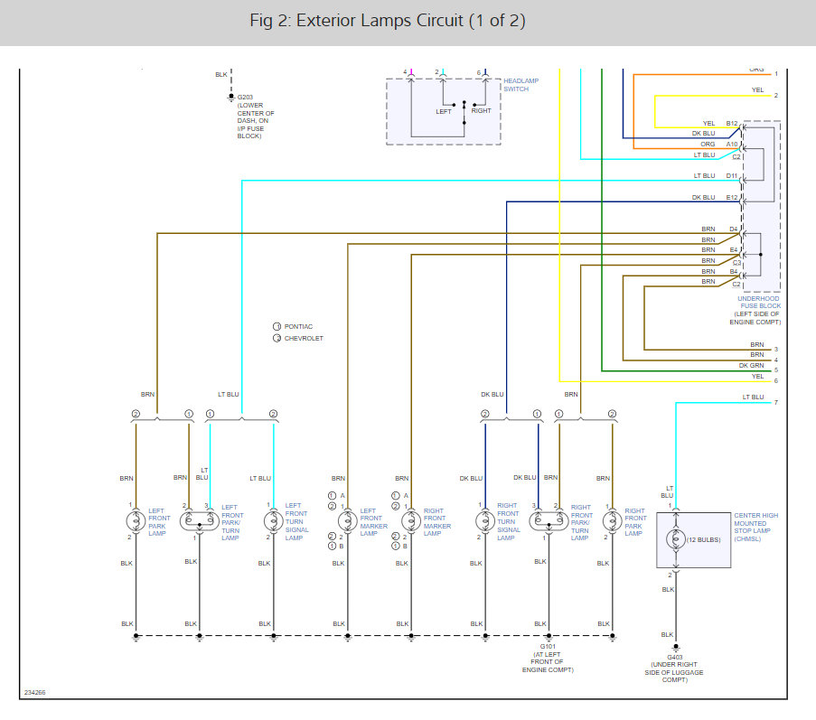
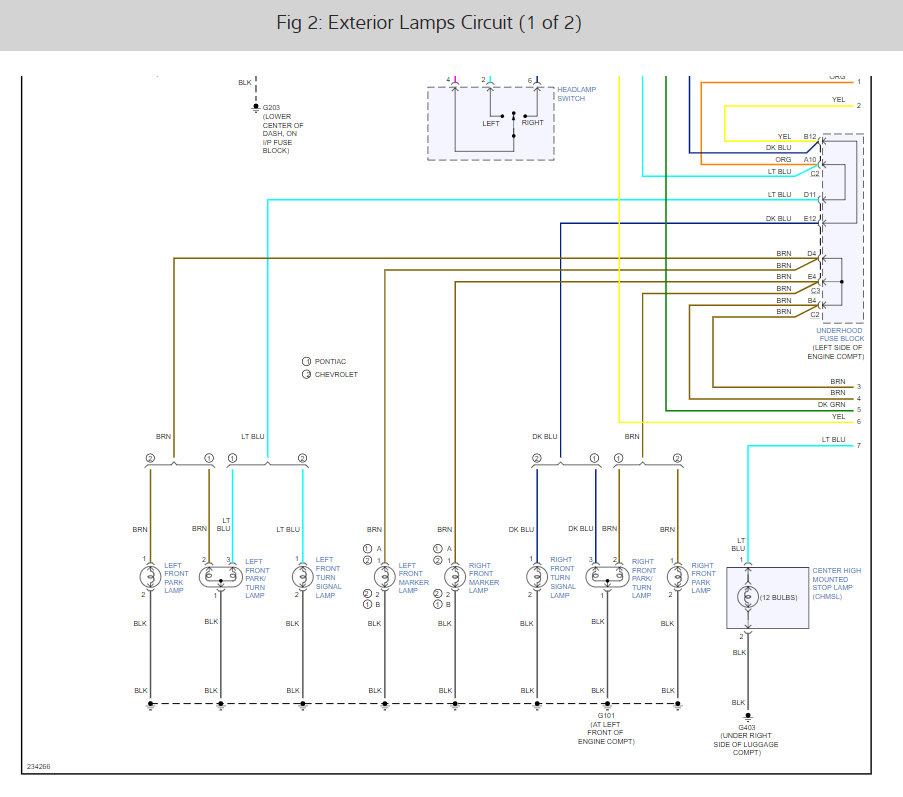
There are three fuses (turn, hazard, park) and one relay that run the system. Here is a guide to help you test the fuses and relay with the fuse and tail light relay location. Also I have included the wiring diagrams so you can see how the system works.

https://www.2carpros.com/articles/how-to-check-a-car-fuse

and

https://www.2carpros.com/articles/how-to-check-an-electrical-relay-and-wiring-control-circuit

Check out the diagrams (below). Please let us know what happens.
Was this
answer
helpful?
Yes
No
Wednesday, February 19th, 2020 AT 10:51 AM

Please login or register to post a reply.