Headlight and blinker wiring diagrams please

Tiny
CTORRES
  • MEMBER
  • 2016 TOYOTA COROLLA
  • 1.8L
  • 12,000 MILES
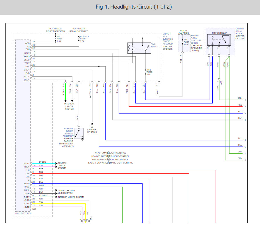
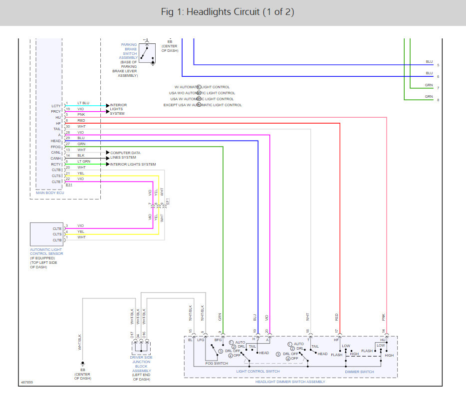
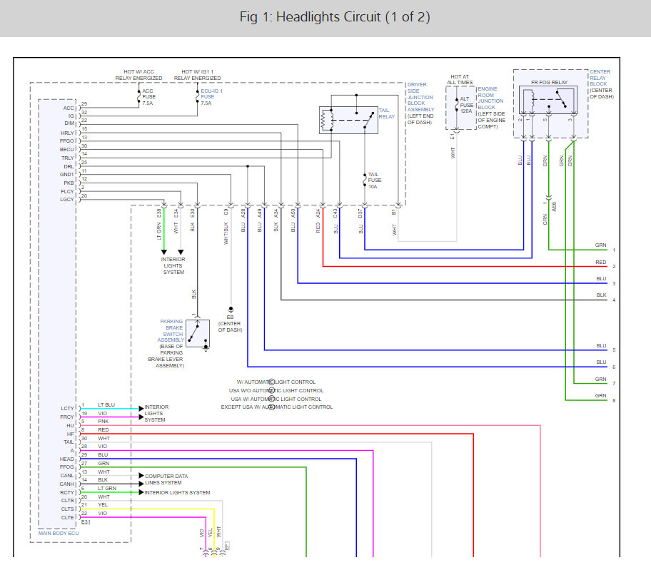
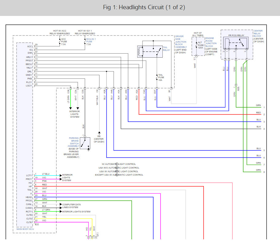
I have some problem with headlight and blinker lights. Sometimes when people help me and send to me wiring diagram is difficult to understand what the numbers, letters and some symbols mean.
Monday, March 23rd, 2020 AT 7:36 PM

9 Replies

Tiny
JACOBANDNICKOLAS
  • MECHANIC
  • 110,192 POSTS
Hi,

Numbers can refer to pins in a harness, the fuse amperage, and so on. As far as the letters, it's the same. Now, if you don't recognize symbols, if you look online for automotive schematic symbols, it should help.

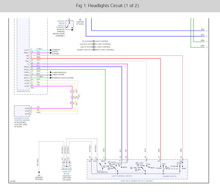
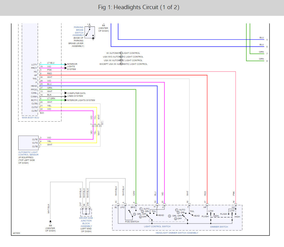
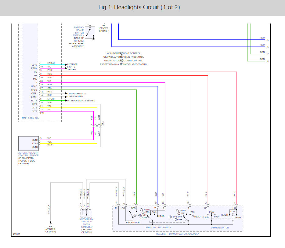
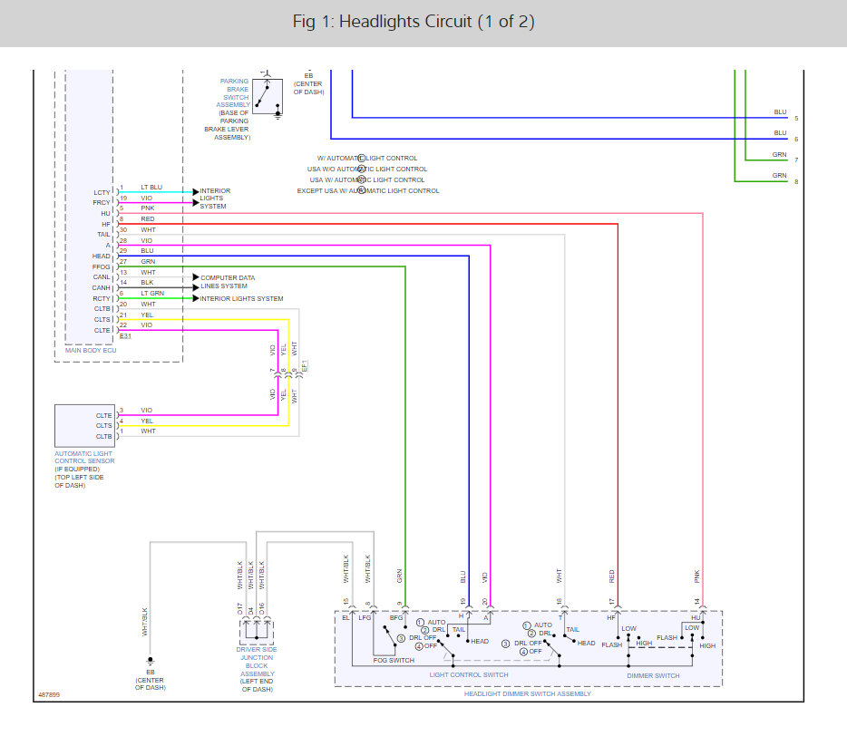
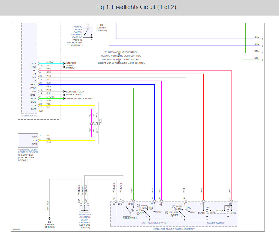
Here is a guide to help test with the blinker and headlight diagram below.

https://www.2carpros.com/articles/how-to-check-wiring

Let me know what is going on. Maybe I can help.

Take care,
Joe
Was this
answer
helpful?
Yes
No
+3
Tuesday, March 24th, 2020 AT 12:51 PM
Tiny
CTORRES
  • MEMBER
  • 67 POSTS
Hi Joe, it's my again. Yesterday other member sent to my wiring diagram and the wire show me a capital letter. I know the wire is on the junction block because the wiring diagram tell me but when I look the junction block I look a lot of wire with the same color and 4 plugs.
How can I identify the plug to be faster?

Thanks for your time.
CTORRES
Was this
answer
helpful?
Yes
No
Tuesday, March 24th, 2020 AT 1:30 PM
Tiny
JACOBANDNICKOLAS
  • MECHANIC
  • 110,192 POSTS
Hi, my friend. I'm glad to hear from you again. When looking at the schematic, the numbers indicate the connection to the box. What to do is focus on the specific part to be checked and then identify what pin the number is relevant. Locate that pin and that is where you will check.

When you received the pics, did he provide connector information? If you look at the pic you sent me, you see different connectors going to the same place. The letters indicate which harness (connector) it goes to.

Let me know if that helps you.

Take care of yourself and I hope your health remains strong. Things are a bit crazy in the entire world at this point.

Joe
Was this
answer
helpful?
Yes
No
Tuesday, March 24th, 2020 AT 4:39 PM
Tiny
CTORRES
  • MEMBER
  • 67 POSTS
Hi Joe, thanks for your wishes and take care you too.
Talking about my question I want to tell you when he sent me the picture he did not give me information the connector. Passed a lot of time and I found the connector and performed operational test. But I wish perform all troubleshooting faster.
Right now I know about the color, number pin and location system, but is very hard to understand harness (connector) need to work.
Can you give me an example with the picture I sent? Which is the connector for my example.
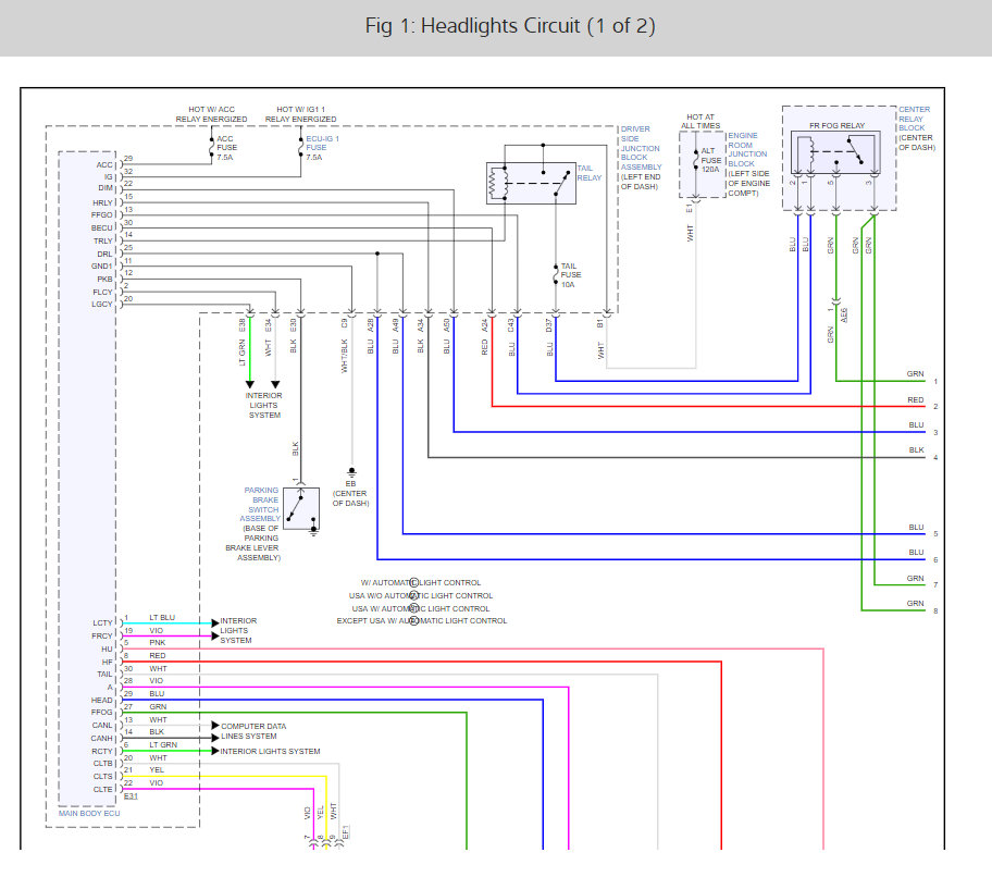
Exp: Locate the 2 wires yellow. E39, E24 on junction block.

Thanks again for your time and patience. Take care.
CTORRES
Was this
answer
helpful?
Yes
No
Wednesday, March 25th, 2020 AT 1:28 PM
Tiny
JACOBANDNICKOLAS
  • MECHANIC
  • 110,192 POSTS
Hi,

Are there any identification marks on the connectors?
Was this
answer
helpful?
Yes
No
Thursday, March 26th, 2020 AT 3:45 PM
Tiny
CTORRES
  • MEMBER
  • 67 POSTS
Morning. Well, I have been searching some identification marks on the connector or junction box surface but I didn’t find anything.

Thanks.
CTORRES
Was this
answer
helpful?
Yes
No
Friday, March 27th, 2020 AT 7:06 AM
Tiny
KEN L
  • MASTER CERTIFIED MECHANIC
  • 55,335 POSTS
Hello,

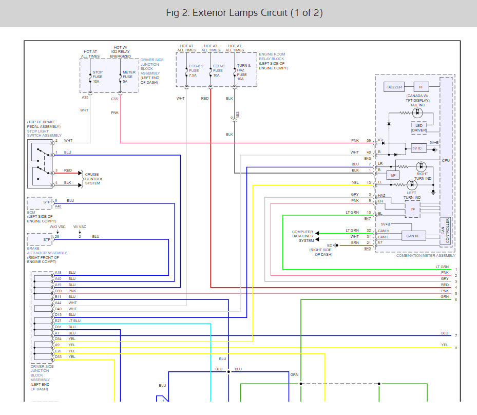
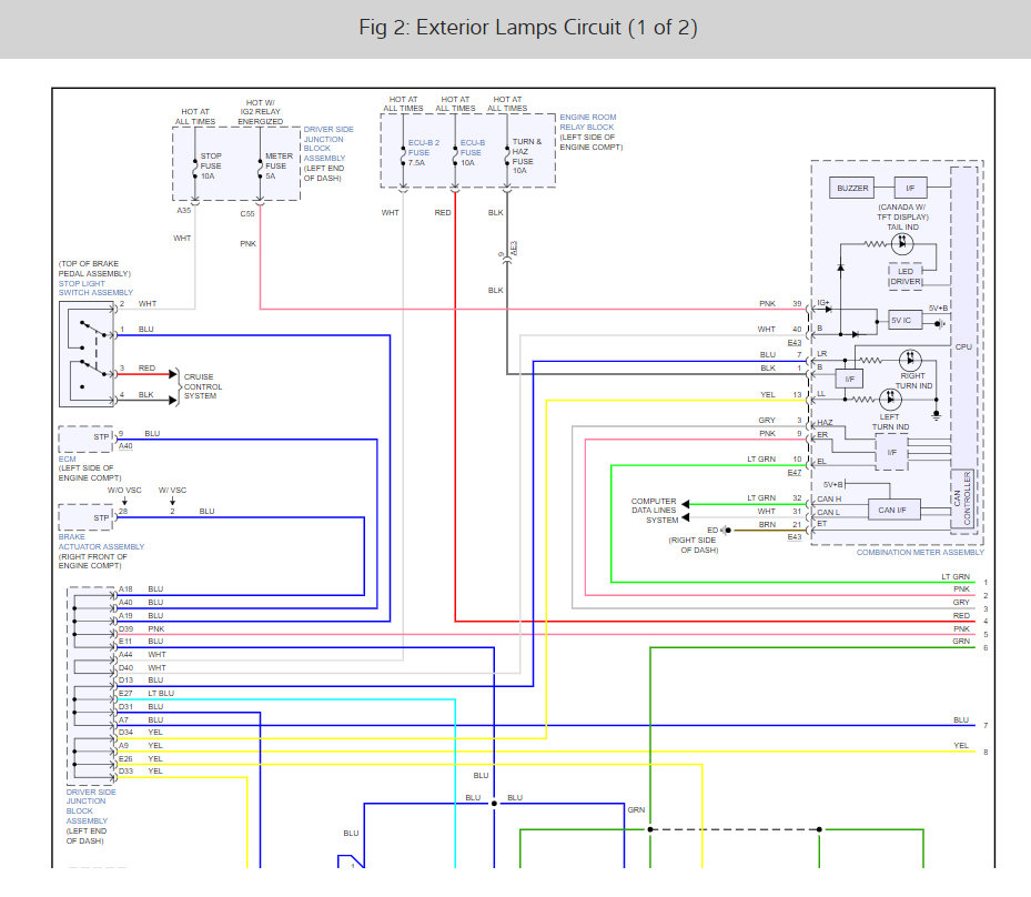
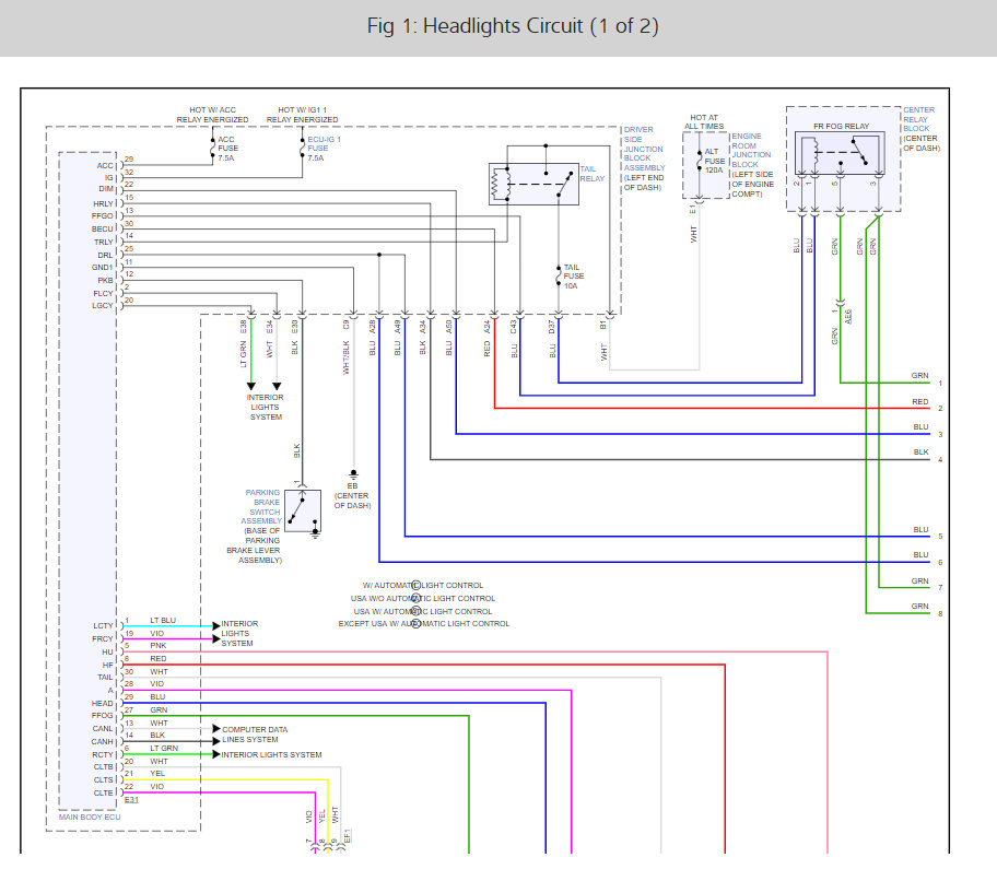
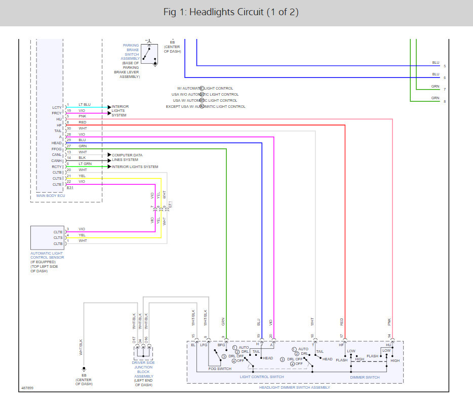
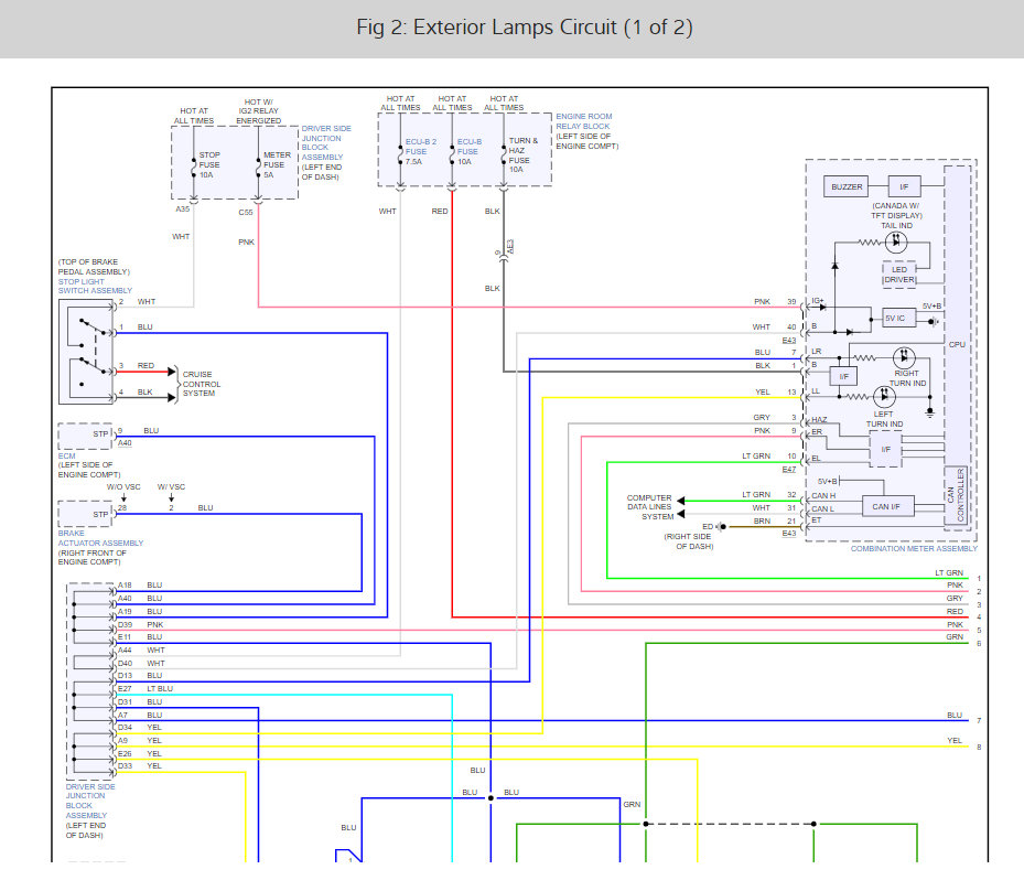
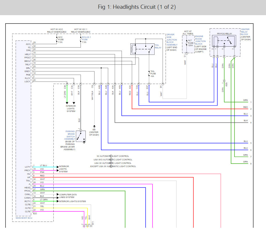
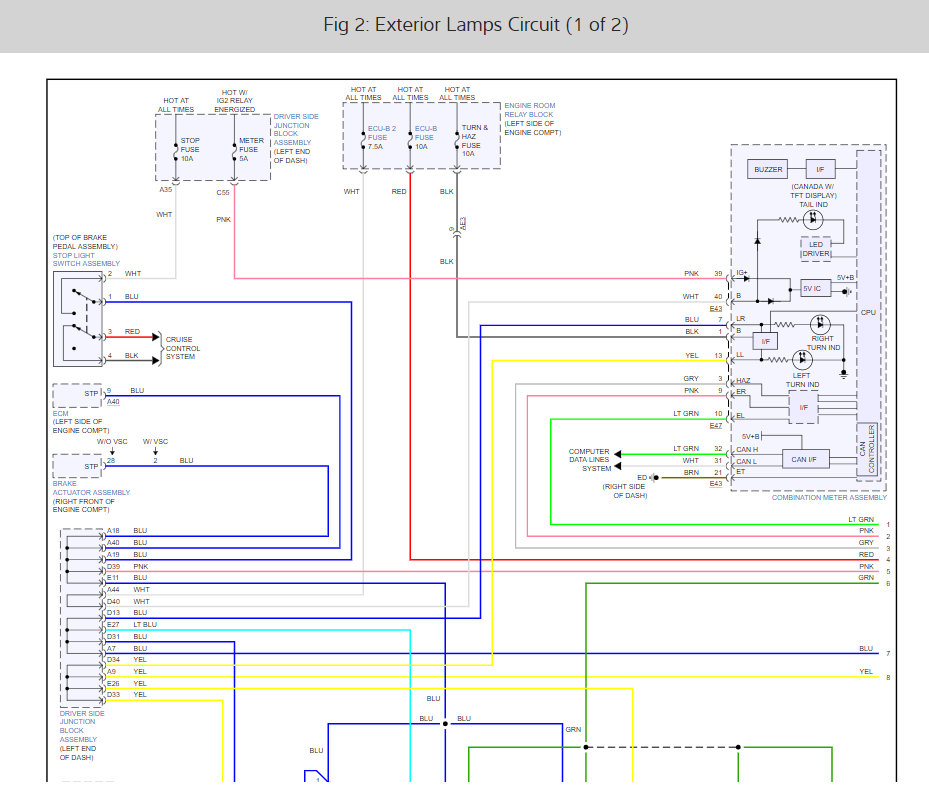
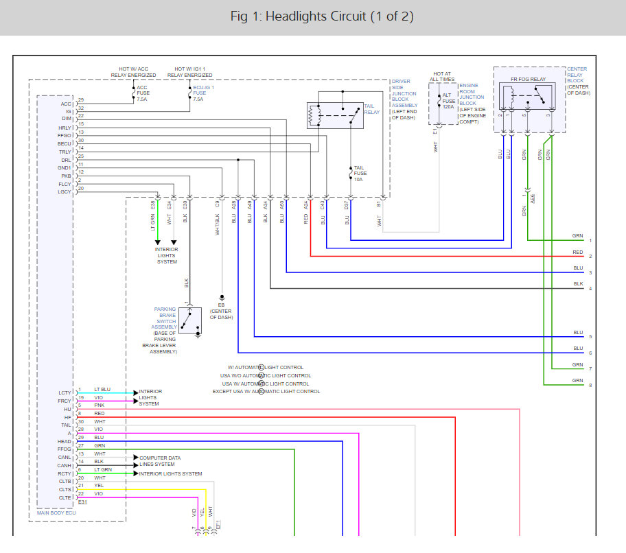
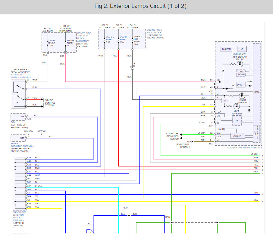
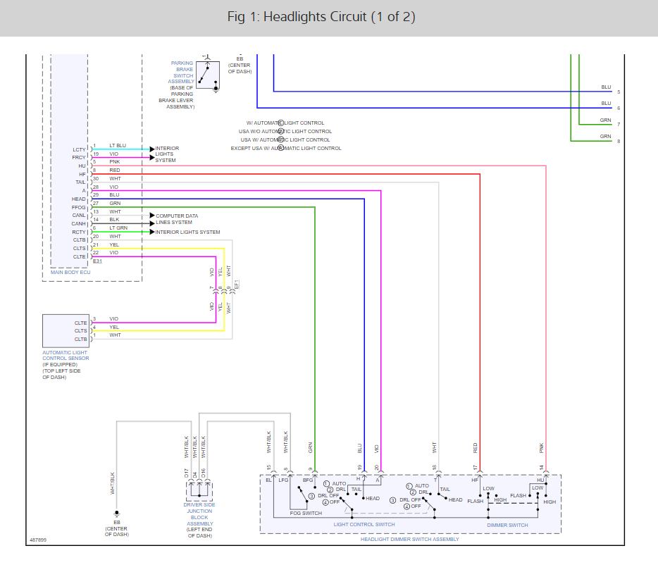
If I can jump in here. It seems like you do not have the entire wiring diagrams so they are confusing. here is a guide to help you with the testing and the complete lighting wiring diagrams so you can see how the system works and which wires to test:

https://www.2carpros.com/articles/how-to-check-wiring

Can I ask what kind of problems you are having? Check out the diagrams (below). Please let us know what you find. We are interested to see what it is.
Was this
answer
helpful?
Yes
No
Friday, March 27th, 2020 AT 10:11 AM
Tiny
CTORRES
  • MEMBER
  • 67 POSTS
Morning Ken. Well I appreciate your time and want to tell you the link you sent me was amazing I learned a lot of things I didn’t know.
But I still don’t understand how can you identify faster the connector the pic show me.
For instance I need identify on pic (blue wire D37 tail fuse) on the junction block. When I lock the junction box there are 4 connector and a lot of blue wires. I can find the wire but I wish identify faster the connector and wire to perform the test.
I don’t know if the capital letter “D” meaning the plug.

Thanks,
CTORRES
Was this
answer
helpful?
Yes
No
Saturday, March 28th, 2020 AT 7:06 AM
Tiny
STEVE W.
  • MECHANIC
  • 15,685 POSTS
That is when a connector view is handy. All of the connectors will be slightly different shapes or keyed different to keep them from being installed wrong. Also many times you can ID a connector using the wire colors that are next to other wires.
That said, could I ask what the issue you are having with the lights is? That might help narrow down the correct connector numbers and wires.
Was this
answer
helpful?
Yes
No
Sunday, March 29th, 2020 AT 7:07 AM

Please login or register to post a reply.