Tuesday, January 9th, 2018 AT 9:49 AM
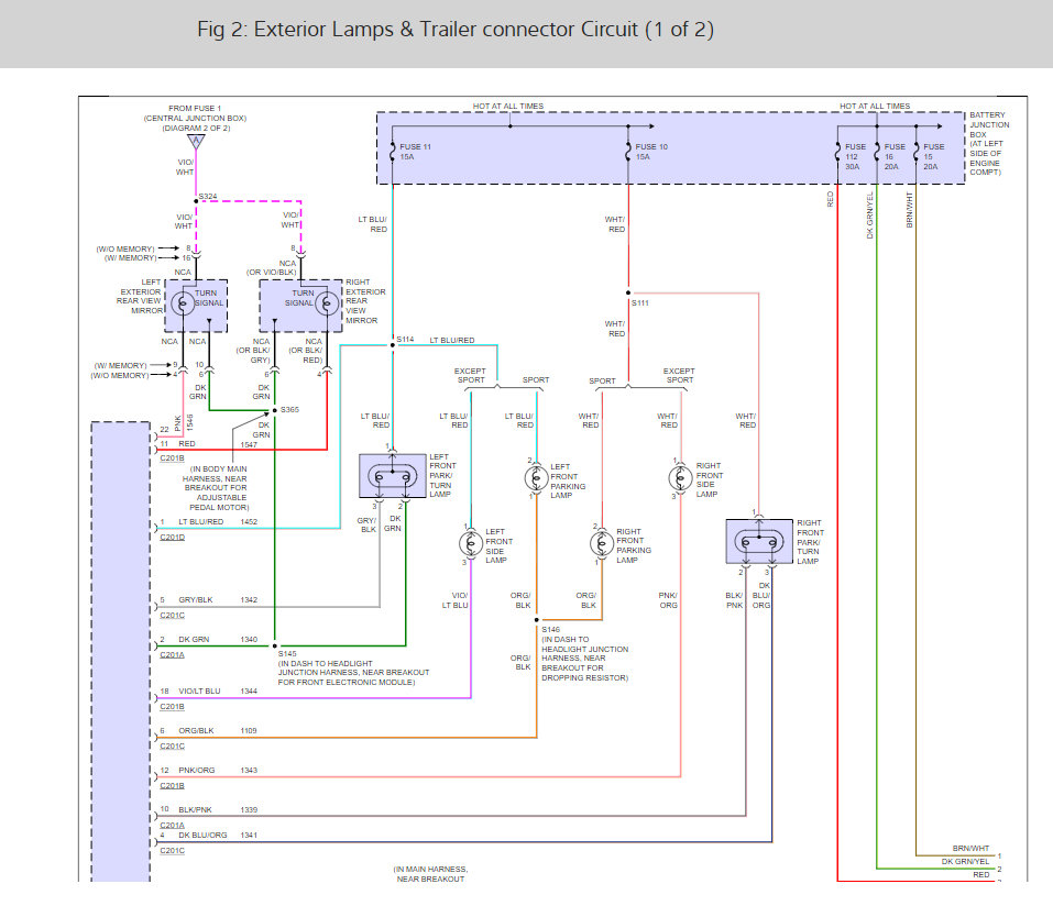
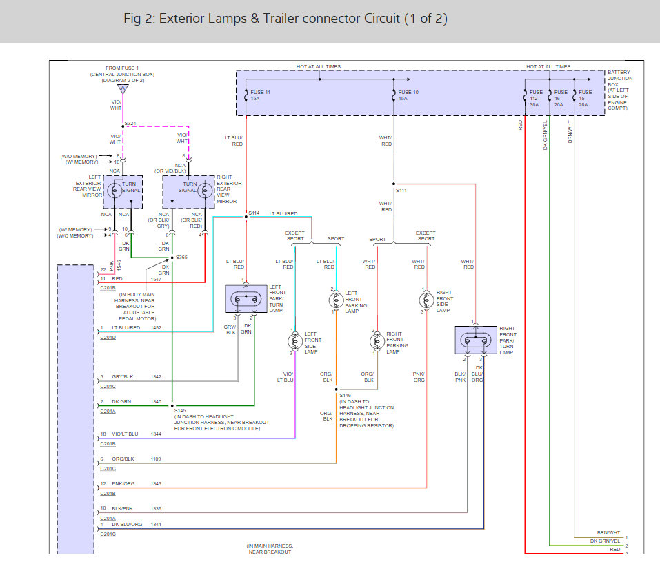
After I changed my alternator and serpentine belt, I connected the battery cables and the hazard lights were flashing the only way to stop them is to take off the positive battery cable. I have looked for blown fuses, I have pulled every relay, I have locked and unlocked the drivers door with my key. I have looked behind the glove box for a relay there is not one. I cannot keep driving with the flashers going on. What is my next thing to check?


