Replacing motor mounts

Tiny
CARE8EAR86
  • MEMBER
  • 2003 HONDA ACCORD
  • 0.5L
  • 4 CYL
  • AUTOMATIC
  • 55,000 MILES
How many motor mounts does it have?
Friday, July 3rd, 2020 AT 12:18 PM

3 Replies

Tiny
ASEMASTER6371
  • MECHANIC
  • 52,796 POSTS
Good afternoon,

There are a total of 4 mounts.

One at the front of the motor, one at the transmission, one in the front and one on the rear of the engine.

https://www.2carpros.com/articles/replace-motor-mounts

What is the issue?

Roy

Was this
answer
helpful?
Yes
No
Friday, July 3rd, 2020 AT 12:36 PM
Tiny
CARE8EAR86
  • MEMBER
  • 2 POSTS
The motor mount on passenger side is worn and needs to be replaced, but I want to replace all mounts at the same time and don't want to order the wrong ones.
Was this
answer
helpful?
Yes
No
+1
Friday, July 3rd, 2020 AT 4:25 PM
Tiny
ASEMASTER6371
  • MECHANIC
  • 52,796 POSTS
Okay, I would go to rockauto. Com and get them there.

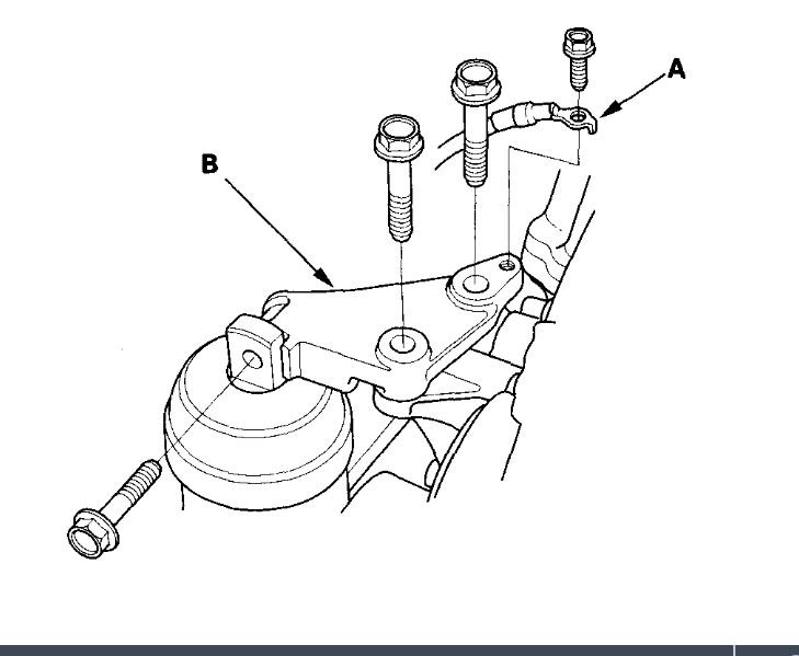
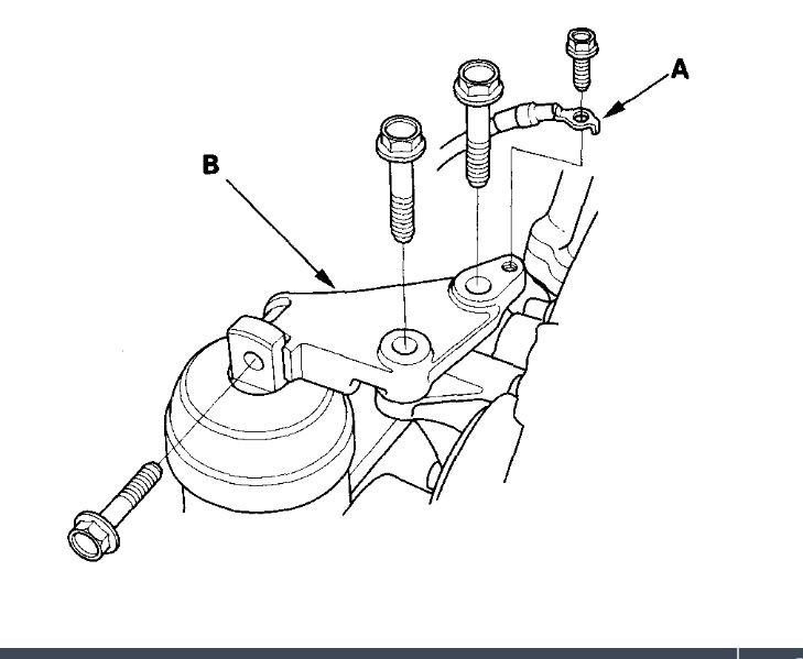
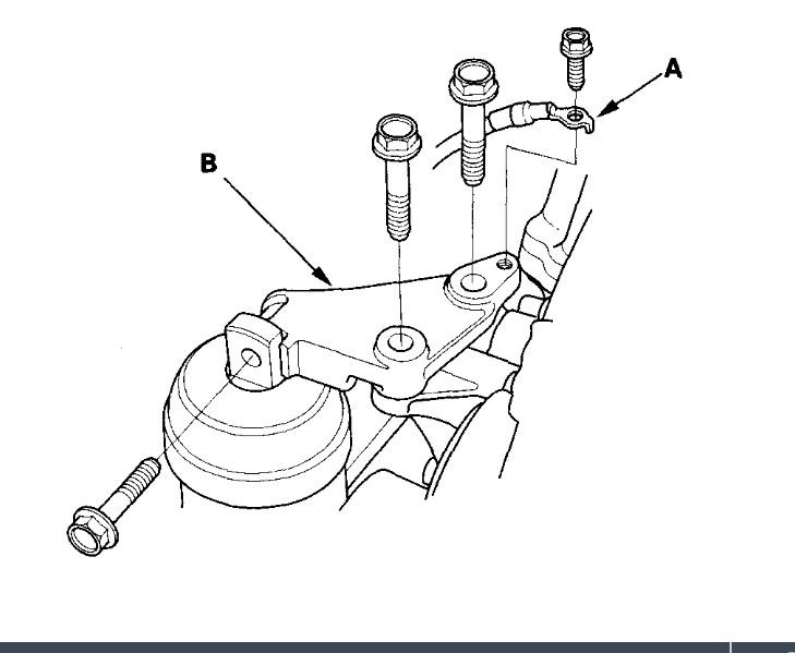
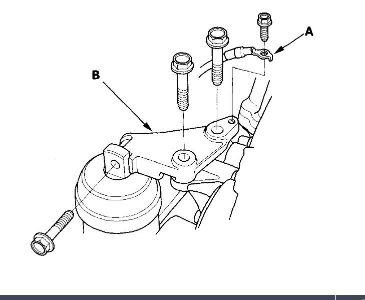
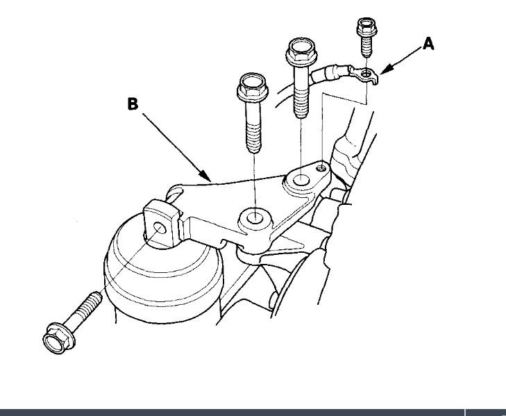
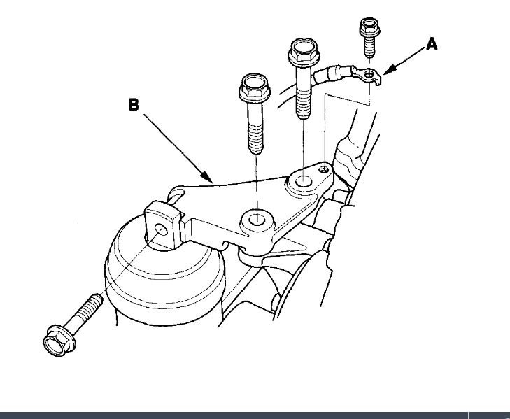
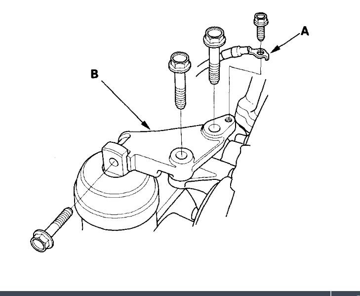
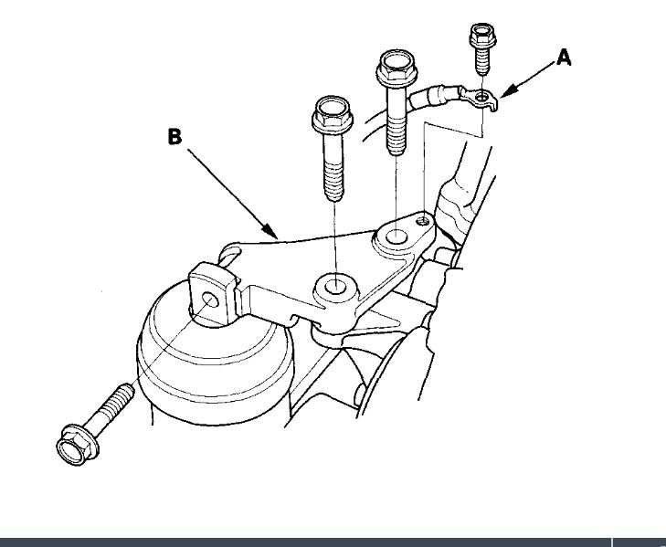
I attached the page that has the mounts and pictures for you.

Roy
Was this
answer
helpful?
Yes
No
Friday, July 3rd, 2020 AT 4:30 PM

Please login or register to post a reply.