What water pump works for my car?

Tiny
FORDSEAN04
  • MEMBER
  • 1988 HONDA ACCORD
  • 2.0L
  • 4 CYL
  • 2WD
  • 138,000 MILES
How do I find out what water pump to get for the car listed above? I do believe AutoZone has already sold me the wrong water pump. Just wandering.
Saturday, January 9th, 2021 AT 10:32 AM

2 Replies

Tiny
ASEMASTER6371
  • MECHANIC
  • 52,796 POSTS
Good afternoon,

I attached the pump for you from rock auto. Airtex is a common brand that most stores carry.

https://www.2carpros.com/articles/water-pump

https://www.2carpros.com/articles/water-pump-replacement

https://www.2carpros.com/articles/coolant-flush-and-refill-all-cars

I attached the procedure for you as well below.

Roy

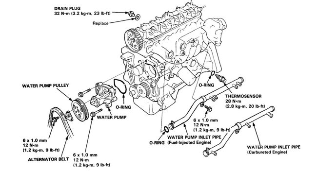
1. Remove Timing Belt, refer to Engine/Timing Components/Timing Belt.
2. Remove thermostat housing and water pump inlet pipe.
3. Remove the alternator bracket.
4. Remove the water pump and O-ring.
5. Replace all gaskets and O-rings when installing water pump.
6. Reverse procedure to install.

Note: When refilling cooling system, loosen bleed bolt on heater valve or water outlet, as equipped, and allow coolant to flow out until stream is free from bubbles.
Was this
answer
helpful?
Yes
No
Saturday, January 9th, 2021 AT 11:49 AM
Tiny
ASEMASTER6371
  • MECHANIC
  • 52,796 POSTS
Did you respond? I got an email but nothing came through.

Roy
Was this
answer
helpful?
Yes
No
Thursday, March 4th, 2021 AT 2:52 AM

Please login or register to post a reply.