Horn does not work?

Tiny
RICHARD.ROBINSON
  • MEMBER
  • 2001 FORD F-150
  • 5.4L
  • V8
  • 2WD
  • AUTOMATIC
  • 82,000 MILES
The horn will not work. I have already replaced the clock spring and tried another horn the other horn did the exact same thing, something else?
Saturday, May 19th, 2018 AT 7:05 PM

1 Reply

Tiny
SQM
  • MECHANIC
  • 6,383 POSTS
Hello,

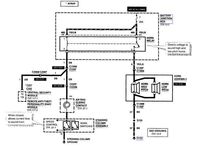
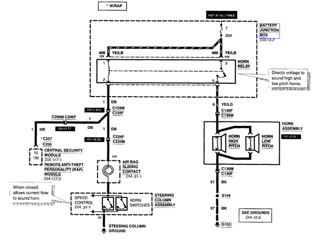
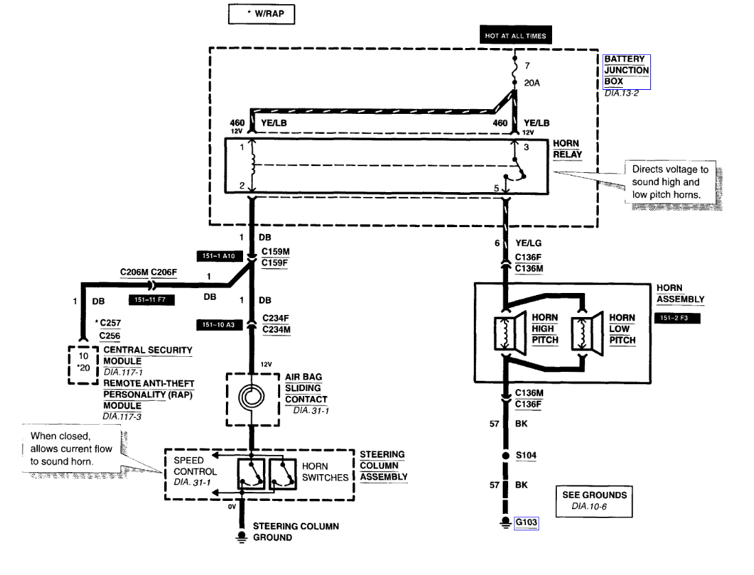
Have you checked the horn relay?
It could be a faulty relay that causing to have no horn.
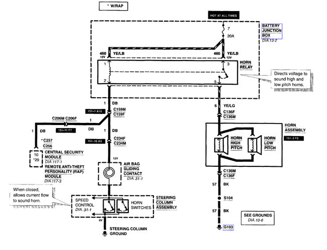
The relay is located under the hood fuse block. I have attached the diagram for your reference.

Here is a helpful article on how to test relays:

https://www.2carpros.com/articles/how-to-check-an-electrical-relay-and-wiring-control-circuit

https://www.2carpros.com/articles/how-to-use-a-voltmeter

It could also be a short somewhere in the horn wiring harness. I included the wiring diagram for the horn as well.

Please let me know of any questions.

Thank you.
Was this
answer
helpful?
Yes
No
Sunday, August 1st, 2021 AT 1:55 PM

Please login or register to post a reply.