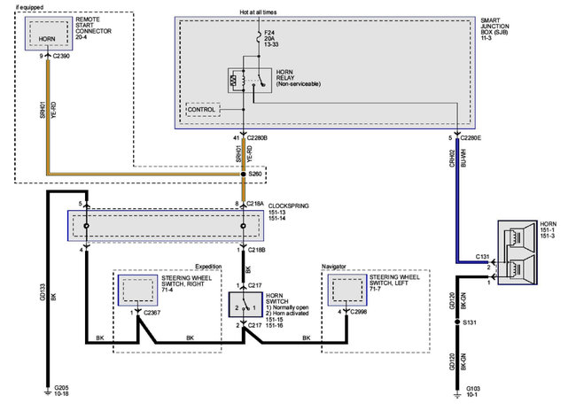
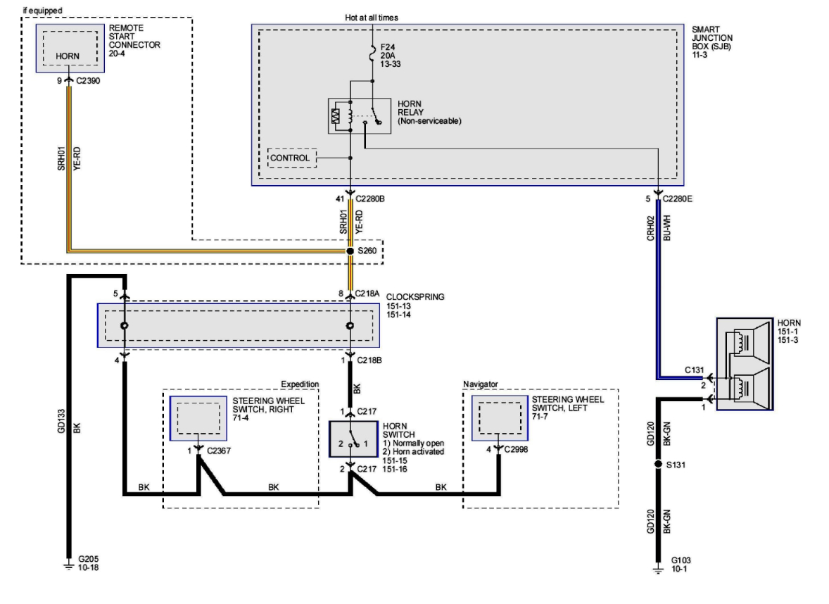
Horn will not work from wheel

Tiny
F1SH0N
  • MEMBER
  • 2011 FORD EXPEDITION
  • 146,000 MILES
Pressing the horn on steering wheel makes no sound. The horn works via remote panic button. I took wheel apart and find there is no power to the horn switch. Fuse for horn checks fine, can't seem to find a "horn " relay.
Thoughts?
Monday, February 18th, 2019 AT 1:38 PM

3 Replies

Tiny
SCGRANTURISMO
  • MECHANIC
  • 4,897 POSTS
Hello,

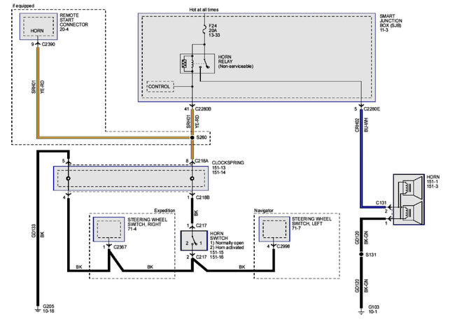
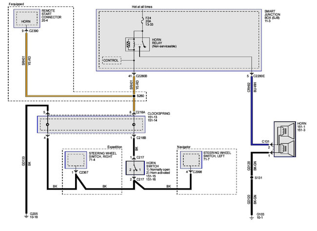
It does sound like the horn relay. In the diagrams down below I have included everything that you will need to fix your vehicles problem. Let us know what you find out.

Thanks,
Alex
2CarPros
Was this
answer
helpful?
Yes
No
+2
Tuesday, February 19th, 2019 AT 10:32 AM
Tiny
F1SH0N
  • MEMBER
  • 2 POSTS
Thank you for the information. I suspect it's the clock spring (a little loose and makes a slight rubbing sound) but will verify now that I can actually check connections.
Really appreciate your assistance!
Was this
answer
helpful?
Yes
No
Wednesday, February 20th, 2019 AT 10:28 AM
Tiny
KEN L
  • MASTER CERTIFIED MECHANIC
  • 55,522 POSTS
SCWICKEDSTANG is quickly becoming our best! Please let us know if you need anything else to get the problem fixed.
Was this
answer
helpful?
Yes
No
Saturday, February 23rd, 2019 AT 12:49 PM

Please login or register to post a reply.