Horn not working

2012 FORD F-150
100,000 MILES • 4WD • AUTOMATIC
Avatar
URBAE HALL
  • MEMBER
  • 2 POSTS
Horn not working but does when panic button pressed on FOB. Mechanic can't figure out why.
Dec 30, 2021 at 3:54 PM
Advertisement
Avatar
JACOBANDNICKOLAS
  • CAR REPAIR CONTRIBUTOR
  • 110,190 POSTS
Hi,

By chance, is the airbag light staying on? Since the horn works with the fob, the fuse to the BCM is good. There are many other things that can cause an issue, but if the airbag light is on, chances are the clock spring in the steering column has failed.

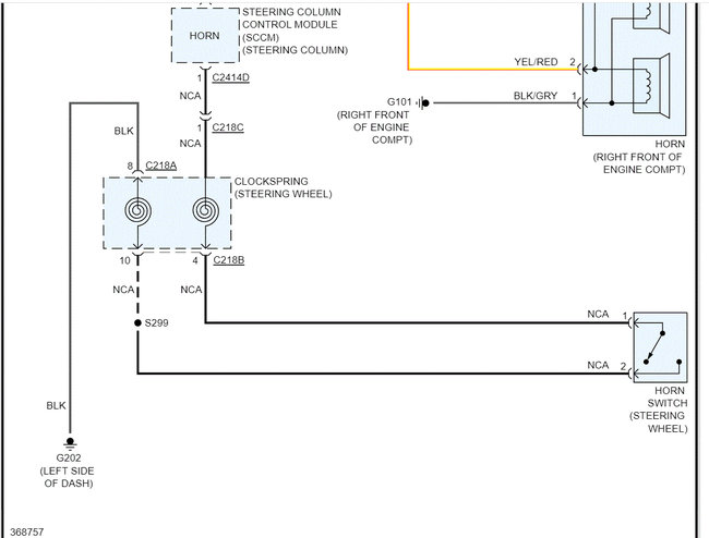
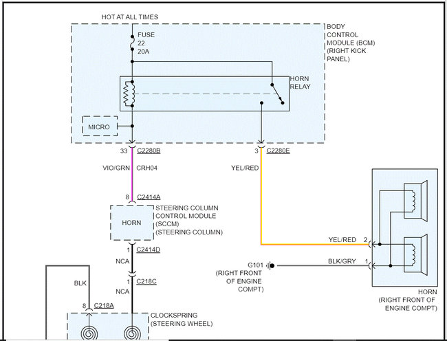
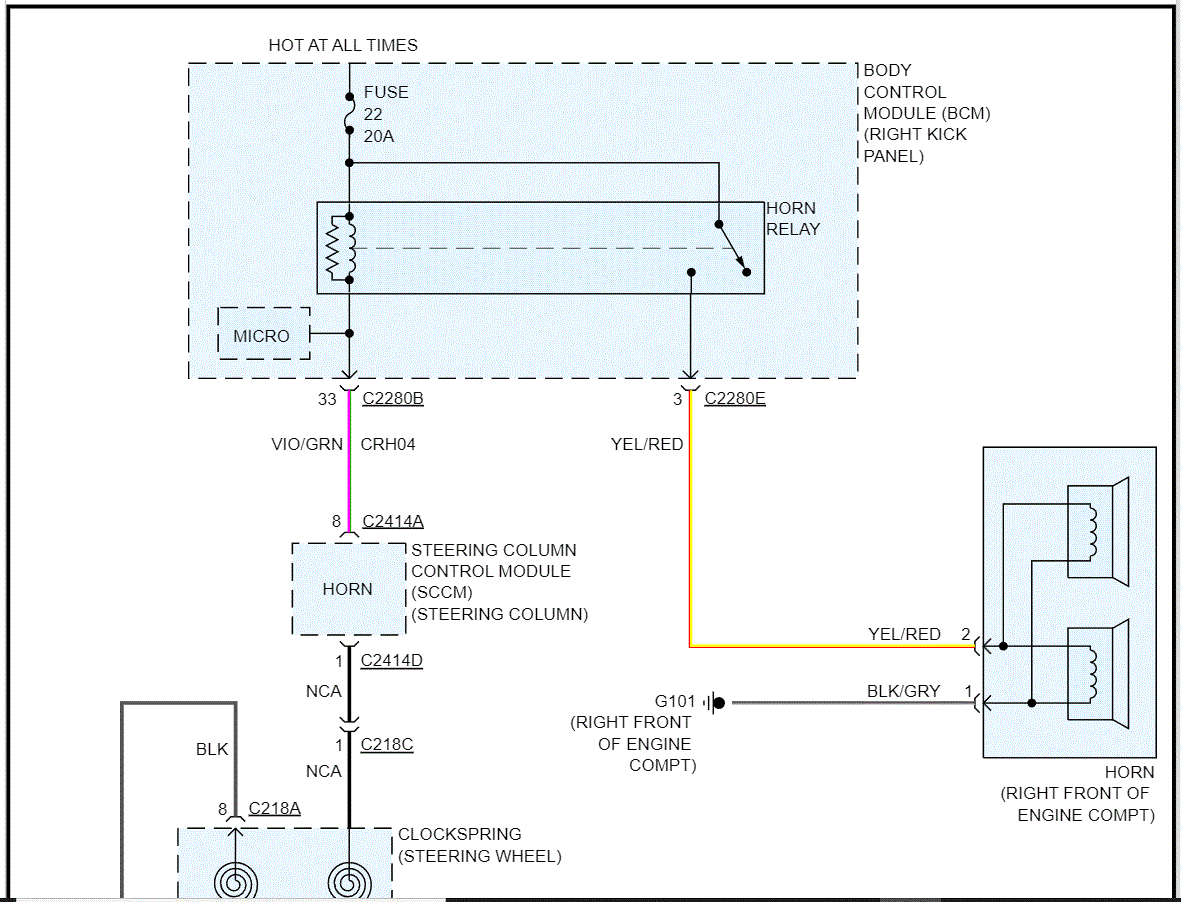
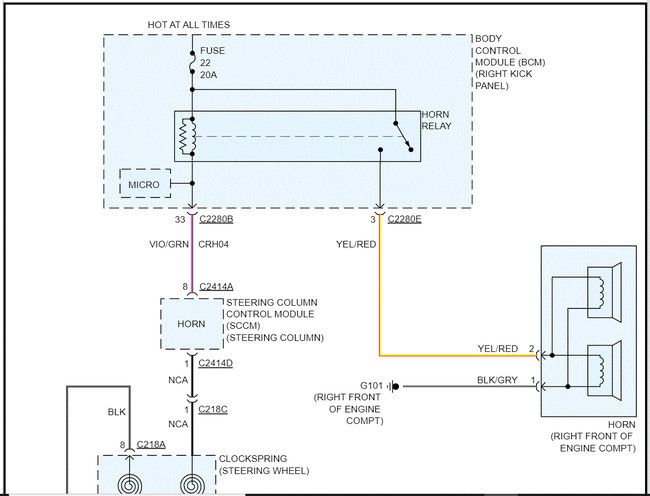
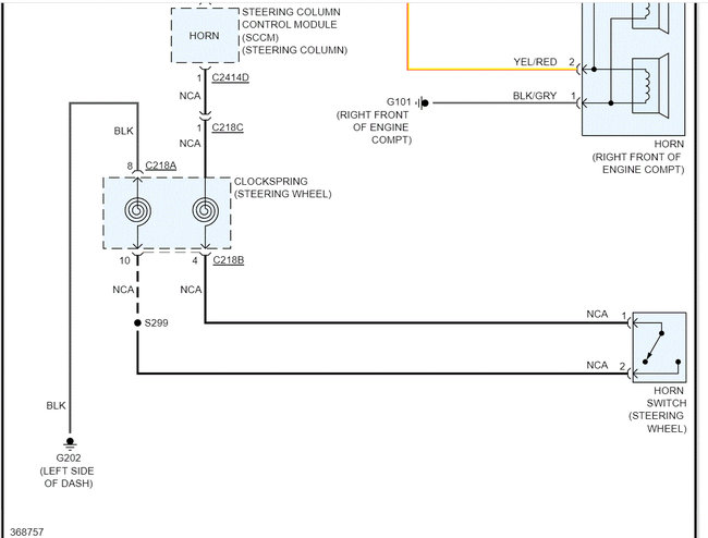
I attached a wiring schematic below of the horn circuit for your review. Let me know about the light being on. Also, confirm fuse 22 in the BCM fuse panel (right kick panel) is good and has power to and from it. Here is a link you may find helpful:

https://www.2carpros.com/articles/how-to-check-a-car-fuse

Let me know what you find with the fuse and about the light.

Take care,

Joe

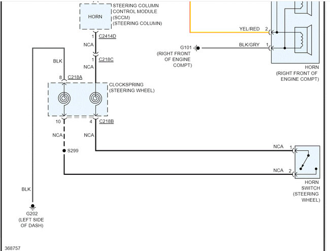
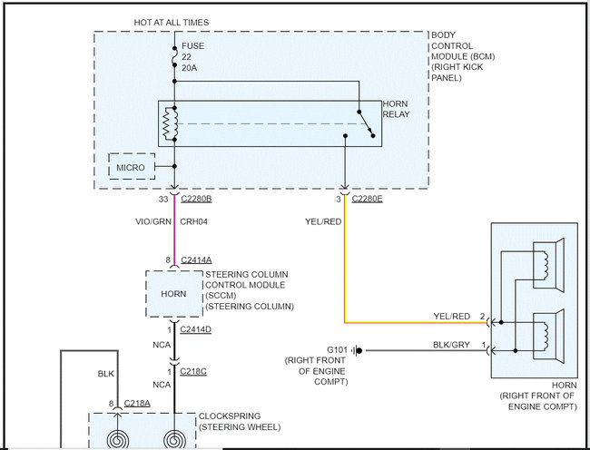
See pics below. Note: I had to cut the schematic in half to make it readable for you. I did overlap them so you can follow from one to the next.
Dec 30, 2021 at 11:46 PM
Advertisement
Avatar
URBAE HALL
  • MEMBER
  • 2 POSTS
Thanks Joe.

No, airbag light does not stay on. I was able to check fuse 22 and that is working and has power. Perplexed as to why horn not working. Of note, it used to work of the car had been driven for a while or you pushed the horn several times (greater than five presses). However, now for the past month, no horn sound at all unless panic button hit. Any other thoughts appreciated.
Dec 31, 2021 at 2:14 PM
Avatar
JACOBANDNICKOLAS
  • CAR REPAIR CONTRIBUTOR
  • 110,190 POSTS
Hi,

I was hoping it would be something simple. The idea of simply completing a circuit to actuate a horn is long gone. We now have technology. LOL

For this to be diagnosed, the first thing that should be done is to check the can-bus for codes. CAN stands for controller area network. Basically, all the computers/modules on the truck are tied together via a few wires. As a result, the systems communicate with each other.

Here is a link showing how that is done:

https://www.2carpros.com/articles/can-scan-controller-area-network-easy

I'm suggesting this because there are two modules at play with the horn, the body control module (BCM) and the steering column control module (SCCM). This type of scan will pull codes regardless of the module storing them.

Let me know if that is something you can do or have done.

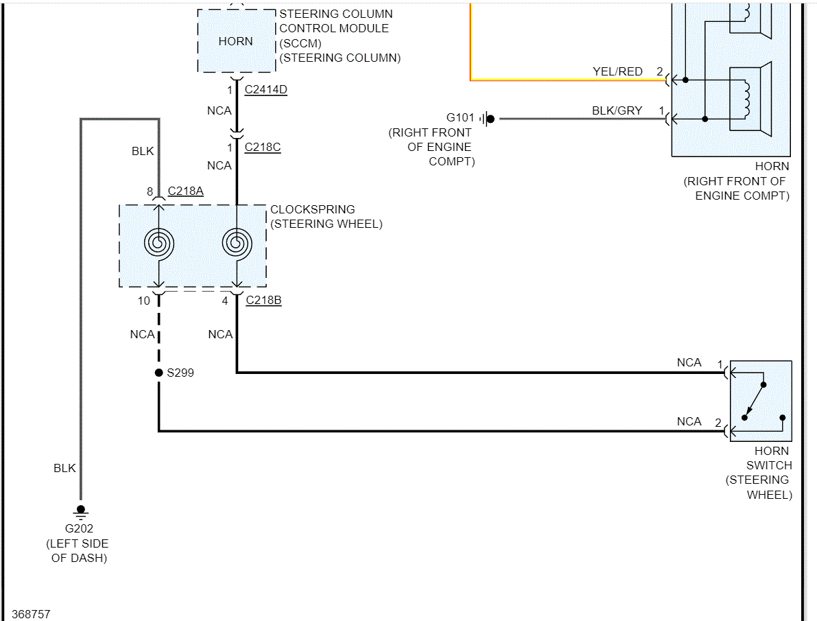
On the other hand, we can go through diagnostics, which will also require a scan tool and a few other things. I attached them below for you to see what is involved. If you are comfortable performing the diagnostics, great. If you are comfortable, I will work through them with you. Just let me know.

Let me know your thoughts. Also, please let me know if you have questions.

Take care,

Joe

See pics below.
Dec 31, 2021 at 8:34 PM
Repair Safety Notice: This information is for general instructional purposes only. Vehicle repair can be dangerous. Verify all information, follow manufacturer service procedures, use proper tools and safety equipment, and consult a qualified repair shop when needed.