HOME
ASK A QUESTION
REPAIR GUIDES
BECOME A MEMBER
LOG IN
Login with Facebook
OR
Remember me
NOT A MEMBER?
FORGOT PASSWORD?
CONTACT US
PRIVACY POLICY
TERMS AND CONDITIONS
☰
Home
Nissan
Pathfinder
Safety
Horn
Not Working
Horn not working
CONRAD URRUTIA
MEMBER
2012 NISSAN PATHFINDER
4.0L
6 CYL
2WD
AUTOMATIC
145,285 MILES
The horn stop working
Thursday, December 20th, 2018 AT 12:34 PM
1 Reply
KEN L
MASTER CERTIFIED MECHANIC
55,538 POSTS
Hello,
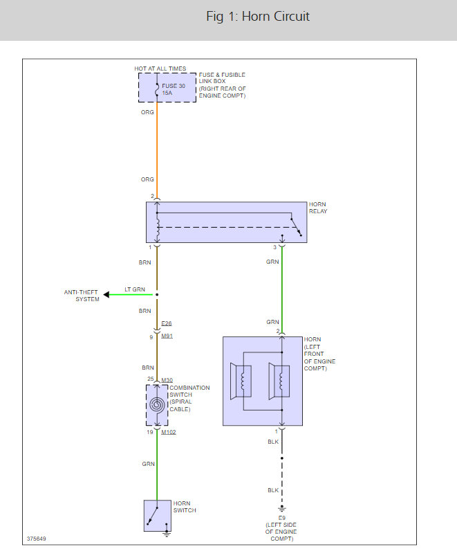
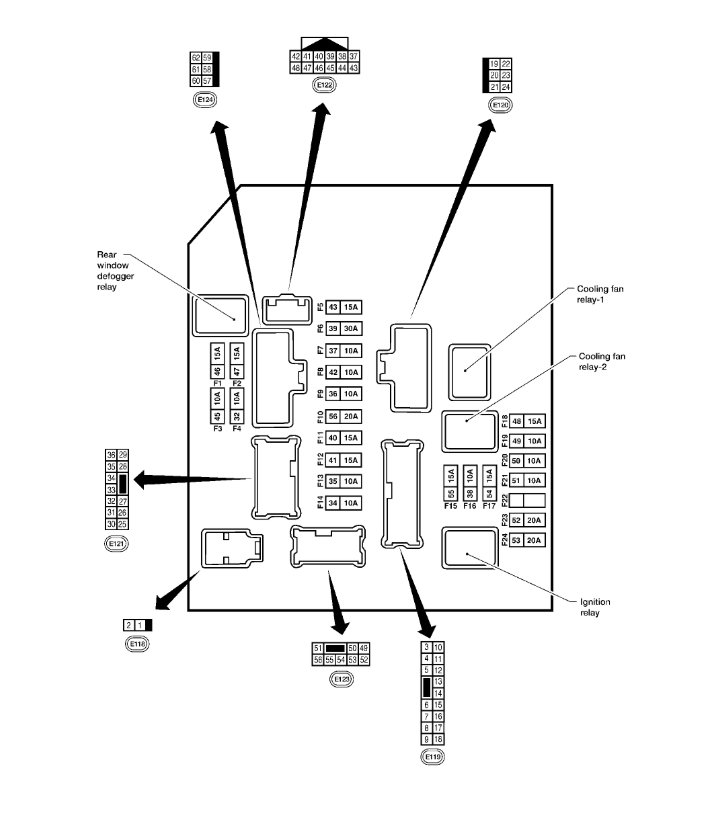
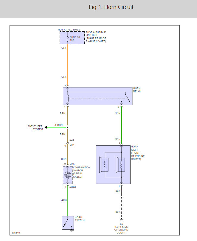
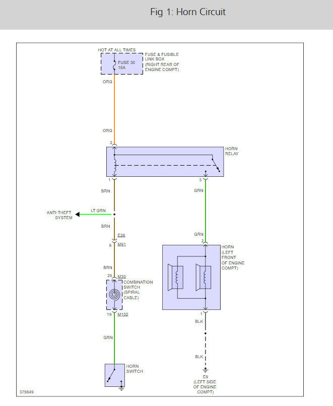
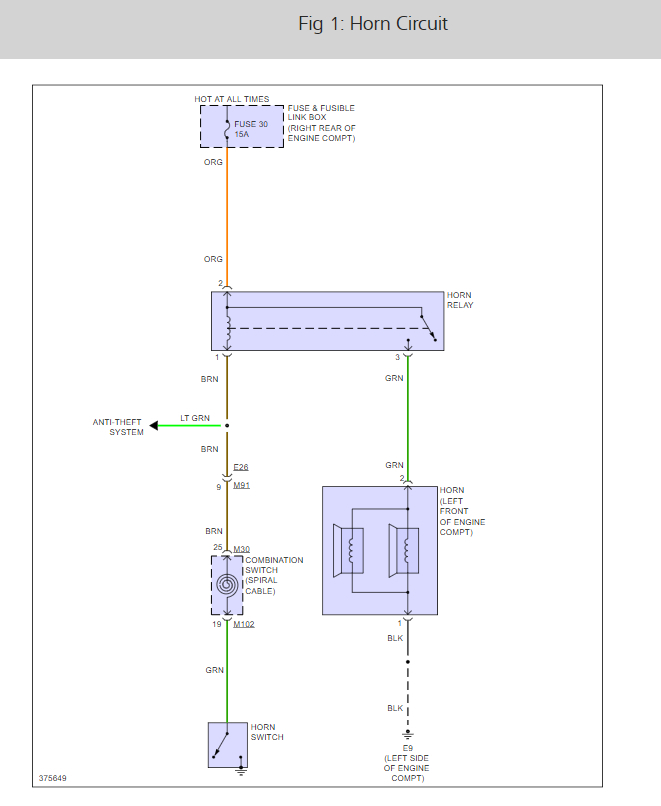
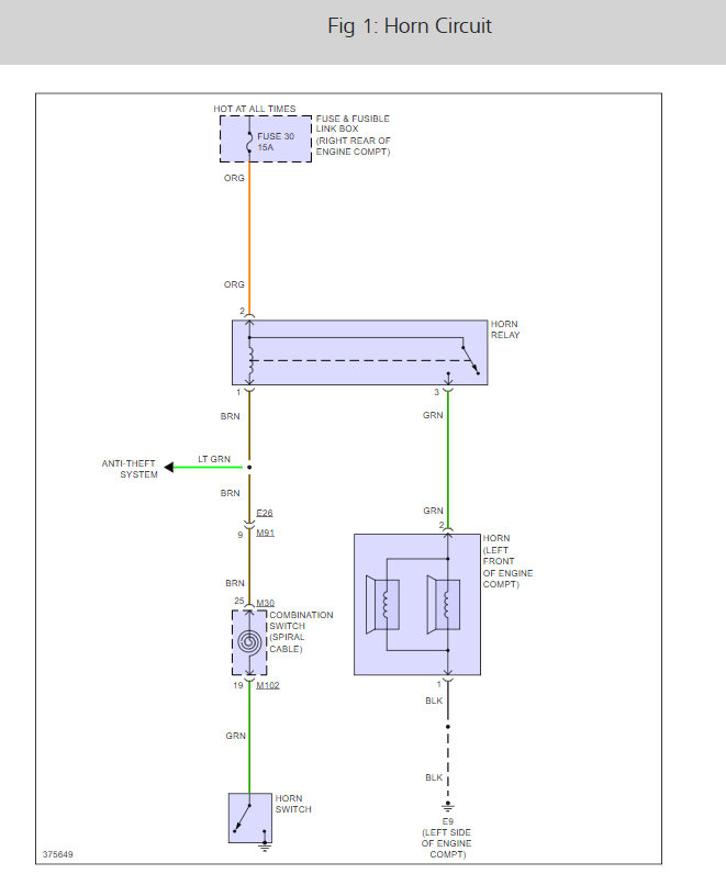
Let start by checking the fuse #30 in the under hood fuse panel. Here is guide to help check for power at the fuse and the horn wiring diagrams so you can see how the system works and the fuse locations well:
https://www.2carpros.com/articles/how-to-check-a-car-fuse
If the fuse is okay let's check the horn relay.
https://www.2carpros.com/articles/how-to-check-an-electrical-relay-and-wiring-control-circuit
Check out the diagrams (below). Please let us know what you find. We are interested to see what it is.
Images (Click to make bigger)
Was this
answer
helpful?
Yes
No
Saturday, December 22nd, 2018 AT 2:10 PM
Please
login
or
register
to post a reply.
Related Horn Not Working Content
Horn Troubles
I've Got A 95 Pathfinder And The Horn Doesn't Work. It Did Not That Long Ago. I Pulled The Horn And Checked It. Fuse Is Good And I...
Asked by
lorax.dp
·
5 ANSWERS
2 IMAGES
1995
NISSAN PATHFINDER
Ask a Car Question. It's Free!
How to Use a Test Light
Steering Wheel Removal
Airbag Removal - Drivers Side