Sunday, April 29th, 2018 AT 3:48 PM
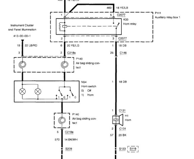
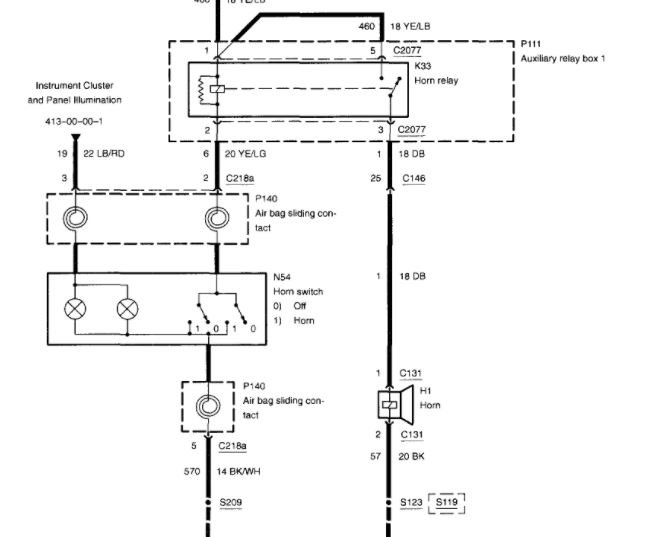
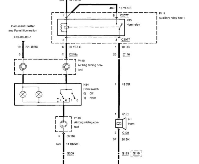
XLT model. I replaced the cruise control switches and harness in the steering wheel. After reassembly the horn continuously stays on. I pulled he airbag and rechecked the contacts but still stays on. Please help. Thank you.





