Horn not working

Tiny
YMCDANIEL
  • MEMBER
  • 2013 VOLKSWAGEN JETTA
  • 2WD
  • AUTOMATIC
  • 100,000 MILES
Hi guys!

I have looked and looked online and can't find which fuse goes to the horn. I can find the number for the one under the hood, but I need the number of the one located in the fuse box inside under the steering wheel. I know it's a 20 amp but can't tell which one it is. The horn is not working, and I want to check the fuse first.

Thanks, Yvonne
Monday, January 10th, 2022 AT 5:05 PM

3 Replies

Tiny
JACOBANDNICKOLAS
  • MECHANIC
  • 110,194 POSTS
Hi,

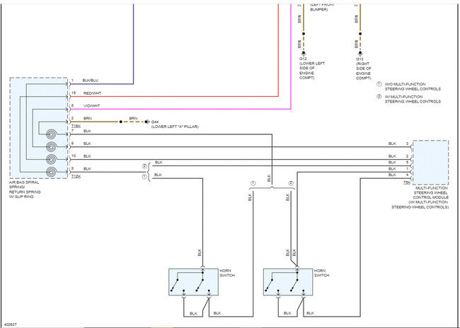
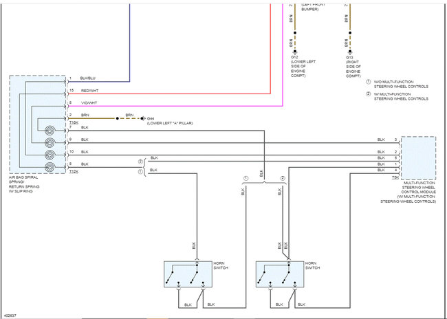
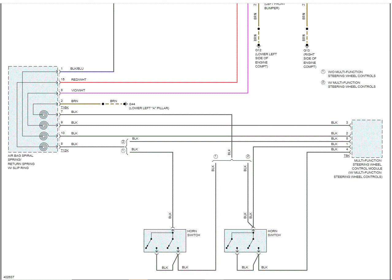
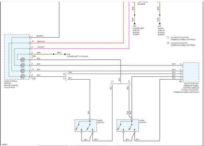
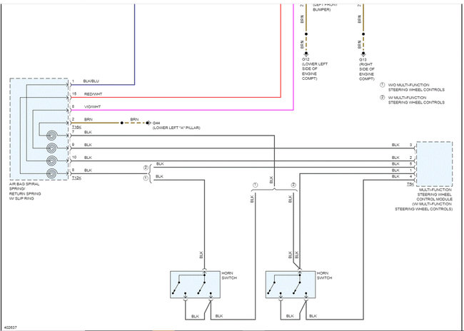
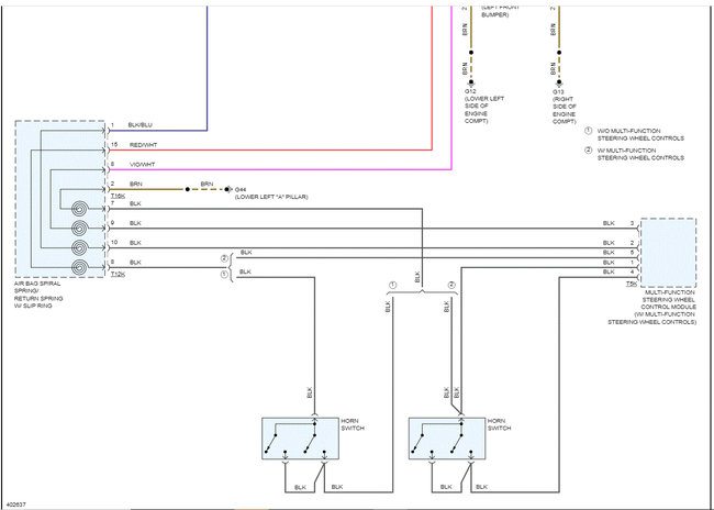
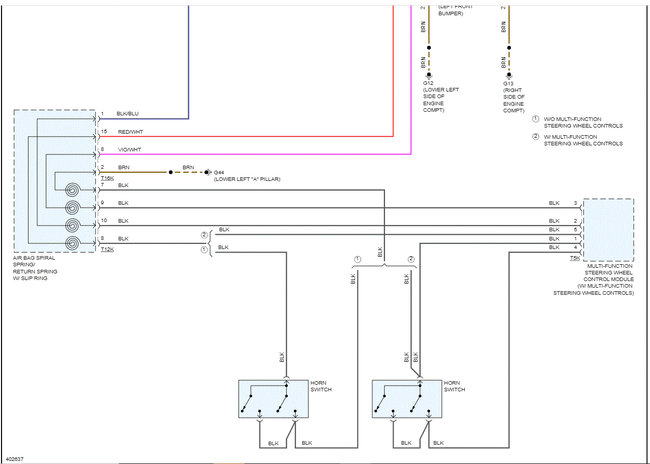
It's fuse number 27 in the SC panel, left side of the dash. Now, I attached the wiring schematic below for the horn circuit. There are a few things that can cause it to fail, a clock spring, steering wheel control module, and so on. Here is what I need you to do.

First, check fuse 27 in the vehicle. It is a 1-amp fuse, so make sure you check it closely. In addition to checking the fuse, confirm there is power to it. Here is a link you may find helpful:

https://www.2carpros.com/articles/how-to-check-a-car-fuse

If you find that both fuses are good, you should have the can-bus scanned to see if there are codes related to the issue. CAN stands for controller area network. Basically, all modules are tied together via a few wires and communicated with each other. This type of scan will retrieve codes regardless of the module storing them. Here is a link that shows how it's done.

https://www.2carpros.com/articles/can-scan-controller-area-network-easy

Let me know if this helps. Also, let me know if you have other questions.

Take care,

Joe

See pics below.

Was this
answer
helpful?
Yes
No
+1
Monday, January 10th, 2022 AT 8:22 PM
Tiny
YMCDANIEL
  • MEMBER
  • 5 POSTS
Thank you so much! You are awesome!
Was this
answer
helpful?
Yes
No
Tuesday, January 11th, 2022 AT 2:40 PM
Tiny
JACOBANDNICKOLAS
  • MECHANIC
  • 110,194 POSTS
Hi,

You are very welcome. I hope it helped.

Please feel free to come back anytime in the future. You are always welcome here.

Take care,

Joe
Was this
answer
helpful?
Yes
No
Tuesday, January 11th, 2022 AT 7:33 PM

Please login or register to post a reply.