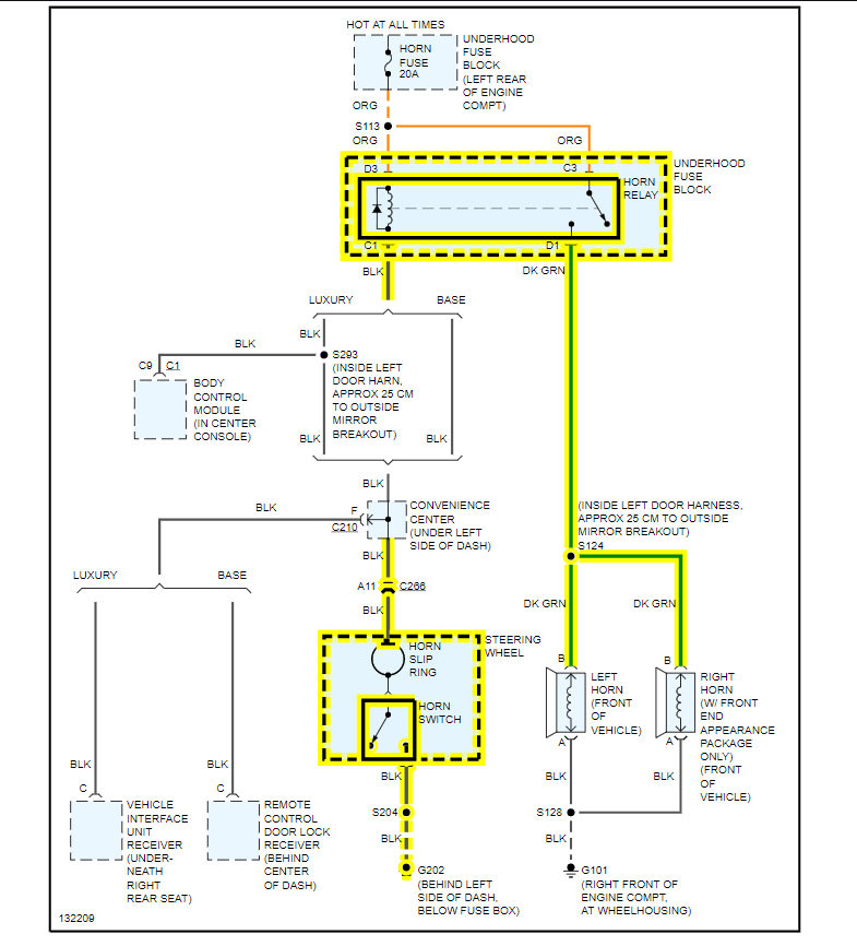
Saturday, July 3rd, 2021 AT 11:45 AM
The horn works when I remove the relay and use needle nose pliers to short it out. I've replaced the horn relay and the horn pad. The fuse is good and I've tried different fuses. What's next to try? Thanks for the help!






