The horn is not working?

Tiny
DUSTY03
  • MEMBER
  • 1998 BUICK PARK AVENUE
  • 3.8L
  • 6 CYL
  • 2WD
  • AUTOMATIC
  • 99,999 MILES
Horn does not work when you push on steering wheel.
Saturday, October 22nd, 2022 AT 11:41 AM

1 Reply

Tiny
SQM
  • MECHANIC
  • 6,383 POSTS
Hello,

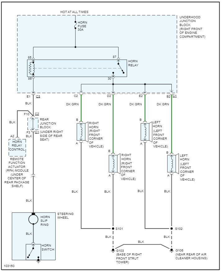
This could be due to a bad fuse, relay or wiring issue.
First you want to check the fuse for the horn.
It is located under the hood fuse block. If the fuse checks good, then the next step would be the horn relay. Which is also located in the same fuse blow under the hood.

Here are a couple of helpful guides:

https://www.2carpros.com/articles/how-to-check-a-car-fuse

https://www.2carpros.com/articles/how-to-check-an-electrical-relay-and-wiring-control-circuit

I have attached the wiring schematics and the fuse block diagrams below for your reference.

Let me know what you find or if you have any questions.
Thank you.
Was this
answer
helpful?
Yes
No
Sunday, October 23rd, 2022 AT 5:09 PM

Please login or register to post a reply.