Monday, May 24th, 2021 AT 10:52 AM
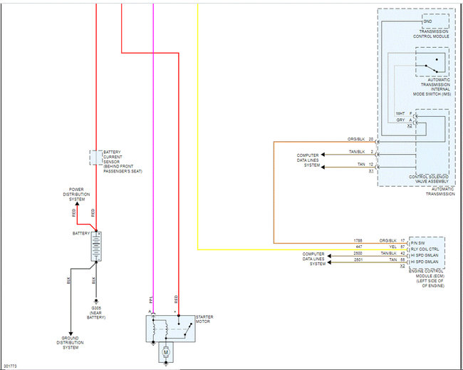
Okay, I've got a good one for you. My vehicle listed above has sat mostly unused for almost all of COVID. I just recently got in it to try to start it and my recent problems began with a failed starter switch (in the steering column). I got a replacement on amazon and installed it and it worked. That was about 6 months ago and its sat since. I went back out to it a month ago and the battery was dead. I got the (AGM) battery in 2017 and when I put it on my charger it read 3 volts. I removed it, charged it and it seemed okay, but then drained again 3 days later when I went back out to start it. My charger then said "SUL" (sulfonated) and I went to get a new battery (AutoZone confirmed bad battery). I put in the new one and tried to start it and am getting a "hood open" sensor warming and the car will not start. I researched it and jumpered pins B and C in the sensor cable/block to ground the hood open wire (B) to ground (C) to test the sensor. Still will not start. Taking a closer look, I now see there are other issues with, the electronics? I'm seeing other issues, I'm getting a Traction Control CEL and my lift gate will not open (checked/cycled switch on console). With the key in the "on" position I've checked a few things (but probably not all). With the key in the "on" position, I've noticed the A/C doesn't work, turn signals do not work, but other things do work (interior lights), door open sensor, radio is fine, clock is fine, headlights appear to work. I've visual inspected the fused under the hood and none appear to be blown. I even pulled the 30A fuse for the liftgate and jumpered the contacts and tried to open--no go (but it does "click" at the fuse block area). My fuel indicator indicates empty and sometimes the needle cycles end-to-end (like the other gauges) when first inserting/turning the key. When it does cycle, it still indicates empty. I have not manually checked my duel level but when I last drove it, I filled it to expel any air in the tank, as I knew I was going to be using it very little). When I plug in my OBDII reader, I get "error" after a period of normal-looking-trying-to-read-the-computer. I've used this reader many times to reset TPS and other intermittent codes e.G, catalytic converter used to throw a code every other month or so, etc.) Thoughts? What else can I check/troubleshoot to help zero in on this?











