Alarm problems?

Tiny
BRADIX
  • MEMBER
  • 2004 HONDA CIVIC
  • 1.6L
  • 4 CYL
  • 2WD
  • MANUAL
  • 85,000 MILES
My car's key-less entry lock horn confirmation was suddenly put into silent mode. When I press the lock button on my remote, the car will lock and flashes the turn signals three times. But when I press the lock again, the confirmation lock horn honk was gone as it was supposed to honk after pressing the remote lock button twice. Even the seat belt reminder was in silent when driving at certain speed, does not beep anymore, but beeps by the time I put the key on the ignition. How can I reactivate these features back to its factory default?

Thank you very much in advance.
Friday, May 4th, 2018 AT 1:41 AM

34 Replies

Tiny
KEN L
  • MASTER CERTIFIED MECHANIC
  • 55,488 POSTS
Hello,

To reset the system remove the negative battery cable for on hold it to the positive battery terminal this will discharge the capacitors and give the system a chance to hard reboot. Please let us know what you find. We are interested to see what it is.

Cheers, Ken
Was this
answer
helpful?
Yes
No
Sunday, May 6th, 2018 AT 1:01 PM
Tiny
BRADIX
  • MEMBER
  • 9 POSTS
Thanks for the reply.

Hold them together for how many minutes/seconds?
Was this
answer
helpful?
Yes
No
Monday, May 7th, 2018 AT 7:55 AM
Tiny
KEN L
  • MASTER CERTIFIED MECHANIC
  • 55,488 POSTS
Two minutes should do it.
Was this
answer
helpful?
Yes
No
+1
Monday, May 7th, 2018 AT 11:30 AM
Tiny
BRADIX
  • MEMBER
  • 9 POSTS
Thanks Ken, I will let you know if it works.
Was this
answer
helpful?
Yes
No
Monday, May 7th, 2018 AT 11:49 AM
Tiny
BRADIX
  • MEMBER
  • 9 POSTS
Would that turn back my warnings/reminders too, like that seat belt reminder when running at certain speed/distance?
Was this
answer
helpful?
Yes
No
Monday, May 7th, 2018 AT 11:51 AM
Tiny
STEVE W.
  • MECHANIC
  • 15,697 POSTS
Those items can sometimes be user selected as some people want them and others do not. A power reset should bring them back to the default settings.
Was this
answer
helpful?
Yes
No
+1
Tuesday, May 8th, 2018 AT 9:23 AM
Tiny
BRADIX
  • MEMBER
  • 9 POSTS
Thanks, I will try it tomorrow.
Was this
answer
helpful?
Yes
No
Tuesday, May 8th, 2018 AT 9:33 AM
Tiny
STEVE W.
  • MECHANIC
  • 15,697 POSTS
Please let us know if it worked or not. Thank you.
Was this
answer
helpful?
Yes
No
Tuesday, May 8th, 2018 AT 3:11 PM
Tiny
BRADIX
  • MEMBER
  • 9 POSTS
Hi, I have tried it already, but it did not work, still in silent. Pressing the lock button once locked all the doors, pressing it twice. Do not have the horn honk confirmation, but I still hear the door locked. Please help.
Was this
answer
helpful?
Yes
No
Sunday, May 13th, 2018 AT 2:34 AM
Tiny
KEN L
  • MASTER CERTIFIED MECHANIC
  • 55,488 POSTS
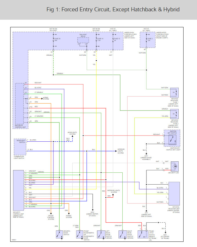
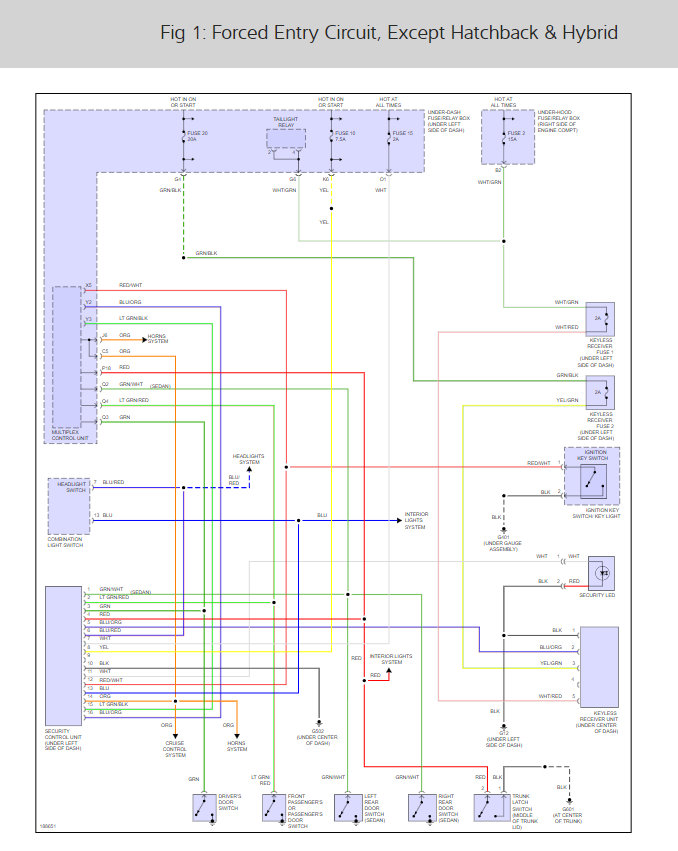
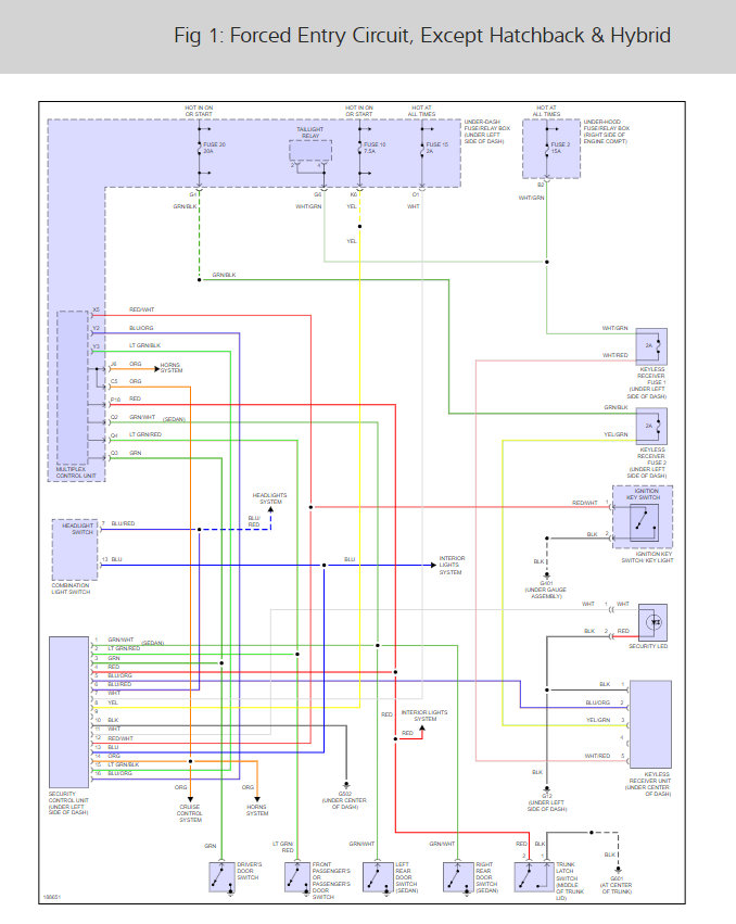
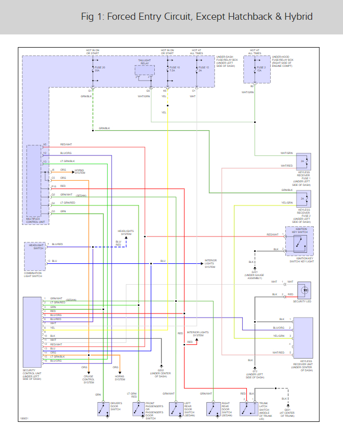
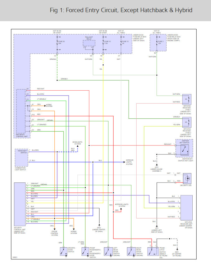
There are many fuses that run the system. Here is a security system wiring diagram so you can see each fuse and a guide to help you check them:

https://www.2carpros.com/articles/how-to-check-a-car-fuse

Check out the diagrams (below). Please let us know what happens.

Cheers, Ken
Was this
answer
helpful?
Yes
No
Sunday, May 13th, 2018 AT 11:20 AM
Tiny
BRADIX
  • MEMBER
  • 9 POSTS
Which fuses would I check?
Was this
answer
helpful?
Yes
No
Sunday, May 13th, 2018 AT 11:30 AM
Tiny
KEN L
  • MASTER CERTIFIED MECHANIC
  • 55,488 POSTS
20, 12, 10, 15, and 2 if they are all okay it sounds like the alarm module is going out which will need to be programmed by a shop. Can you see the fuses in the wiring diagram or are they too small to see?

Here is the module location. Check out the diagrams (below).

Cheers, Ken
Was this
answer
helpful?
Yes
No
Monday, May 14th, 2018 AT 9:42 AM
Tiny
STEVE W.
  • MECHANIC
  • 15,697 POSTS
One item I neglected to ask, does the horn work on its own when you hit the horn button?
Was this
answer
helpful?
Yes
No
+1
Monday, May 14th, 2018 AT 6:48 PM
Tiny
BRADIX
  • MEMBER
  • 9 POSTS
Yes the horn works well.
Was this
answer
helpful?
Yes
No
Monday, May 14th, 2018 AT 8:33 PM
Tiny
BRADIX
  • MEMBER
  • 9 POSTS
I ended up disconnecting the harness of the security unit, central locking horn honk is now back again. But alarm disabled now. I guess it must have been disconnected the whole time after I got the car from the previous owner.
Was this
answer
helpful?
Yes
No
Monday, May 14th, 2018 AT 8:36 PM
Tiny
STEVE W.
  • MECHANIC
  • 15,697 POSTS
I doubt it was disconnected as you had to disconnect it to get the system to honk. More likely is that something in the alarm unit failed and was blocking the horn signal.
Or one of the inputs to the alarm failed and wasn't turning it fully off.
Was this
answer
helpful?
Yes
No
+1
Tuesday, May 15th, 2018 AT 7:28 AM
Tiny
LBIGGY
  • MEMBER
  • 1 POST
  • 2004 HONDA CIVIC
2004 Honda Civic 60,000 miles

My keyless entry has been compromized by the sale of these new remotes. Nothings ever stolen but they have vandalized my interior with metallic dust.
Can I disarm the keyless remote system so that only my car key can open the doors?
I considered a car alarm but they can lead to more pranks !
Was this
answer
helpful?
Yes
No
Tuesday, October 27th, 2020 AT 11:23 AM (Merged)
Tiny
TROTCH2
  • MEMBER
  • 3 POSTS
You need to get into the programming sequence to add the controlers to your car and enter in your remote 3 times as that should be the maximum spots the vehicle can retain, therefore the other ones are kicked out. As for the aftermarket alarm if you do decide to go with it(recommended)have your installer hook it up the factory arm and disarm wires aswell so it controls both systems at the same time.
Was this
answer
helpful?
Yes
No
Tuesday, October 27th, 2020 AT 11:23 AM (Merged)
Tiny
HONDAGIRLFLORIDA2003
  • MEMBER
  • 1 POST
  • 2003 HONDA CIVIC
  • 4 CYL
  • 2WD
  • AUTOMATIC
  • 44,550 MILES
I am having an issue with the driver side lock. When I use the remote keyless entry it doesnt unlock it. Sometimes, however, the keyless entry will work. It never works in my drive way. Sometimes it will work in other parking situations. My drive way has a slight inclne. So maybe its the incline when it won't work and when I park on a flat surface it works and the horn honks so I know the door has locked.

More than half the time I have to manuel lock the door. Which doesn't bother me, but I am wondering one day if I won't be able to get in my car. I have replaced the battery in the keyless entry with no luck.

I have read other poster's issues with it and read something about an acuator? (Spelling not correct!) Does this have to be done by the dealer? I have tried WD-40 no luck.
Was this
answer
helpful?
Yes
No
Tuesday, October 27th, 2020 AT 11:24 AM (Merged)
Tiny
KHLOW2008
  • MECHANIC
  • 41,814 POSTS
Hi hondagirlflorida2003,

Tha actuator is the motor for locking and unlocking the door. If it is weak, it would tend to operare intermittently.

The part can be replaced by the normal shop but it is quite troublesome.
Was this
answer
helpful?
Yes
No
Tuesday, October 27th, 2020 AT 11:24 AM (Merged)

Please login or register to post a reply.