Battery Light Stays On

Tiny
MARCLANIE
  • MEMBER
  • 2001 HONDA CIVIC
Electrical problem 4 cyl Front Wheel Drive Manual 120000 miles

I already got a new battery and alternator installed plus a new Electronic Load Detector (ELD) but the battery light stills stays on. Everything is good and charging, its just that light wont turn off. Can someone point me out in the right direction before I tear up the wiring from the alternator to the fuse panel under the dash, to the computer and finally to the indicator light in the dashboard? Thanks in advance.
Friday, February 20th, 2009 AT 12:04 AM

10 Replies

Tiny
KEN L
  • MASTER CERTIFIED MECHANIC
  • 55,488 POSTS
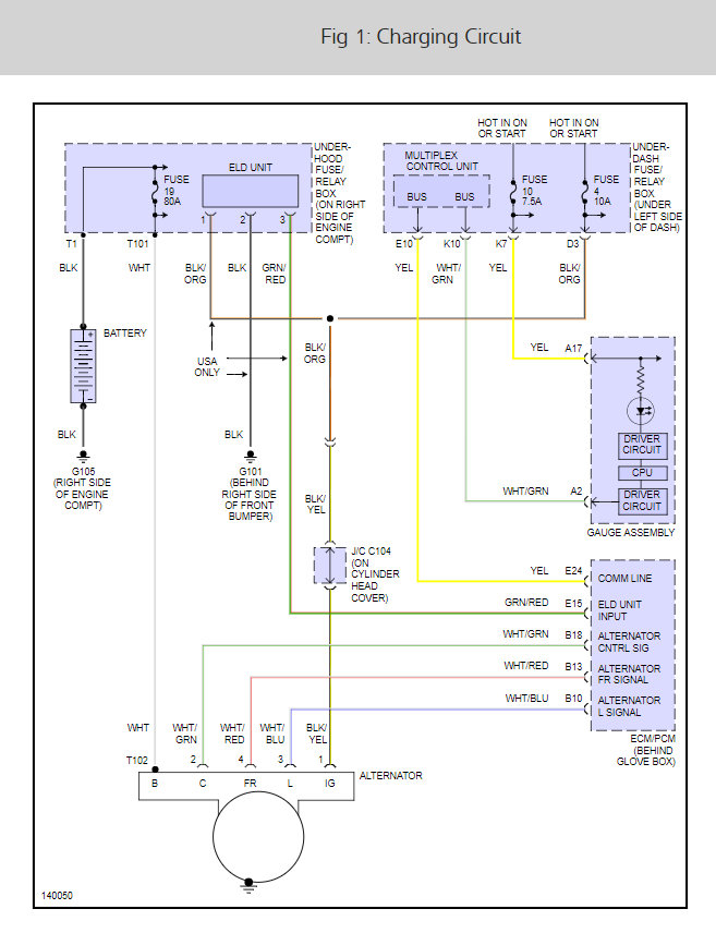
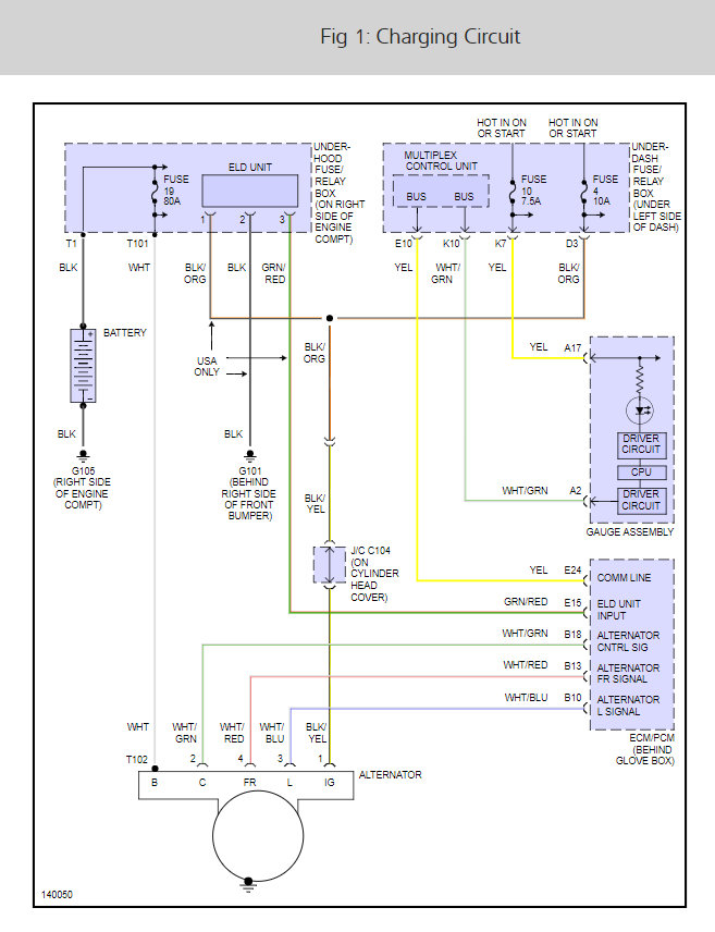
There are some wiring connections that need to be confirmed. Here is a guide to help you do some testing along with a alternator wiring diagrams so help you see how the system is connected.

https://www.2carpros.com/articles/how-to-check-wiring

There is also three fuses that run the systems as well.

https://www.2carpros.com/articles/how-to-check-a-car-fuse

Check out the diagrams (Below)

Please let us know what you find. We are interested to see what it is.

Cheers, Ken
Was this
answer
helpful?
Yes
No
Sunday, November 26th, 2017 AT 8:18 PM
Tiny
MRSVOLIVE
  • MEMBER
  • 1 POST
  • 2002 HONDA CIVIC
  • 4 CYL
  • 2WD
  • MANUAL
  • 150,000 MILES
Engine Performance problem
2002 Honda Civic 4 cyl Two Wheel Drive Manual 150000 miles

My battery light is flashing on my car. What does this mean?
Was this
answer
helpful?
Yes
No
Sunday, November 26th, 2017 AT 8:18 PM (Merged)
Tiny
BLUELIGHTNIN6
  • MECHANIC
  • 16,542 POSTS
You need to go to a well known auto part store such as O'Reilly Auto Parts or AutoZone and have your battery and alternator tested for free. That is usually an indication that either your battery or alternator is failing.
Was this
answer
helpful?
Yes
No
Sunday, November 26th, 2017 AT 8:18 PM (Merged)
Tiny
RASMATAZ
  • MECHANIC
  • 75,992 POSTS
You need to have your charging system checked out could be the alternator is on its way out-causing the light to come On.
Was this
answer
helpful?
Yes
No
-1
Sunday, November 26th, 2017 AT 8:18 PM (Merged)
Tiny
CJ_NAGEL
  • MEMBER
  • 1 POST
  • 2002 HONDA CIVIC
  • 4 CYL
  • 2WD
  • AUTOMATIC
  • 123,000 MILES
Electrical problem
2002 Honda Civic 4 cyl Two Wheel Drive Automatic 123000 miles

Just to lay the groundwork, I have put 3 alternators in this car, 2 of them in the last year. The first one was done by a garage, I did the other 2 myself. After the first one, I noticed that while driving my battery light would occasionaly flicker and would stop flickering once I turned my headlights on. This continued until I replace the alternator after it and my battery went bad. The next time I replaced the alternator and batter, no flickering, but the set-up only lasted me about 9 months before I had the same problem, drained battery.

I have now put a new battery in again as well as a new alternator. The alternator I just replaced tested fine, but the technician told me the issue I described (Car dying while driving) was indicitive of a alternator issue. I am getting tired of replacing batteries/alternators and am wondering what the underlying cause of this might be.

I do have a dead power window on the drivers side, which I read, if shorted, may be slowly draining off my battery, however, this seems unlikely to me. I did pull the fuse, but the battery died prior to putting in this new Battery/Alternator.

Not sure what else I can do here, new battery cables? In between the second alternator and this one, I had service done at Honda to replace a cracked motor mount and control arm bushing. I didn't mention this issue, as I thougt it to be resolved, but their diagnostic didn't come up with anything irregular.
Was this
answer
helpful?
Yes
No
Sunday, November 26th, 2017 AT 8:18 PM (Merged)
Tiny
SERVICE WRITER
  • MECHANIC
  • 9,123 POSTS
Your scenario can be quite frustrating.
Alternaters starters and thermostats are the worst offenders when they are bad out of the box.

You need to check for a draw, Ideally a mult-meter is the best tool but a test light may also work if the draw isn't too significant.

If no other electrical accessory is causing the battery to drain overnight a manual draw check of the electrical system will need to be performed. What this means is you will be checking the electrical draw the battery has on it when the car is locked up, with the key in the "off" position". First open the hood and disable the under hood illumination light, if equipped. Next, with the key off and the doors locked wait 15 minutes, then disconnect the battery cable on the negative side. (The 15 minute wait allows the computers to go into "sleep mode" and shuts down all electrical). Attach a test light between the negative battery cable end and the negative battery terminal. The test light should illuminate dimly or not at all. If the test light is on brightly there is a strong electrical draw in the system. To locate this electrical draw start removing fuses one at a time. When the test light goes out the circuit in question has been located. You will need a car repair manual to identify all accessories in a particular circuit, repair as needed and re-check system. Again a multi-meter set in milli-amps is a preferred method.

IF there is not exceptional draw, then I would start looking at the alternator.

IS it really "new" or just new to you. Meaning, I expect this is a remanufactured alternator.
These can be a bear to nail down when they are failing intermittantly. I have been through the ringer with this scenario and sometimes it requires going to a truley new one or sometimes an OEM one.
If so what brand is it?
Was this
answer
helpful?
Yes
No
+1
Sunday, November 26th, 2017 AT 8:18 PM (Merged)
Tiny
SCHAFFERSSHOVEL
  • MEMBER
  • 1 POST
  • 2002 HONDA CIVIC
  • 4 CYL
  • FWD
  • AUTOMATIC
  • 198,000 MILES
Electrical problem
2002 Honda Civic 4 cyl Front Wheel Drive Automatic 198000 miles

has new alt, battery cable ends
fuses all good
replaced lcd relay in engine compartment fuse box also new
its charging but battery lite stays lit
Was this
answer
helpful?
Yes
No
+2
Sunday, November 26th, 2017 AT 8:18 PM (Merged)
Tiny
F4I_GUY
  • MECHANIC
  • 3,302 POSTS
Most likely the multi-plex control system underneath the dash has failed. These are hard to diagnose because some parts are wireless and read frequencies. I'd bring it to a electrical diagnostic shop or Honda to have them confirm what the problem is.
Was this
answer
helpful?
Yes
No
+1
Sunday, November 26th, 2017 AT 8:18 PM (Merged)
Tiny
ROBERTCANTE
  • MEMBER
  • 1 POST
  • 1999 HONDA CIVIC
  • 4 CYL
  • FWD
  • AUTOMATIC
  • 141,000 MILES
Electrical problem
1999 Honda Civic 4 cyl Front Wheel Drive Automatic 141000 miles

i have a 99 Honda civic ex automatic. My car starts up fine, but sometimes when im driving my battery light on my dash/cluster flickers (turns on and off) after a few seconds of flickering, it turn off completely and the car is running normal. Can it be the battery? Or the alternator? I recently installed my depo fog lights like a month ago and hooked them up to the battery. But the flickering did not start until a couple of days ago. Thanks for all your help!
Was this
answer
helpful?
Yes
No
+2
Sunday, November 26th, 2017 AT 8:19 PM (Merged)
Tiny
F4I_GUY
  • MECHANIC
  • 3,302 POSTS
Something is going on with the charging system.

Some common problems:

Alternator failure
Power wire that runs behind the intake manifold is rubbing through to ground.
Blown fuse.
Was this
answer
helpful?
Yes
No
Sunday, November 26th, 2017 AT 8:19 PM (Merged)

Please login or register to post a reply.