Fuel Filter Location and Replacement?

Tiny
YELLOWPONY
  • MEMBER
  • 2003 HONDA ACCORD
The owners manual does not indicate when to change the fuel filter. Does this car have a fuel filter and if so, where is it located and how often should it be changed?
Thanks for the help!
Tuesday, October 2nd, 2007 AT 9:21 PM

18 Replies

Tiny
RASMATAZ
  • MECHANIC
  • 75,992 POSTS
Every 24mos. its in the fuel tank so as the pressure regulator. this guide should help with diagrams below to show you on your car.

https://www.2carpros.com/articles/how-to-change-a-fuel-filter

Check out the diagrams (Below). Please let us know what happens.
Was this
answer
helpful?
Yes
No
+2
Tuesday, October 2nd, 2007 AT 9:50 PM
Tiny
ELCIELOLLORA
  • MEMBER
  • 1 POST
  • 2002 HONDA ACCORD
  • 4 CYL
  • FWD
  • AUTOMATIC
  • 67,000 MILES
Where is ubicated the fuel filter in an Honda Accord 2002, and how to do to replace it.
Was this
answer
helpful?
Yes
No
+3
Saturday, September 19th, 2020 AT 1:19 PM (Merged)
Tiny
DOCFIXIT
  • MECHANIC
  • 18,828 POSTS
Need to drop tank on fuel pump item D
Was this
answer
helpful?
Yes
No
+1
Saturday, September 19th, 2020 AT 1:19 PM (Merged)
Tiny
KHLOW2008
  • MECHANIC
  • 41,814 POSTS
The pump can be accessed from the trunk without dropping the tank. There is an access service hole for you to do that.
Was this
answer
helpful?
Yes
No
+4
Saturday, September 19th, 2020 AT 1:19 PM (Merged)
Tiny
KDUANE3516
  • MEMBER
  • 1 POST
  • 2002 HONDA ACCORD
  • 4 CYL
  • 2WD
  • AUTOMATIC
  • 138,800 MILES
My car has been running very sluggish. The fuel filter has never been changed. Where is the fuel filter located?

In addition to this question, can my husband change the spark plugs on my 2002 Honda Accord? He is not a mechanic, but does it take an expert to change the spark plugs. He said when I buy them they will already be set to the spacing required for the vehicle.
Was this
answer
helpful?
Yes
No
+1
Saturday, September 19th, 2020 AT 1:19 PM (Merged)
Tiny
2CARPRO JACK
  • MECHANIC
  • 11,533 POSTS
The only fuel filter your vehicle has is a strainer type on the fuel pump, which is located inside the gas tank. As far as the plugs go, the 4 cylinders are easy and require only a few tools. Yes the plugs should be pre-gapped, but you should always double check the gap in case they were dropped sometime and the gap is too small.I strongly suggest using OEM (Original Equipment Manufacturer) parts on your Honda.
Was this
answer
helpful?
Yes
No
+2
Saturday, September 19th, 2020 AT 1:19 PM (Merged)
Tiny
KENDALL43
  • MEMBER
  • 2 POSTS
  • 2002 HONDA ACCORD
Engine Mechanical problem
2002 Honda Accord 4 cyl 128000 miles

Where is the fuel filter for this car, and how do I replace it. Thank you
Was this
answer
helpful?
Yes
No
+1
Saturday, September 19th, 2020 AT 1:20 PM (Merged)
Tiny
BLUELIGHTNIN6
  • MECHANIC
  • 16,542 POSTS
Fuel filter is located under hood, driver side, rear side of strut tower, mounted in rear corner of engine compartment.

REMOVAL:

Relieve the fuel system pressure.
Remove or disconnect the following:

Negative battery cable

Rear package tray

Access panel

Fuel pump module

Fuel filter

INSTALLATION:

Install or connect the following:

Fuel filter

Fuel pump module and tighten the bolts to 36 inch lbs. (4 Nm)

Access panel

Rear package tray

Negative battery cable
Was this
answer
helpful?
Yes
No
+2
Saturday, September 19th, 2020 AT 1:20 PM (Merged)
Tiny
C7778MS
  • MEMBER
  • 1 POST
  • 2000 HONDA ACCORD
  • 6 CYL
  • AUTOMATIC
  • 240,000 MILES
I was told that a fuel filter cannot be replaced and that the whole fuel pump has to be replaced. Is that true? And if not can someone please tell me where to find it on the car and where I can purchase just the filter?
Was this
answer
helpful?
Yes
No
+1
Saturday, September 19th, 2020 AT 1:20 PM (Merged)
Tiny
JACOBANDNICKOLAS
  • MECHANIC
  • 110,194 POSTS
Hi and thanks for using 2CarPros.

The fuel filter is located in the fuel tank and attached to the pump. However, you can replace the filter. Here is a manufacturer and part number. Please confirm this is correct for your vehicle, but to the best of my knowledge, it is.

Beck Arnley 043-3015

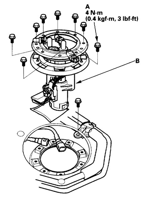
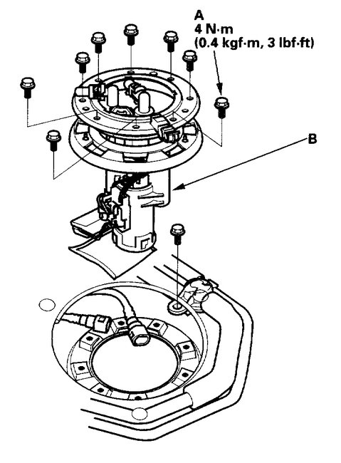
Now, here are the directions for replacement. The attached picture correlates with these directions.

Fuel Filter Replacement

After making sure that the fuel pump and the fuel pressure regulator are OK, replace the fuel filter whenever fuel pressure drops below the specified value (320 - 370 kPa, 3.3 - 3.8 kgf/sq. Cm, 47 - 54 psi with the fuel pressure regulator vacuum hose disconnected and pinched).

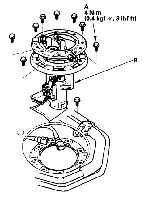
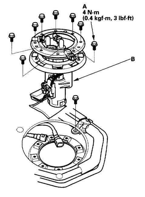
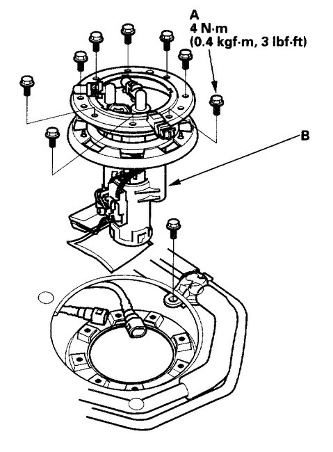
1. Remove the fuel tank unit.

See Picture 1

2. Remove the fuel filter (A).
3. Install the parts in the reverse order of removal with a new base gasket, then check these items:

- When connecting the wire harness, make sure the connection is secure and the terminal (B) is firmly locked into place.
- Check that the tab of the clamp (C) does not interfere with the wire harness.
- Do not push the lower part of the suction filter (D).
- When installing the fuel gauge sending unit (E), make sure the connection is secure and the connector is firmly locked into place. Be careful not to bend or twist it excessively.

_____________________________________
Here are the directions for removing the pump. The remaining pics correlate with these directions.

Fuel Pump Replacement

1. Remove the trunk floor.
2. Remove the access panel from the floor.
3. Turn the ignition switch OFF, then disconnect the fuel pump 5P connector.
4. Remove the fuel cap.
5. Relieve the fuel pressure.
6. Disconnect the quick-connect fittings from the fuel pump.

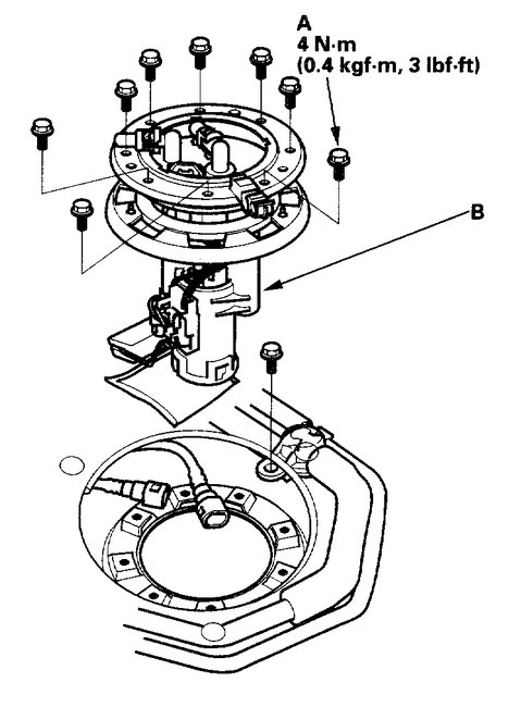
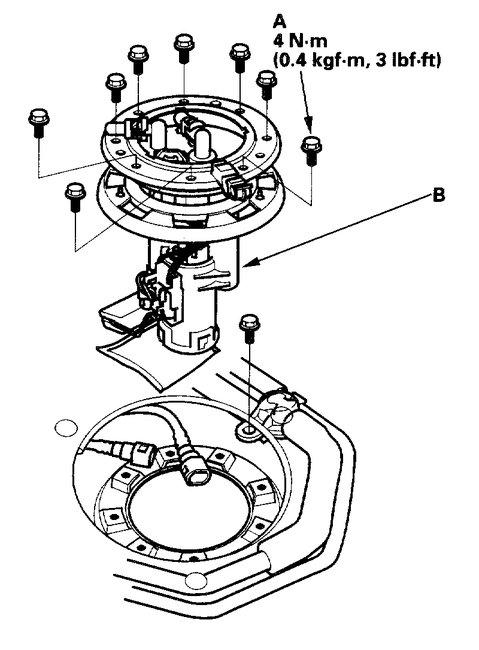
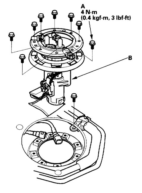
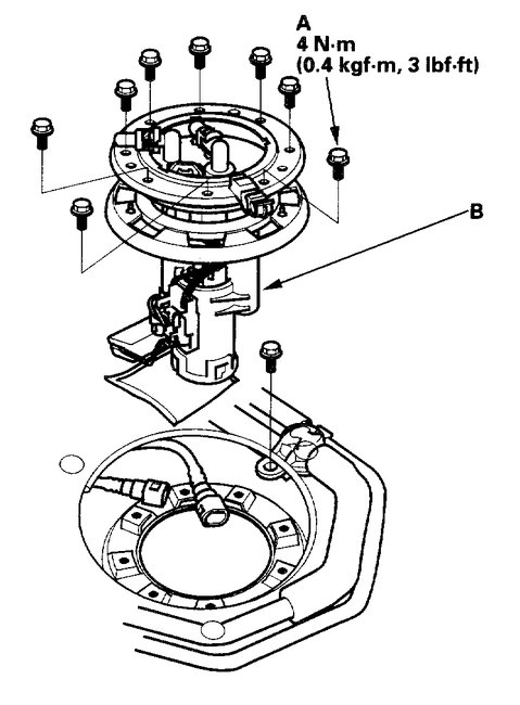
Fuel Pump

Picture 2

7. Remove the bolts (A), and the fuel tank unit (B).

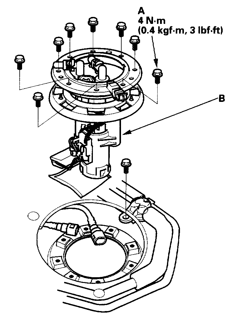
Picture 3

8. Remove the bracket (A), the fuel filter (B), the fuel gauge sending unit (C), the hose (D), and the wire harness (E).
9. When connecting the fuel pump, make sure the connection is secure and the suction filter (H) is firmly connected to the fuel pump (I).
10. Install the pants in the reverse order of removal with a new base gasket, then check these items:
- When connecting the wire harness, make sure the connection is secure and the terminal (F) is firmly locked into the place.
- Check that the tab of the clamp (G) does not interfere with the wire harness.
- Do not push the lower part of the suction filter.
- When installing the fuel gauge sending unit, make sure the connection is secure and the connector is firmly locked into place. Be careful not to bend or twist it excessively.

___________________________________________

Note: There is also a suction filter (letter H picture 3). Most refer to it as a sock. Replace it too. That shouldn't be hard to get.

Let me know if this helps or if you have other questions.

Take care,
Joe
Was this
answer
helpful?
Yes
No
+1
Saturday, September 19th, 2020 AT 1:20 PM (Merged)
Tiny
KINCWU
  • MEMBER
  • 1 POST
  • 2000 HONDA ACCORD
  • 6 CYL
  • 2WD
  • AUTOMATIC
  • 112,080 MILES
How to replace fuel filter on honda accord ex 2000
Was this
answer
helpful?
Yes
No
Saturday, September 19th, 2020 AT 1:20 PM (Merged)
Tiny
RASMATAZ
  • MECHANIC
  • 75,992 POSTS
Fuel Filter Replacement

After making sure that the fuel pump and the fuel pressure regulator are OK, replace the fuel filter whenever fuel pressure drops below the specified value (320 - 370 kPa, 3.3 - 3.8 kgf/sq. Cm, 47 - 54 psi with the fuel pressure regulator vacuum hose disconnected and pinched).

Remove the fuel tank unit.

Remove the fuel filter (A).
Install the parts in the reverse order of removal with a new base gasket, then check these items:
When connecting the wire harness, make sure the connection is secure and the terminal (B) is firmly locked into place.
Check that the tab of the clamp (C) does not interfere with the wire harness.
Do not push the lower part of the suction filter (D).
When installing the fuel gauge sending unit (E), make sure the connection is secure and the connector is firmly locked into place. Be careful not to bend or twist it excessively.
Was this
answer
helpful?
Yes
No
+1
Saturday, September 19th, 2020 AT 1:20 PM (Merged)
Tiny
SAC599274
  • MEMBER
  • 1 POST
  • 2000 HONDA ACCORD
  • 4 CYL
  • FWD
  • AUTOMATIC
  • 143,000 MILES
I have a 2000 honda accord and I was told it needed a new fuel filter. Its start to crank but it sounds like its not getting enough gas. Idont know how to change a fuel filter and when I called an auto parts store the said I couldt replace it. What can I do?
Was this
answer
helpful?
Yes
No
Saturday, September 19th, 2020 AT 1:20 PM (Merged)
Tiny
RASMATAZ
  • MECHANIC
  • 75,992 POSTS
Its located under the hood, driver side, rear side of strut tower, mounted in rear corner of engine compartment.
Was this
answer
helpful?
Yes
No
Saturday, September 19th, 2020 AT 1:20 PM (Merged)
Tiny
KASHCOLD
  • MEMBER
  • 10 POSTS
I have 99 ex v6 3.0, is the fuel filter in the same place as in the 4 cylinder model? Behind drivers strut tower? Let me knw, thank you guys.
Was this
answer
helpful?
Yes
No
-1
Saturday, September 19th, 2020 AT 1:20 PM (Merged)
Tiny
JOHNNY333333
  • MEMBER
  • 2 POSTS
  • 2003 HONDA ACCORD
  • 4 CYL
  • 2WD
  • AUTOMATIC
  • 29,000 MILES
Is it correct that the fuel filter is situated in the petrol tank on this car thanks john
Was this
answer
helpful?
Yes
No
Saturday, September 19th, 2020 AT 1:21 PM (Merged)
Tiny
MHPAUTOS
  • MECHANIC
  • 31,937 POSTS
Hi there,

yes the filter is located in the tank and is only service when the fuel presser drops below a specific value. There are special tools required to test this and the readings vary between models.

Mark (mhpautos)
Was this
answer
helpful?
Yes
No
Saturday, September 19th, 2020 AT 1:21 PM (Merged)
Tiny
JOHNNY333333
  • MEMBER
  • 2 POSTS
Thanks for that john
Was this
answer
helpful?
Yes
No
Saturday, September 19th, 2020 AT 1:21 PM (Merged)

Please login or register to post a reply.