Fuel Filter Replacement?

Tiny
ANONYMOUS
  • MEMBER
  • 1999 HONDA ACCORD
  • 138,000 MILES
I have a 1999 Honda Accord LX 2.3. Im needing to locate the fuel filter. Its not on the driver side firewall, nor passanger side either. Please help!
Tuesday, November 27th, 2012 AT 12:41 AM

20 Replies

Tiny
ASEMASTER6371
  • MECHANIC
  • 52,796 POSTS
The fuel filter should be replaced whenever the fuel pressure drops below the specified value (320 - 370 kPa, 3.3-3.8 kg/sq. Cm, 47-54 psi with the fuel pressure regulator vacuum hose disconnected and pinched) after making sure that the fuel pump and the fuel pressure regulator are OK.

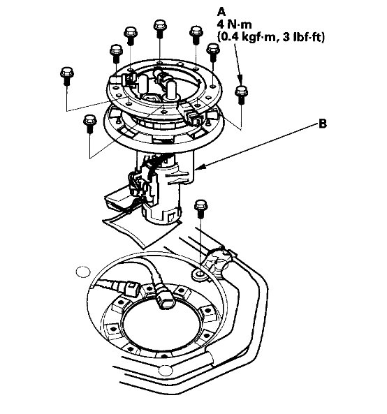
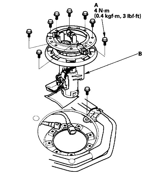
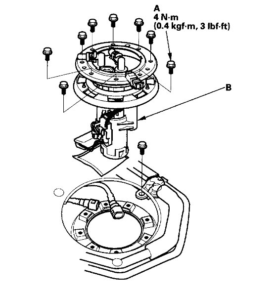
Remove the fuel tank unit.

Remove the fuel filter (A).
Install the part in the reverse order of removal with a new base gasket, then check these items.

When connecting the wire harness, make sure the connection is secure and the terminal (B) is firmly locked into place.
Check that the tab of the clamp (C) does not interfere with the wire harness.
Do not push the lower part of the suction filter (D).
When installing the fuel gauge sending unit (E), make sure the connection is secure and the connector is firmly locked into place. Be careful not to bend or twist it excessively.
Was this
answer
helpful?
Yes
No
Tuesday, March 19th, 2019 AT 6:10 PM
Tiny
REUBEN22
  • MEMBER
  • 1 POST
  • 1998 HONDA ACCORD
  • 6.0L
  • V6
  • 2WD
  • 200,000 MILES
I can't find fuel filter location my car LX model, 3.0l.
Was this
answer
helpful?
Yes
No
Saturday, September 19th, 2020 AT 1:22 PM (Merged)
Tiny
SCGRANTURISMO
  • MECHANIC
  • 4,897 POSTS
Hello,

The fuel filter on your vehicle is an integral part of the fuel pump, which is located in the fuel tank. I have included exploded diagrams of the fuel system and fuel pump, as well as instructions for the removal and installation of the fuel pump in the diagrams down below. Please go through the guide and get back to us with what you decide to do and how it turns out.

Thanks,
Alex
2CarPros
Was this
answer
helpful?
Yes
No
+4
Saturday, September 19th, 2020 AT 1:22 PM (Merged)
Tiny
J2003A
  • MEMBER
  • 1 POST
  • 1999 HONDA ACCORD
Where is the the fuel filter located exactly?
Was this
answer
helpful?
Yes
No
+1
Saturday, September 19th, 2020 AT 1:23 PM (Merged)
Tiny
BRUCE HUNT
  • MECHANIC
  • 3,754 POSTS
Your car is fuel injected. Can you find the rail that the injectors are found on? The injector rail should be alongside of the head/valve cover. At each end of the rail will be a hose. Follow the hoses. One of them will lead to the filter which should be fastened to the firewall.
Was this
answer
helpful?
Yes
No
+1
Saturday, September 19th, 2020 AT 1:23 PM (Merged)
Tiny
MICHELE_EUBANKS
  • MEMBER
  • 1 POST
  • 1998 HONDA ACCORD
  • 6 CYL
  • FWD
  • AUTOMATIC
  • 117,000 MILES
Where is the fuel filter located on a 1998 honda accord v6? Please show picture

thanks
Was this
answer
helpful?
Yes
No
Saturday, September 19th, 2020 AT 1:23 PM (Merged)
Tiny
KHLOW2008
  • MECHANIC
  • 41,814 POSTS
Hi michele_eubanks,

Filter is located in fuel tank. Item # 2.


https://www.2carpros.com/forum/automotive_pictures/192750_FuelPump98Accord_1.jpg

Was this
answer
helpful?
Yes
No
+1
Saturday, September 19th, 2020 AT 1:23 PM (Merged)
Tiny
KIKE
  • MEMBER
  • 1 POST
  • 1998 HONDA ACCORD
  • 3.0L
  • V6
  • 2WD
  • AUTOMATIC
  • 95 MILES
Where is situated my fuel filter in my car
Was this
answer
helpful?
Yes
No
Saturday, September 19th, 2020 AT 1:23 PM (Merged)
Tiny
DOCFIXIT
  • MECHANIC
  • 18,828 POSTS
Filter incorporated with pump in tank can access via trunk. Remove floor mat and trim panels this will allow you to get at pump bolts. Then disassemble assemble replace filter then reassemble. While your there may want to consider pump replacement also
Was this
answer
helpful?
Yes
No
+3
Saturday, September 19th, 2020 AT 1:23 PM (Merged)
Tiny
SAAILER
  • MEMBER
  • 20 POSTS
  • 1996 HONDA ACCORD
  • 4 CYL
  • FWD
  • AUTOMATIC
  • 170,000 MILES
Please tell me how to change the fuel filter. I've never seen one quite this inaccessable. The top connector is not a problem, neither is the mounting bracket. It is the bottom connection which can not be reached. From the top it's blocked, in-part, by the master cylinder; On the bottom by the cross member.

I may be able to disconnect but I do not know how I would re-connect the fule inlet line. Please help.

Saailer
Was this
answer
helpful?
Yes
No
Saturday, September 19th, 2020 AT 1:23 PM (Merged)
Tiny
KHLOW2008
  • MECHANIC
  • 41,814 POSTS
Hi saailer,

Thank you for the donation.

You have to get at it from the side. Use an open end 19 mm spanner to hold the filter while using the 14 mm pipe wrench to unloosen the nut. Space is limited and I sometimes have to use a screwdriver as a lever against both the 19 mm and pipe wrench to unlock.

Removal of air intake hose would provide more space for working.

Hope it helps.
Was this
answer
helpful?
Yes
No
Saturday, September 19th, 2020 AT 1:23 PM (Merged)
Tiny
SAAILER
  • MEMBER
  • 20 POSTS
Not the top nut. Not the 14mm. The bottom fuel line inlet is the one. It's approx. A 10 or 12mm.
Was this
answer
helpful?
Yes
No
Saturday, September 19th, 2020 AT 1:23 PM (Merged)
Tiny
KHLOW2008
  • MECHANIC
  • 41,814 POSTS
The top is 17 mm. Bottom should be 14 mm. Filter housing has a slot for a 19 mm open end spanner to hold the filter for loosening the 14 mm nut.
Was this
answer
helpful?
Yes
No
+1
Saturday, September 19th, 2020 AT 1:23 PM (Merged)
Tiny
ZEMORZEMOR
  • MEMBER
  • 486 POSTS
  • 1996 HONDA ACCORD
  • 232,000 MILES
I want to change to fuel filter and clean the fuel system how can I do that at home. I want to use techron do I have to change the fuel filter first after putting techron in gas tank or techron and changing fuel filter. How can I clean fuel lines, fuel tank, rail and fuel injector

Thankyou
Was this
answer
helpful?
Yes
No
Saturday, September 19th, 2020 AT 1:24 PM (Merged)
Tiny
FREEMBA
  • MECHANIC
  • 1,152 POSTS
Change the filter first and then add the Techron.

To change the filter (mounted on the passenger side firewall), put a drain pan inderthe vehicle to catch any fuel which may leak out during the installation process.
1. Before you begin remove fuse #13 from the fuse box [its a 7.5A fuse], it protects the fuel pump circuit.
2. Start the engine and let it run until it cuts off (about 15 seconds in most cases). This depressurizes the fuel system, eliminating the possibility of fuel spraying out once the lines are disconnected.
3. Disconnect the bottom fuel line from the filter.
4. Disconnect the top line from the filter, be sure to get both washers from the bolt which holds the line on. (The outlet line of on a Honda firewall-mounted fuel filter uses a banjo bolt type fitting. Always use new sealing washers when reinstalling the banjo bolt)
5. Reverse the procedure to install the new filter
6. Do not forget to put the #13 fuse back in place.
7. Since all fuel and pressure has been depleted from the line, it make take a few cyclings of the ignition key on for about 4 seconds and then off again in order to build its pressure back to normal and then start the engine.
Was this
answer
helpful?
Yes
No
Saturday, September 19th, 2020 AT 1:24 PM (Merged)
Tiny
TAL GRIFFIN
  • MEMBER
  • 1 POST
  • 1995 HONDA ACCORD
  • 2.7L
  • V6
  • 2WD
  • AUTOMATIC
  • 238,000 MILES
On my car listed above EX model, I cannot locate the fuel filter.
Was this
answer
helpful?
Yes
No
Saturday, September 19th, 2020 AT 1:24 PM (Merged)
Tiny
ASEMASTER6371
  • MECHANIC
  • 52,796 POSTS
Good afternoon,

I attached a picture of the location that is under the hood. Check out the diagrams (Below). Please let us know if you need anything else to get the problem fixed.

Roy
Was this
answer
helpful?
Yes
No
+1
Saturday, September 19th, 2020 AT 1:24 PM (Merged)
Tiny
MLCRAIG
  • MEMBER
  • 1 POST
  • 1995 HONDA ACCORD
  • 4 CYL
  • 2WD
  • MANUAL
  • 147,000 MILES
Hi: I have a 1995 Honda Accord. It's been in for regular maintenance and oil changes as long as I've owned it (and most major systems have been replaced--except a transmission overhaul--yet).

My question is about the fuel filter. How often does it reasonably need to be replaced? It's apparently tough to get to (and has a stripped bolt). The mechanic I am using also warned that "while $120 to replace just the filter, " once you get in there all kinds of things can be corroded or need to be replaced. Sounds a bit dodgy to me. Advice?
Was this
answer
helpful?
Yes
No
Saturday, September 19th, 2020 AT 1:25 PM (Merged)
Tiny
F4I_GUY
  • MECHANIC
  • 3,302 POSTS
The filter is not that difficult to do, your mechanic just clearly hasn't done a lot of them. I would take it to a mechanic who is more comfortable with honda's. The only thing that might go wrong, is if you have rotted fuel lines, you will spring a leak and will need new fuel lines (which does happen on older vehicles)

It should be replaced every 50,000mi.
Was this
answer
helpful?
Yes
No
Saturday, September 19th, 2020 AT 1:25 PM (Merged)
Tiny
ASEMASTER6371
  • MECHANIC
  • 52,796 POSTS
Okay, I attached the procedure and some pictures for you for the replacement for the fuel filter.

https://www.2carpros.com/articles/how-to-change-a-fuel-filter

Roy

WARNING: Do not smoke while working on fuel system. Keep open flame away from your work area. While replacing the Fuel Filter, be careful to keep a safe distance between Battery Terminals and any tools.

The Fuel Filter should be replaced whenever the fuel pressure drops below the specified value (265-314 kPa, 2.7-3.2 kgf/cm2, 38-46 psi with the Fuel Pressure Regulator Vacuum Hose disconnected and pinched) after making sure that the Fuel Pump and the Fuel Pressure Regulator are OK.

NOTE: The original radio has a coded Theft Protection Circuit. Be sure to get the customer's code number before;
- Disconnecting the Battery.
- Removing the No. 39 (7.5 A) fuse from the under-hood Fuse/Relay Box.
- Removing the Radio.

After service, reconnect power to the Radio and turn it on. When the word "CODE" is displayed, enter the customer's 5-digit code to restore Radio operation.

1. Disconnect the Battery Negative Cable from the Battery Negative Terminal.
2. Place a shop towel under and around the Fuel Filter.
3. Relieve fuel pressure.

imageOpen In New TabZoom/Print

4. Remove the Banjo Bolt and the Fuel Feed Pipe from the Fuel Filter, then support with the other wrench.
5. Remove the Fuel Filter Clamp and Fuel Filter.
6. When assembling, use new Washers.

NOTE: Clean the Flared Joint of High Pressure Hoses thoroughly before reconnecting them.
Was this
answer
helpful?
Yes
No
Monday, January 25th, 2021 AT 5:23 AM

Please login or register to post a reply.