My brake lights are not working?

Tiny
ADAMKOPCHYAK
  • MEMBER
  • 2009 HONDA ACCORD
  • 4 CYL
  • FWD
  • AUTOMATIC
  • 27,000 MILES
My brake lights are not working? There are two (2) wires (black and red) for the bulb but I don't know how to fix it can you help me?
Sunday, March 14th, 2010 AT 8:43 AM

24 Replies

Tiny
KHLOW2008
  • MECHANIC
  • 41,814 POSTS
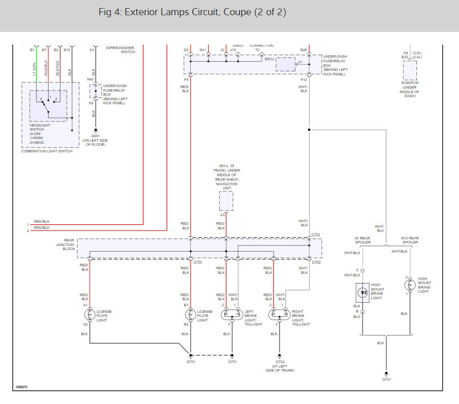
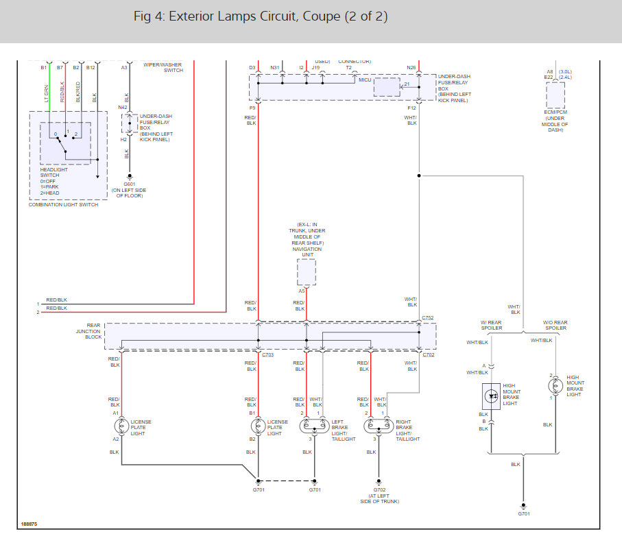
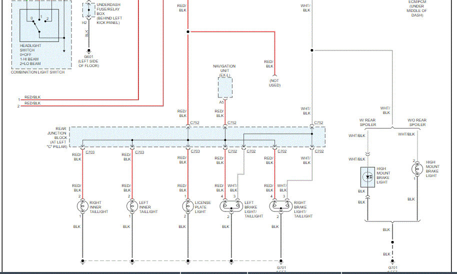
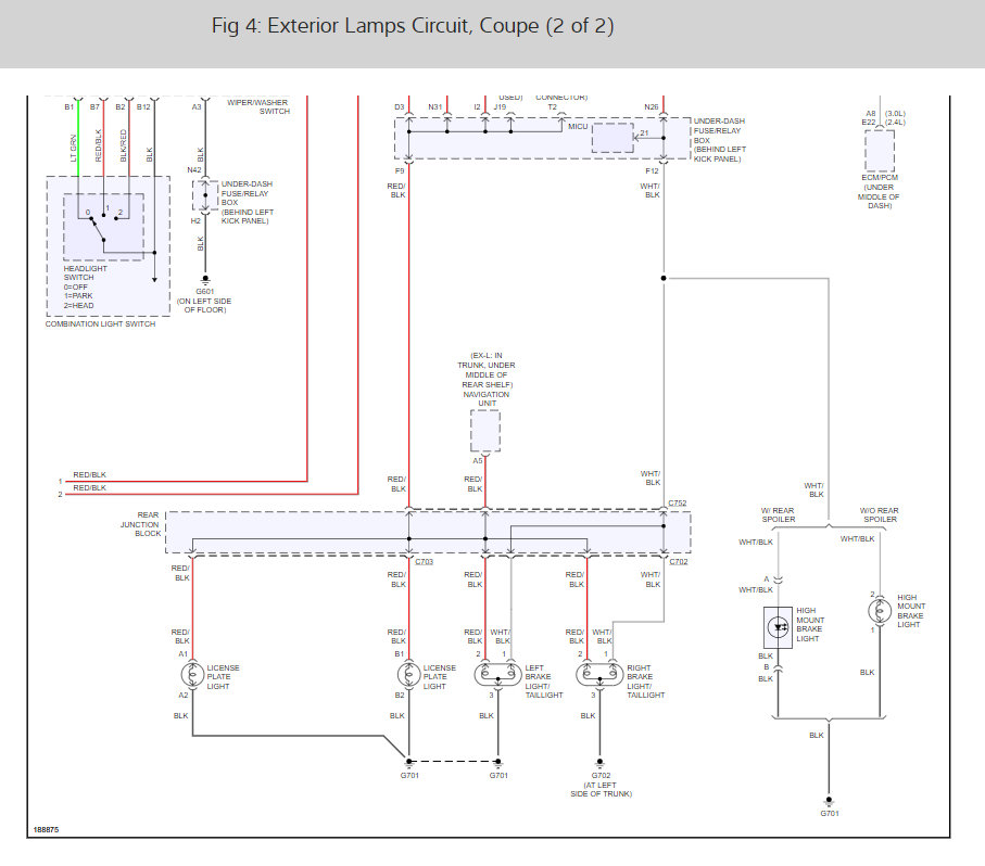
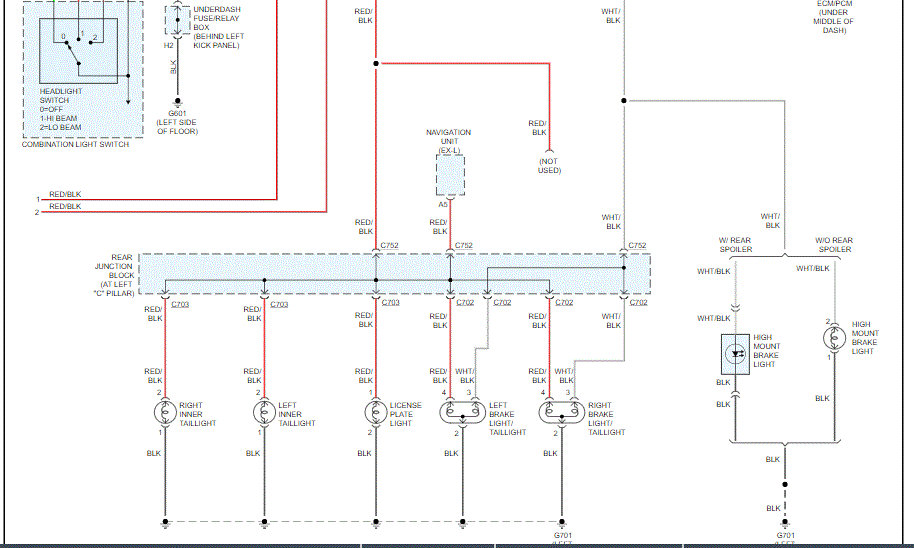
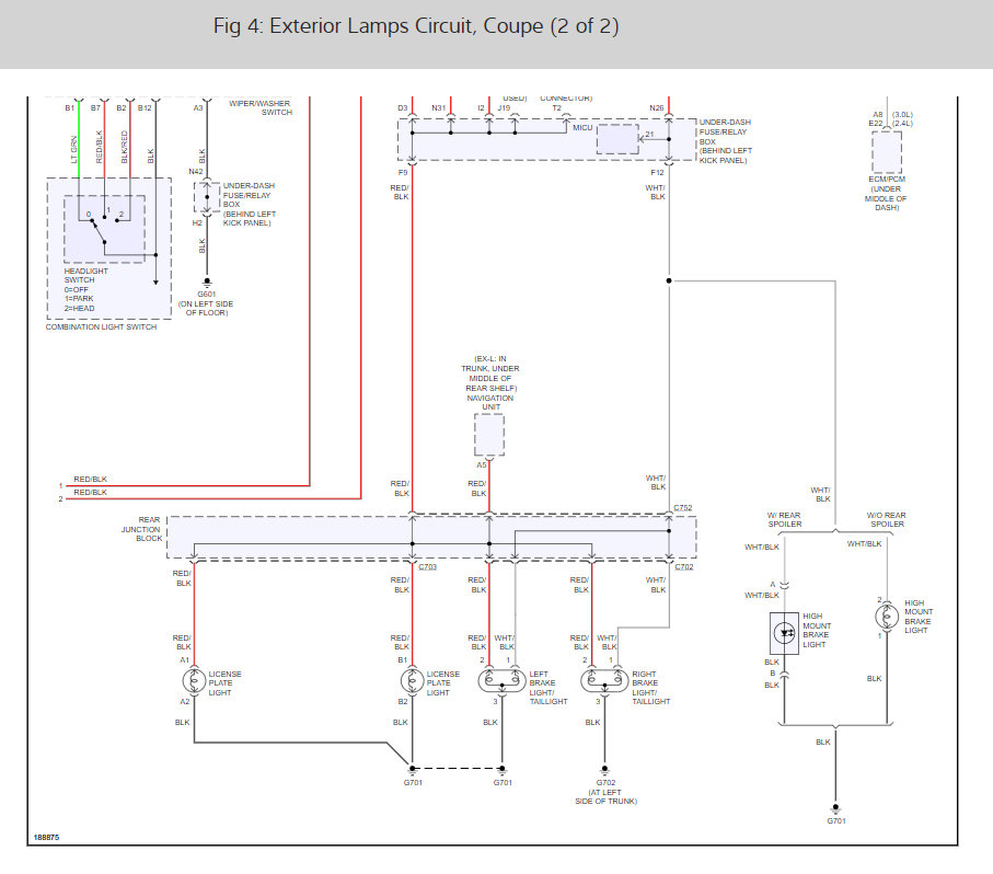
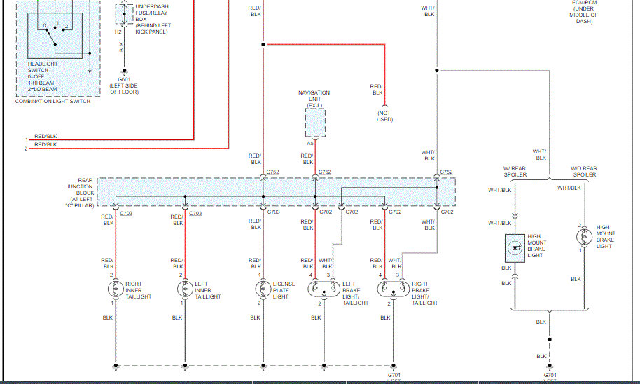
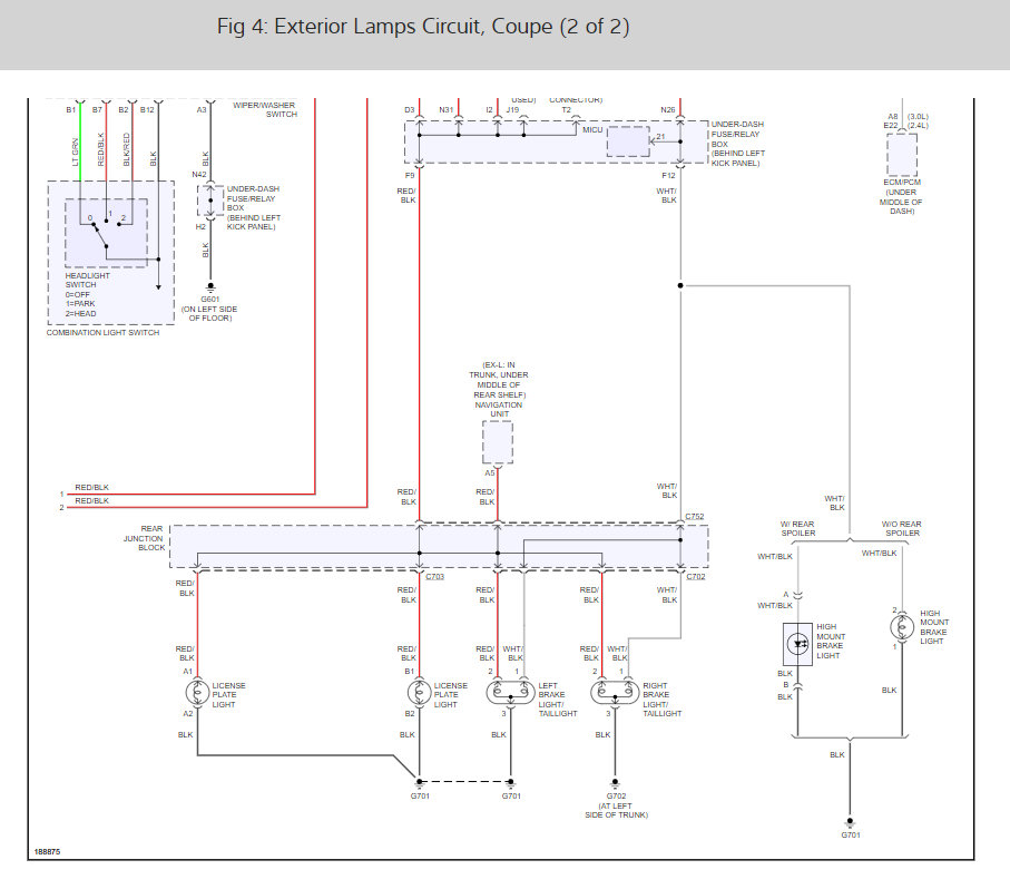
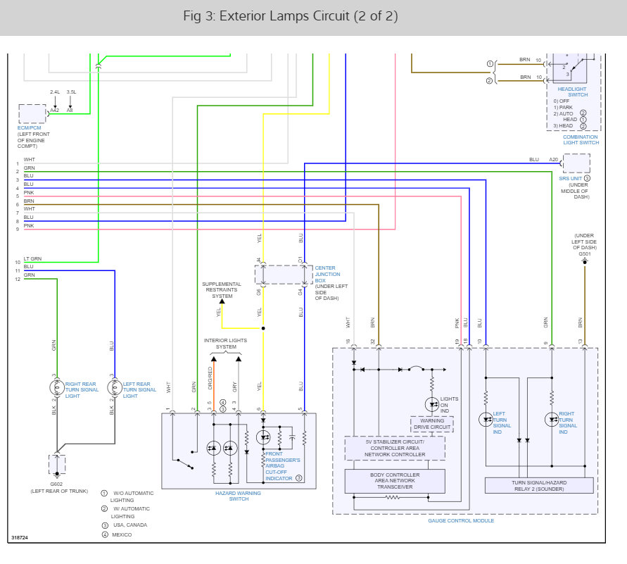
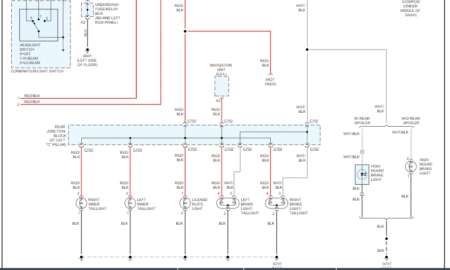
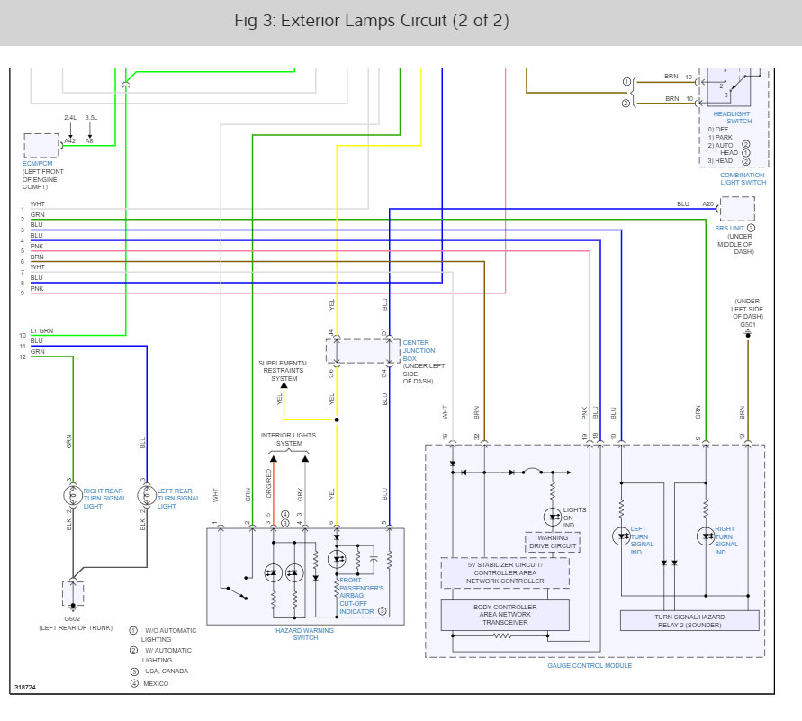
It sounds like the #10 fuse in the under hood fuse panel is out or the drives MICU is out. But let's start with the easy stuff, here is a guide to help you check the fuses witht he fuse location in the diagrams below. I have included the brake light wiring diagrams and fuse locations so you can see how the system works.

https://www.2carpros.com/articles/brake-lights-not-working

and

https://www.2carpros.com/articles/how-to-check-a-car-fuse

Check out the diagrams (Below). Let us know what happens and please upload pictures or videos of the problem.
Was this
answer
helpful?
Yes
No
Wednesday, March 17th, 2010 AT 9:36 AM
Tiny
MUDDLEPUP
  • MEMBER
  • 1 POST
  • 2006 HONDA ACCORD
I've been having trouble with my brake light not coming on?
Was this
answer
helpful?
Yes
No
+1
Monday, May 17th, 2021 AT 12:01 PM (Merged)
Tiny
KHLOW2008
  • MECHANIC
  • 41,814 POSTS
It can be the brake light switch I just had this problem with a this car in the shop here is the switch location so you can change it out. Check out the diagrams (Below). Please let us know what you find.
Was this
answer
helpful?
Yes
No
Monday, May 17th, 2021 AT 12:01 PM (Merged)
Tiny
BMANION
  • MEMBER
  • 1 POST
  • 2004 HONDA ACCORD
  • 6 CYL
  • FWD
  • AUTOMATIC
  • 84,000 MILES
All of my lower brake lights are out at the same time but the upper brake light is okay. The filaments in the brake lights look okay. All other lights and electrical are okay?
Was this
answer
helpful?
Yes
No
-1
Monday, May 17th, 2021 AT 12:01 PM (Merged)
Tiny
KHLOW2008
  • MECHANIC
  • 41,814 POSTS
Hi bmanion,

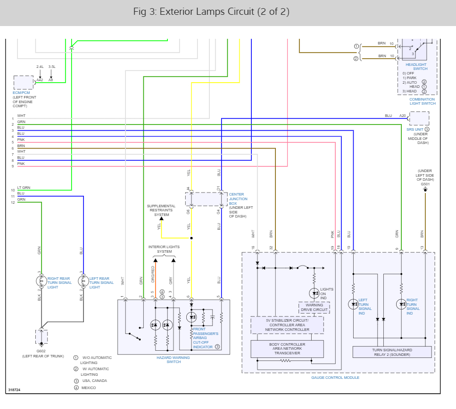
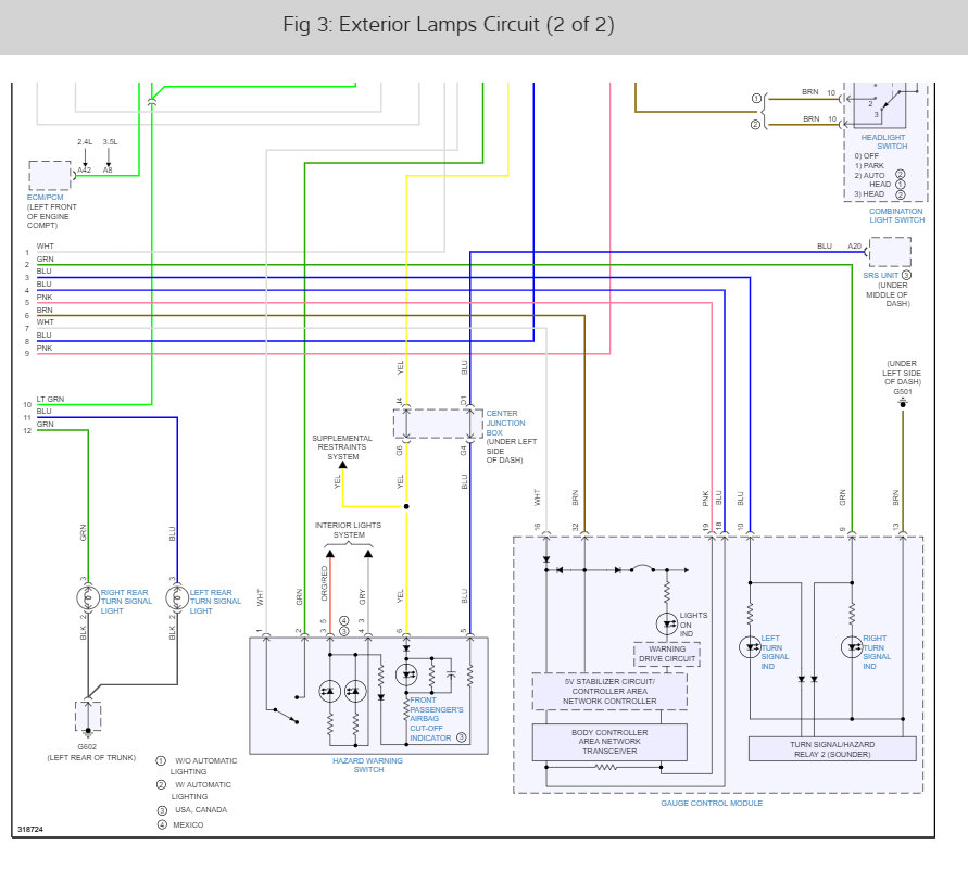
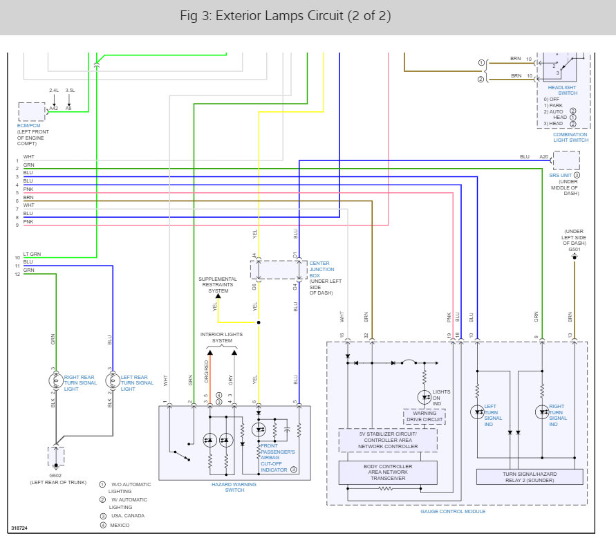
It sounds like the turn signal hazard relay is not working correctly but to be sure here is a guide to help test for power with the brake light wiring diagrams along with the turn signal relay below.

https://www.2carpros.com/articles/how-to-use-a-test-light-circuit-tester

Check out the diagrams (Below). Please let us know what you find. We are interested to see what it is.

Was this
answer
helpful?
Yes
No
Monday, May 17th, 2021 AT 12:01 PM (Merged)
Tiny
ZANYJB
  • MEMBER
  • 1 POST
Thank you for this post I had this problem and had to get a new flasher relay cost me $65.00 all fixed I love this site.
Was this
answer
helpful?
Yes
No
Monday, May 17th, 2021 AT 12:01 PM (Merged)
Tiny
LITTLERASCAL
  • MEMBER
  • 1 POST
  • 2003 HONDA ACCORD
Looking at the manual it does not indicate which fuse is used for the "brake lights." Without pulling every fuse how do I tell which one I should be checking.
Was this
answer
helpful?
Yes
No
+1
Monday, May 17th, 2021 AT 12:01 PM (Merged)
Tiny
F4I_GUY
  • MECHANIC
  • 3,302 POSTS
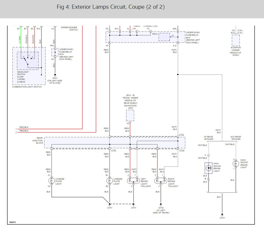
You should check each fuse with a test light or multimeter. Sometimes the fuse schematics does not list every circuit that is on that particular fuse so it is always best to check all of the fuse.

Here is a guide to help you see how to check the fuses

https://www.2carpros.com/articles/how-to-check-a-car-fuse

Here are the fuse panel locations and identification

Check out the diagrams (Below)

Please let us know if you need anything else to get the problem fixed.

Cheers
Was this
answer
helpful?
Yes
No
Monday, May 17th, 2021 AT 12:01 PM (Merged)
Tiny
JENN822
  • MEMBER
  • 1 POST
  • 2003 HONDA ACCORD
  • 4 CYL
  • 2WD
  • MANUAL
  • 35,000 MILES
We've checked the fuse. It is the same one as the horn. The fuse is fine and the horn works. All other lights work on the tale light. The brake lights just won't work. Help.
Was this
answer
helpful?
Yes
No
Monday, May 17th, 2021 AT 12:01 PM (Merged)
Tiny
MHPAUTOS
  • MECHANIC
  • 31,937 POSTS
Hi there,

Check the brake light switch at the top of the brake pedal, remove plug and check for power and if OK bridge out plug with a paper clip or split pin and check for lights, if OK replace switch.

Mark (mhpautos)
Was this
answer
helpful?
Yes
No
+2
Monday, May 17th, 2021 AT 12:01 PM (Merged)
Tiny
ANNIE KAVENEY
  • MEMBER
  • 1 POST
  • 2003 HONDA ACCORD
  • 2.4L
  • 4 CYL
  • 2WD
  • AUTOMATIC
  • 51,000 MILES
Brake lights don't work but running lights are working.
Was this
answer
helpful?
Yes
No
Monday, May 17th, 2021 AT 12:01 PM (Merged)
Tiny
ASEMASTER6371
  • MECHANIC
  • 52,796 POSTS
Good afternoon,

I attached a wiring diagram for you to view. You need to test for power to the brake light switch. In most cases, it is the switch that is bad.

https://www.2carpros.com/articles/brake-lights-not-working

https://www.2carpros.com/articles/how-to-check-wiring

https://www.2carpros.com/articles/how-to-check-a-car-fuse

Roy

1. Disconnect the 4P connector (A) from the brake pedal position switch (B).
2. Check for continuity between the No. 1 and No. 2 terminals.
There should be continuity when the brake pedal is pressed.
There should be no continuity when the brake pedal is released.

3. Check for continuity between the No. 3 and No. 4 terminals (with cruise control).
There should be no continuity when the brake pedal is pressed.
There should be continuity when the brake pedal is released.

4. If necessary, adjust or replace the switch, or adjust the pedal height.
Was this
answer
helpful?
Yes
No
Monday, May 17th, 2021 AT 12:01 PM (Merged)
Tiny
WSP690
  • MEMBER
  • 1 POST
  • 2001 HONDA ACCORD
  • 4 CYL
  • FWD
  • AUTOMATIC
  • 38,000 MILES
The brake light indicator is lit up on the instrument cluster on the dashboard. Is it a sensor and how do I replace it?
Was this
answer
helpful?
Yes
No
Monday, May 17th, 2021 AT 12:01 PM (Merged)
Tiny
RGAYER_4484
  • MEMBER
  • 2 POSTS
Hello,

This means you have a brake light out here is a guide to help walk you through the bulb replacement and diagrams below to show you how on your car.

https://www.2carpros.com/articles/brake-lights-not-working

Check out the diagrams (Below). Please let us know if you need anything else to get the problem fixed.
Was this
answer
helpful?
Yes
No
Monday, May 17th, 2021 AT 12:02 PM (Merged)
Tiny
G.SMOTHERS
  • MEMBER
  • 2 POSTS
  • 1999 HONDA ACCORD
Tonight I noticed that I have no brake lights at all. I do have marker lights. Turn signal. Back up. Etc I checked the fuse and looked for any disconnected wires, but didn't find anything. Could I have a bulb out that is causing them all not to work? Any help would be appreciated.
Was this
answer
helpful?
Yes
No
Monday, May 17th, 2021 AT 12:02 PM (Merged)
Tiny
BRUCE HUNT
  • MECHANIC
  • 3,754 POSTS
I suspect and would check the brake light switch on the brake pedal.
Was this
answer
helpful?
Yes
No
Monday, May 17th, 2021 AT 12:02 PM (Merged)
Tiny
G.SMOTHERS
  • MEMBER
  • 2 POSTS
Bruce- I replaced the brake light switch and I'm good to go. I really appreciate the help. :D
Was this
answer
helpful?
Yes
No
Monday, May 17th, 2021 AT 12:02 PM (Merged)
Tiny
TELLISRODGERS
  • MEMBER
  • 2 POSTS
  • 1996 HONDA ACCORD
  • 4 CYL
  • 4WD
  • AUTOMATIC
  • 200,000 MILES
Brake lights wouldn't go off and turning signal stop working
Was this
answer
helpful?
Yes
No
Monday, May 17th, 2021 AT 12:02 PM (Merged)
Tiny
BRUCE HUNT
  • MECHANIC
  • 3,754 POSTS
Start by looking at the switch on the brake pedal. If the brake lights are always on, I would suspect that you cruise control does not work either. The switch can be tested with an ohm meter.
Was this
answer
helpful?
Yes
No
Monday, May 17th, 2021 AT 12:02 PM (Merged)
Tiny
TELLISRODGERS
  • MEMBER
  • 2 POSTS
It was the brake light switch thank you
Was this
answer
helpful?
Yes
No
-2
Monday, May 17th, 2021 AT 12:02 PM (Merged)

Please login or register to post a reply.