Monday, September 1st, 2008 AT 10:21 AM
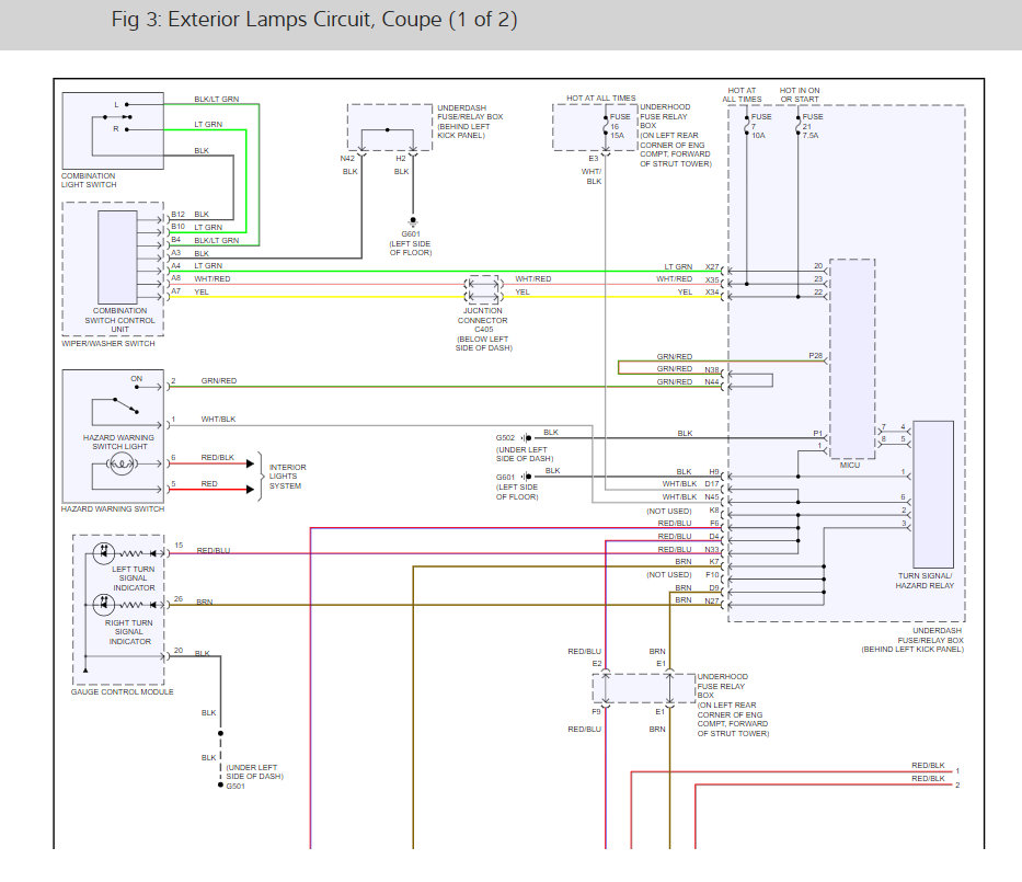
I had a blow out on my left front tire the other day and now my tail lights will not work and my blinker and hazard fuses keep blowing. I need to know how to rewire my tail lights and find the short that keeps blowing my fuses?





