I need to know where is the Air conditioner relay

Tiny
DANYSONY
  • MEMBER
  • 2000 HONDA ACCORD
  • 4 CYL
  • 2WD
  • MANUAL
  • 85,000 MILES
Hi.I'm Danny.I have a 2000 Accord. The AC stop working, I checked the power to the compressor, and it's missing.I also checked the high pressure switch and it's working and it has 4.66 V. The AC light inside it's on. I need to know where is located the Ac relay, or if someone has a repair manual. What I have to do to diagnose the system.

The compressor does not engage. A friend of mine told me do not jump the compressor directly from the battery, because I can burn the compressor, some of the cars are using less than 12v for the compressor. He said.

Thanks in advance
Friday, August 28th, 2009 AT 9:27 PM

5 Replies

Tiny
KEN L
  • MASTER CERTIFIED MECHANIC
  • 55,322 POSTS
Hello Danysony,

The location for the air conditioner relay is under the hood, the diagram below will show you where.

Here is how you test the relay

https://www.2carpros.com/articles/how-to-check-an-electrical-relay-and-wiring-control-circuit

If the compressor does not engage when you turn on the A/C, see if it will run by jumping the compressor clutch wire directly to the battery (use a fused jumper wire). If the compressor works when you jump it, and the A/C blows cold air, the system contains refrigerant and the fault is likely a bad A/C compressor clutch relay or a bad clutch cycling switch or pressure switch.

If the compressor does not engage when you jump it, the problem is a bad compressor clutch.

If the clutch engages but the compressor does not turn (the belt will start to slip and squeal), the compressor is locked up and you need a new compressor.

Here is how you replace a compressor

https://www.2carpros.com/articles/replace-air-conditioner-compressor

If the compressor clutch engages and turns the compressor, but the A/C still does not blow cold air, the system is probably low on refrigerant and needs to be recharged. If you Have an A/C gauge set, hook it up and see if the system has any pressure.

https://www.2carpros.com/articles/air-conditioner-how-to-add-freon

If it is out of refrigerant or is low, check for leaks, then have the A/C system vacuum purged to remove air. After the air is out, it can be recharged with the specified amount of refrigerant. It is important to get any air out as this will reduce cooling efficiency and may make the compressor noisy.

Here is how you check for leaks

https://www.2carpros.com/articles/air-conditioner-leak-detection

Please let us know happens so it will help others.

Best, Ken
Was this
answer
helpful?
Yes
No
+7
Saturday, June 29th, 2019 AT 7:31 PM
Tiny
KEVCULMSTOCK
  • MEMBER
  • 4 POSTS
  • 1997 HONDA ACCORD
  • 2.7L
  • V6
  • 2WD
  • AUTOMATIC
Hi There, I need help locating the AC clutch relay on a 1997 Honda accord v6. It's not under the fuse/relay box under the hood and I don't see next to the ac condenser fan which is were it is located on 4 cylinder models. ?
Was this
answer
helpful?
Yes
No
+1
Tuesday, June 30th, 2020 AT 7:17 PM (Merged)
Tiny
DRCRANKNWRENCH
  • MECHANIC
  • 3,380 POSTS
Attached is a diagram of Relay location.
Was this
answer
helpful?
Yes
No
+3
Tuesday, June 30th, 2020 AT 7:17 PM (Merged)
Tiny
KEVCULMSTOCK
  • MEMBER
  • 4 POSTS
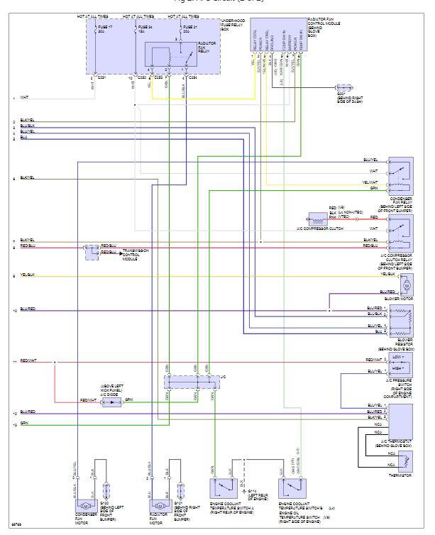
This diagram is for the 2.2 liter. I need one for the 2.7 liter
Was this
answer
helpful?
Yes
No
Tuesday, June 30th, 2020 AT 7:17 PM (Merged)
Tiny
DRCRANKNWRENCH
  • MECHANIC
  • 3,380 POSTS
Sorry it took so long. Attached is wiring diagram for 2.7L AC system with description of location. Also there is a pic of engine compartment location.
Was this
answer
helpful?
Yes
No
+2
Tuesday, June 30th, 2020 AT 7:17 PM (Merged)

Please login or register to post a reply.