AC Control Panel not working

1999 HONDA ACCORD
90,000 MILES • 4 CYL • FWD • AUTOMATIC
Avatar
CHERRY107
  • MEMBER
  • 1 POST
Today when I tried to turn on the air conditioner by rotating the fan switch only the fan turned on and none of the little lights illuminated over the various functions on the AC control panel and all I get is warm air from the vents. The fan switch works fine but none of the other buttons function.

I have continuity through every fuse on the vehicle and I removed the dash panel and found all connections around the control panel to be secure.
Dec 18, 2009 at 4:13 AM
Repair Safety Notice: This information is for general instructional purposes only. Vehicle repair can be dangerous. Verify all information, follow manufacturer service procedures, use proper tools and safety equipment, and consult a qualified repair shop when needed.
Advertisement
Avatar
KHLOW2008
  • CAR REPAIR CONTRIBUTOR
  • 41,814 POSTS
Hi Cherry107,

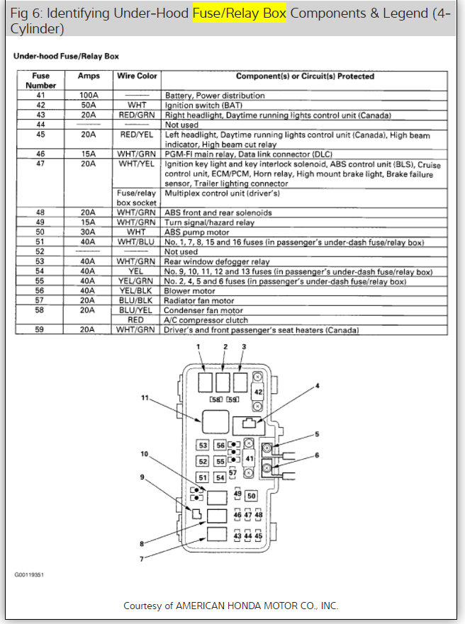
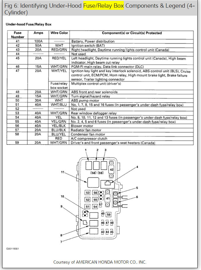
It sounds like you have a fuse out #13 7.5 amp here is a guide t help you test it with wiring diagrams of the climate control so you can see how it works and the fuse location are featured as well.

https://www.2carpros.com/articles/how-to-check-a-car-fuse


Check out the diagrams (Below). Please let us know what you find. We are interested to see what it is.
Dec 19, 2009 at 10:41 PM
Advertisement
Avatar
ZANYJB
  • MEMBER
  • 1 POST
It was the fuse in my car FYI
Mar 18, 2019 at 4:38 PM
Avatar
TUMMAS
  • MEMBER
  • 16 POSTS
Hi Folks,
> I have a Honda Accord 1999 EX Model. I face a strange problem. When i
> turn the car engine on usually the A/C and Heating panel light does not
> turn on. I try pushing mode button, temprature knowb, a/c button
> recirulation button but none of them have any effect and the lights do
> not turn on. It seems as if there is no power in the panel. However,
> The radio and cd player below it works fine.
> After i have driven for 20 minutes or so, the A/C panel ligts
> dramatically turn on and everything starts working great. These lights
> may go out again at any time and it kinda keeps eaking out between ON
> and Off stage at its own will.
>
> I have not been able to establish a pattern of these lights/ system
> turing on/off except that most of the time there is no light on the
> heating and cooling panel. My car does not have an automatic Climate
> Control System, so i ma discounting some setting issues in that.
>
> When i took it to Car Mechanic, he was not too sure but suggested that
> replacing the control unit right behind the Heating/Control Panel may
> help as there was power in the main line when he checked it. But he is
> not too sure.
>
> please let me known your professional advice.
>
Mar 18, 2019 at 4:38 PM (Merged)
Avatar
KHLOW2008
  • CAR REPAIR CONTRIBUTOR
  • 41,814 POSTS
Hi tummas,

Check the fuses:

Inspect the control panel connections:

Consider the control panel itself:
Mar 18, 2019 at 4:38 PM (Merged)
Avatar
TUMMAS
  • MEMBER
  • 16 POSTS
Thank you so much!
Mar 18, 2019 at 4:38 PM (Merged)
Avatar
KHLOW2008
  • CAR REPAIR CONTRIBUTOR
  • 41,814 POSTS
You're welcome.

Have a nice day.
Mar 18, 2019 at 4:38 PM (Merged)
Avatar
TUMMAS
  • MEMBER
  • 16 POSTS
When I started to look buying one such panel it is costing me 150-200 dollars. Can you help me know if panel can be repaired and if so please let me know any other alternatives available for me.
Mar 18, 2019 at 4:38 PM (Merged)
Avatar
BYPEREZ315
  • MEMBER
  • 2 POSTS
Hello, the AC button no longer lights up when i press it, however i do hear the compressor turn on but because the AC light isnt lighting on it will not allow the AC to actually start to cool. I checked all of the fuses both in the car and under the hood and they are fine. What can it be? Thanks
Mar 18, 2019 at 4:38 PM (Merged)
Avatar
KHLOW2008
  • CAR REPAIR CONTRIBUTOR
  • 41,814 POSTS
Hi byperez315,

Does the copressor stop when the button is released after turning it on?
Mar 18, 2019 at 4:38 PM (Merged)
Avatar
RIVERMIKERAT
  • CAR REPAIR CONTRIBUTOR
  • 6,110 POSTS
Unless you know how to solder, no. You can try saving a few dollars by buying a used control panel from a junkyard.
Mar 18, 2019 at 4:38 PM (Merged)
Avatar
BYPEREZ315
  • MEMBER
  • 2 POSTS
The compressor does not turn on because when we press the ac button it does not light up at all. none of the buttons light up.
Mar 18, 2019 at 4:38 PM (Merged)
Avatar
KHLOW2008
  • CAR REPAIR CONTRIBUTOR
  • 41,814 POSTS
If the control panel is not lighting up, most likely it is faulty. This problem is quite common with the year model.

Would you be able tpo perform diagnostics to test the wirings?
Mar 18, 2019 at 4:38 PM (Merged)
Avatar
MD062003
  • MEMBER
  • 1 POST
Air Conditioning problem
1999 Honda Accord 4 cyl Front Wheel Drive Automatic 129K miles
----------------------------------------------------------------
Hi, My car's temperature control panel sometimes just shuts down. The fan still runs but only blows HOT air. The lights on the panel buttons, the air conditioning and the vent all become inoperable. This happens without rhyme or reason....sometimes everything will come back on immediately if I shut off the temperature control panel (ie totally turn off the fan). Sometimes it takes a lot longer to come back on. Just took the car to the dealership where they "couldn't figure out the problem"...they told me to hit under the glove compartment next time it happens I guess in an attempt to jiggle the blower fan....just doesn't sound like great advice. Any other owners with this problem? Texas is about to get hot and I'd love to resolve the issue!! Thanks, Ginine
Mar 18, 2019 at 4:39 PM (Merged)
Avatar
ONEACCORD99
  • MEMBER
  • 2 POSTS
I have the same problem; just posted a similar question. Unfortunately, I can't provide any answers. I can say that in conjunction with this issue, my 99 hond accord also wouldn't start for quite a few attempts, particularly after restarting after a short trip in a store, pumping gas, etc... or when it's hot out. It seems electrical and perhaps has to do with fuses, but I can't be sure. I'm afraid to take it to the dealership because I've been scammed out of $700 with nothing repaired yet. I can't afford to hand over any more money without a fix, especially in our current economy. If anyone has had any similar issues and can help to resolve the problems, please post.

Thanks!
Mar 18, 2019 at 4:39 PM (Merged)
Avatar
KHLOW2008
  • CAR REPAIR CONTRIBUTOR
  • 41,814 POSTS
Hi md062003,

The control panel is acting up. If you know how to tinker with electronic circuits, take it apart and check for some poor soldering points or leaking capicators.

If not, you might have to replace the unit.
Mar 18, 2019 at 4:39 PM (Merged)
Avatar
SAYHONKMON
  • MEMBER
  • 1 POST
My a/c control panel has no power when turning on the a/c switch or the recirculation switch. This problem began as an intermittent problem, but now is a solid no power problem. The blower switch works.
I have checked the fuses and all are ok. Is there a relay that controls power to the switch panel?
thanks.
This is a 99 honda accord dx, 102,000 miles.
Mar 18, 2019 at 4:39 PM (Merged)
Avatar
SGRIEK
  • MEMBER
  • 1 POST
The ac dash controls don't seem to work... The blower comes on but no ac or lights. The dealer says I just need a new panel. He also says that the reason the car overheated is because of the ac dash controls failing. This seems very odd but I'm going to buy a used one and see if the ac and radiator fan start to work again. Did you find a fix?
99 EX 150,000 miles
Mar 18, 2019 at 4:39 PM (Merged)
Avatar
KFOSS23
  • MEMBER
  • 1 POST
Air Conditioning problem
1999 Honda Accord 4 cyl Front Wheel Drive Automatic 180k miles

ac panel goes out intermittedly. blower speed works. temp knob makes no diff. when not working all lights above buttons are not on.
Mar 18, 2019 at 4:39 PM (Merged)
Avatar
LEGITIMATE007
  • CAR REPAIR CONTRIBUTOR
  • 5,121 POSTS
hi , I believe your bcm(body control module) is acting up because of a few corroded wires . it will need to be looked at. also the dimmer switch may need to be checked too
Mar 18, 2019 at 4:39 PM (Merged)
Avatar
STEPHANIEWAINWRIGHT
  • MEMBER
  • 1 POST
1998 Honda Accord 6 cyl Front Wheel Drive Automatic

my ac contol is stuck on defrost and will not switch back. the mode says that its changing but its not.
Mar 18, 2019 at 4:39 PM (Merged)
Avatar
JEREMIAH
  • CAR REPAIR CONTRIBUTOR
  • 217 POSTS
there is a mode control motor under the center of the dash that controls the direction of air into the cabin. it could be stuck. you could see it from the lower side of the center console if you look right next to the gas pedal. toggle the mode switch and see if you notice something trying to move.
Mar 18, 2019 at 4:39 PM (Merged)
Avatar
AWONG
  • MEMBER
  • 1 POST
Air Conditioning problem
1999 Honda Accord 4 cyl Automatic
----------------------------------------------------------------
My air conditioning panel light sometimes lights up and sometimes it does not. Sometime all the lights are on and sometimes they are all off. The strange part is when I turn my car off sometimes the lights are on. The other things is the bottons freezes on me. I can not change the settings. Should I be concern? Is it my fuse? Do I need to bring it in? I reside in Miami. So its very important that the air works.

Help.
Mar 18, 2019 at 4:39 PM (Merged)
Avatar
KHLOW2008
  • CAR REPAIR CONTRIBUTOR
  • 41,814 POSTS
Hi awong,

You might have a faulty control panel and it is best you get it checked to avoid the AC failing when you need it.
Mar 18, 2019 at 4:39 PM (Merged)
Avatar
JACKHONDA00
  • MEMBER
  • 1 POST
I know my climate control module needs to be replaced on my 2000 Accord LX. The one I have now has all of the manual buttons up top. Can I replace it with the version that has a digital screen? See picts...
Oct 15, 2019 at 6:18 PM
Avatar
STEVE W.
  • CAR REPAIR CONTRIBUTOR
  • 15,148 POSTS
Welcome to 2CarPros. The short answer is no. This is because the two controls use different internal programming and the body module would need to be re-programmed to make it work. That isn't something that can easily be done.
Oct 18, 2019 at 6:38 PM
Avatar
BRUCE NGUYEN
  • MEMBER
  • 1 POST
Jeremiah is correct because I foolishing followed the advice from the "expert" who said replace the circuit board behind the mode buttons. problems came back, here is how to fix mode buttons not lighting up:

The air mode buttons stopped lighting up again even after swapping the motherboard behind the buttons. I learned the real reason is likely the air mode actuator, which is a module under the steering wheel nearest the center of the dash, it is like the cruise control module in size. you may need to remove the fuse box and there are about 2 screws holding the bottom dash panel under the steering wheel in place. you might not need to remove it but it helps you see. the air mode actuator has a green connector you need to disconnect and there should be 2 push rods connected to the box, just like on your power door locks., inside you want to clean the contacts and grease off and sand the contacts lightly . you will regrease with silicone grease like sil glyde from Napa . you must also bend the fingers up which contact the rotary gear which has the circuits which the fingers touch, it looks like a circular maze of circuit traces. next bend and sand off the 2 positive and negative contacts on the electric motor so it makes more contact with it's circuit.



there is also the blend door actuator which looks exactly the same but it controls the hot and cold blending



these 2 videos show you how:



https://www.youtube.com/watch?v=CjclEh9pawY&list=WL&index=9



https://www.youtube.com/watch?v=1xKYEcZRppw&list=WL&index=1

Jul 6, 2023 at 11:48 AM