1995 Honda Nothing in the dash works

Tiny
95HONDA95
  • MEMBER
  • 1995 HONDA ACCORD
1995 Honda Accord 251,299 miles. Nothing in the dash works. No Gas. No speed. No rpms. No nothing.
Sunday, September 9th, 2007 AT 12:53 PM

2 Replies

Tiny
MIKE H R
  • MECHANIC
  • 3,094 POSTS
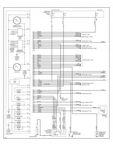
Check relay and fuses here is a diaghram.


https://www.2carpros.com/forum/automotive_pictures/54223_untitled_1.jpg

Was this
answer
helpful?
Yes
No
Monday, September 10th, 2007 AT 9:21 AM
Tiny
BRUCE HUNT
  • MECHANIC
  • 3,754 POSTS
Obviously this is electrical and could be a wiring problem or a fuse problem. I am going to email you a test procedure for the ELM (Electrical load module)

I have also been told that there is a voltage regulator under the dash to take it from 12v to 5volts. I don't know where it is and play hell trying to find it in the manuals.
Was this
answer
helpful?
Yes
No
Monday, September 10th, 2007 AT 9:27 AM

Please login or register to post a reply.