1991 Honda Accord 4 cyl Manual 197000 miles
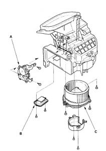
The car doesnt blow any air either on ac or heater. But sometimes it turns on on itself. Today, I went hit a bump and the fan started blowing air.
I dont think the blower is gone coz it turns on.
thank you
Tuesday, December 8th, 2009 AT 3:38 PM

