High beams not working

Tiny
ROAD67
  • MEMBER
  • 2006 PONTIAC GRAND PRIX
  • 3.8L
  • 6 CYL
  • 2WD
  • AUTOMATIC
  • 175,000 MILES
High beams are not working.
Wednesday, March 3rd, 2021 AT 7:54 PM

3 Replies

Tiny
DANNY L
  • MECHANIC
  • 5,648 POSTS
Hello, I'm Danny.

The first thing I would check is the high beam relay. Here is a tutorial showing how to test relays:

https://www.2carpros.com/articles/how-to-check-an-electrical-relay-and-wiring-control-circuit

The high beam relay is located in the under hood fuse box in location # 34. I've attached a picture below and circled in red. Hope this helps and thanks for using 2CarPros.
Was this
answer
helpful?
Yes
No
Wednesday, March 3rd, 2021 AT 10:53 PM
Tiny
ROAD67
  • MEMBER
  • 22 POSTS
All relays are good, bulbs good, fuse good. All ground wires under hood clean. New multifunction switch. The high beam Indicator comes on in the dash.
Was this
answer
helpful?
Yes
No
Thursday, March 4th, 2021 AT 5:59 AM
Tiny
DANNY L
  • MECHANIC
  • 5,648 POSTS
Hello again.

If all the fuses, relays, and new multi-function switch are in working order then it sounds like you have a wiring issue. Here is a tutorial on how to test wiring:

https://www.2carpros.com/articles/how-to-check-wiring

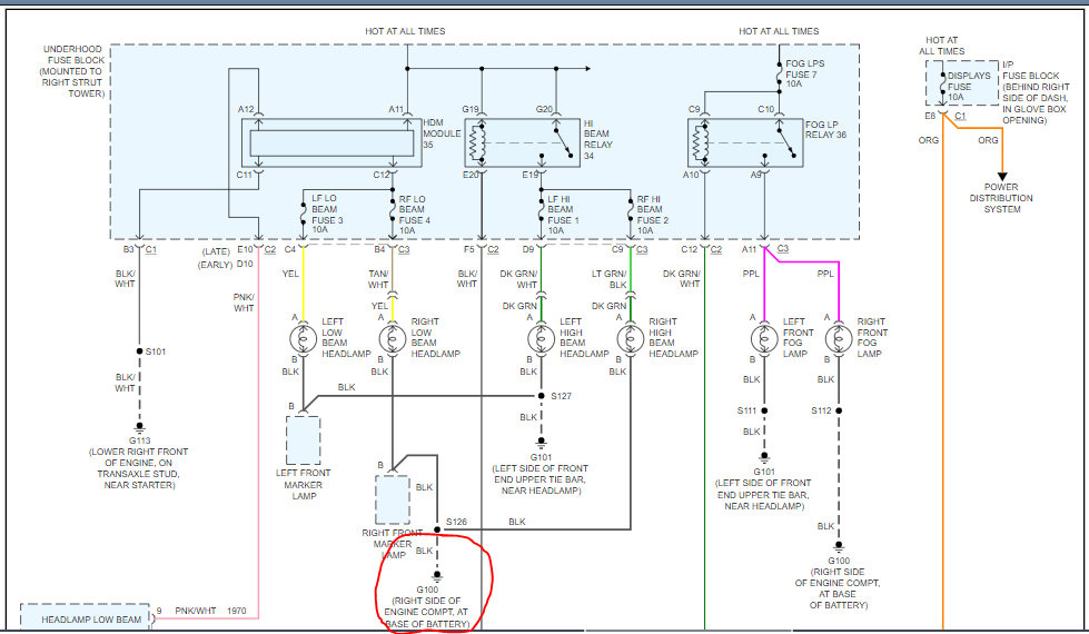
I've attached a picture wiring diagram below of your exterior lighting system for your car. I've cut the picture into 3 pieces so you can view larger. I would first check the ground that I've circled in red as a start .Check to see if the connection is not damaged, loose, corroded, or otherwise faulty. Let us know what you find and we'll go from there. Hope this helps and thanks again for using 2CarPros.

Danny-

Was this
answer
helpful?
Yes
No
Monday, March 8th, 2021 AT 3:04 PM

Please login or register to post a reply.