Thursday, February 16th, 2023 AT 10:50 AM
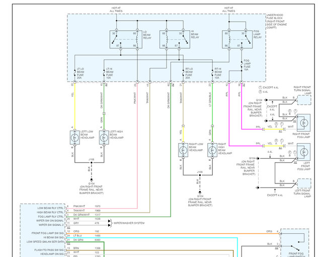
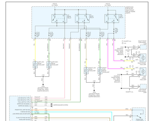
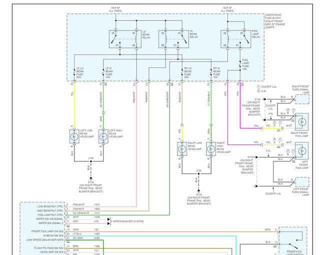
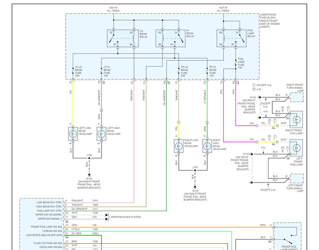
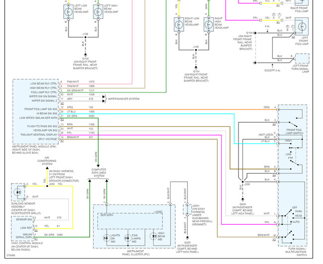
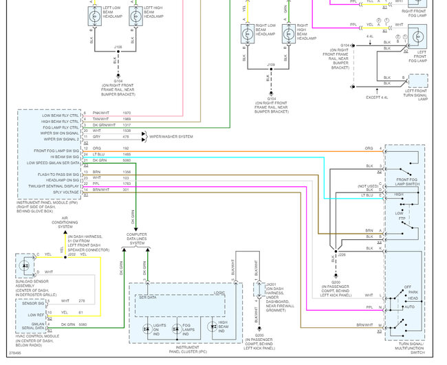
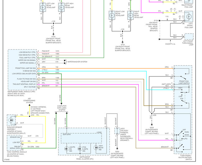
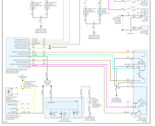
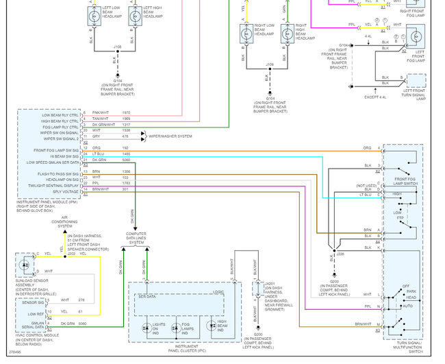
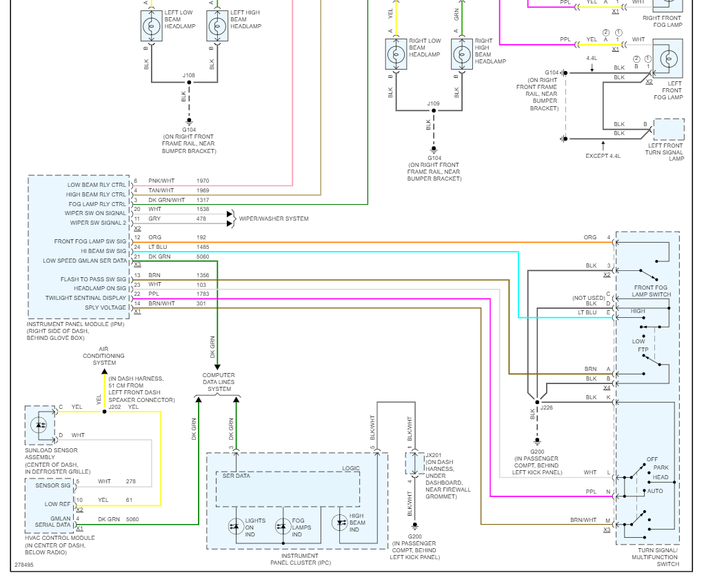
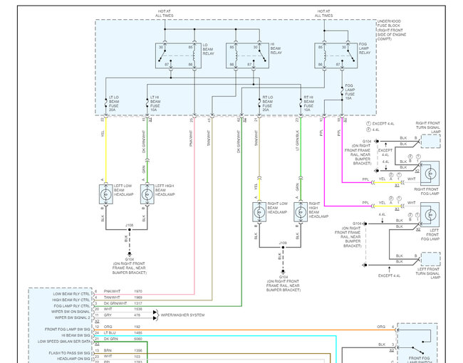
My High Beams are on until I use the left turn signal. How do I fix this? It's been going on a long while turns off on occasion then back on, the auto control on my rear-view mirror don't seem to work like it used to so it doesn't matter if the auto is on or off the high beams stay on regardless or at least till I use the left turn signal. Please send whatever I can do to fix this with wiring diagrams, if needed. PS: at night they go off when a car is in the opposite lane, at least that still works, Thanks Again you guys are priceless !






