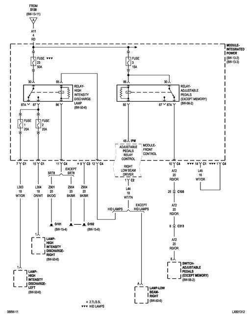
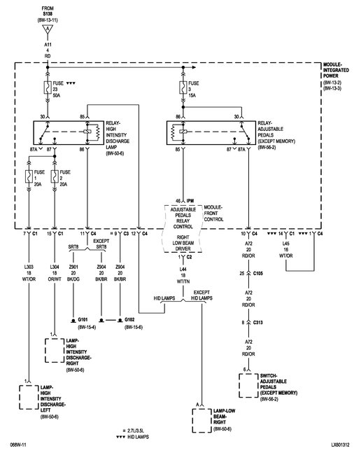
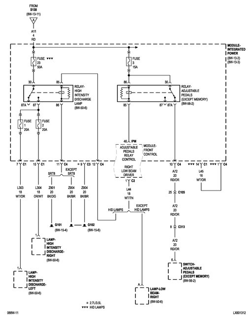
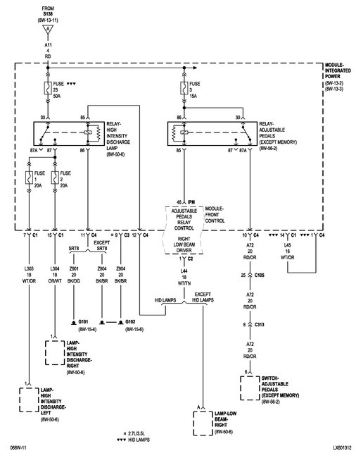
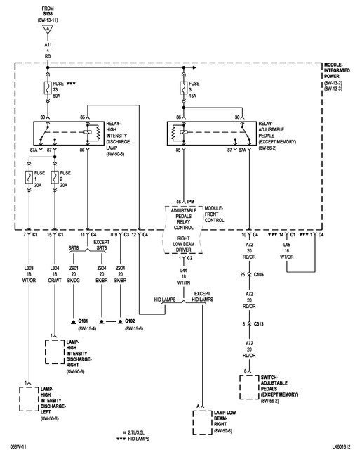
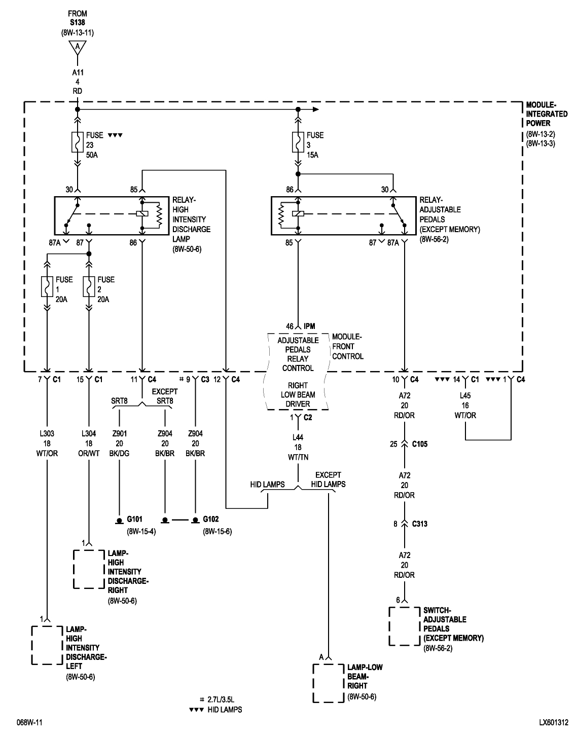
Tuesday, February 20th, 2018 AT 5:10 PM
I just replaced both HID headlight assemblies and new HID bulbs on my car listed above (300C). All works fine except neither of the HID low beams come on. I triple checked my connections. Any thoughts? Thanks.





