Head lights

Tiny
JREID08
  • MEMBER
  • 2006 CHRYSLER 300
  • 5.7L
  • V8
  • 2WD
  • AUTOMATIC
  • 148,000 MILES
My head lights stay on while the car is running even when the switch is turned off. What would cause this?
Sunday, November 15th, 2015 AT 12:12 PM

1 Reply

Tiny
CAR-MAN145
  • MECHANIC
  • 321 POSTS
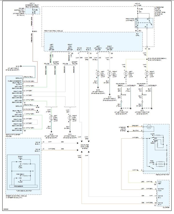
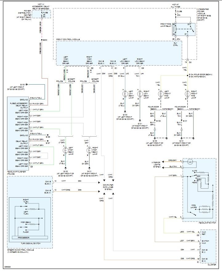
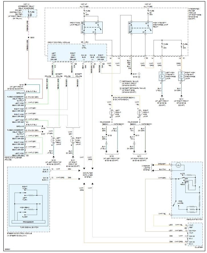
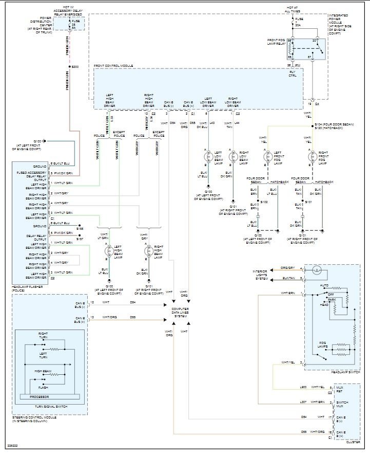
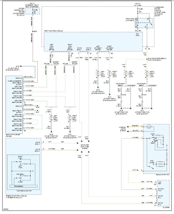
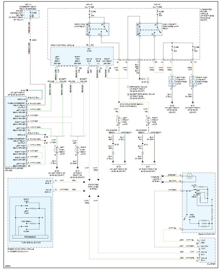
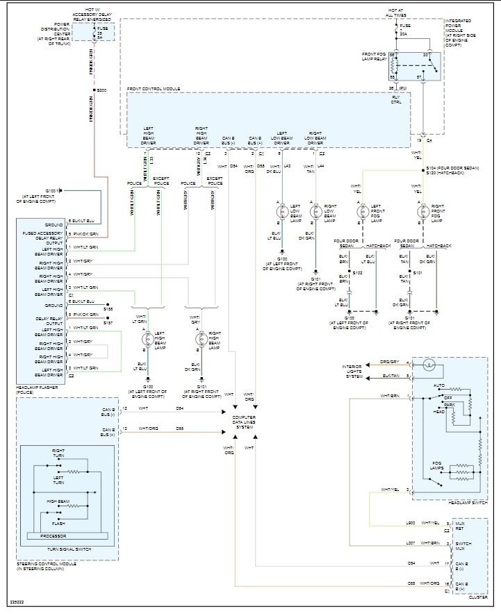
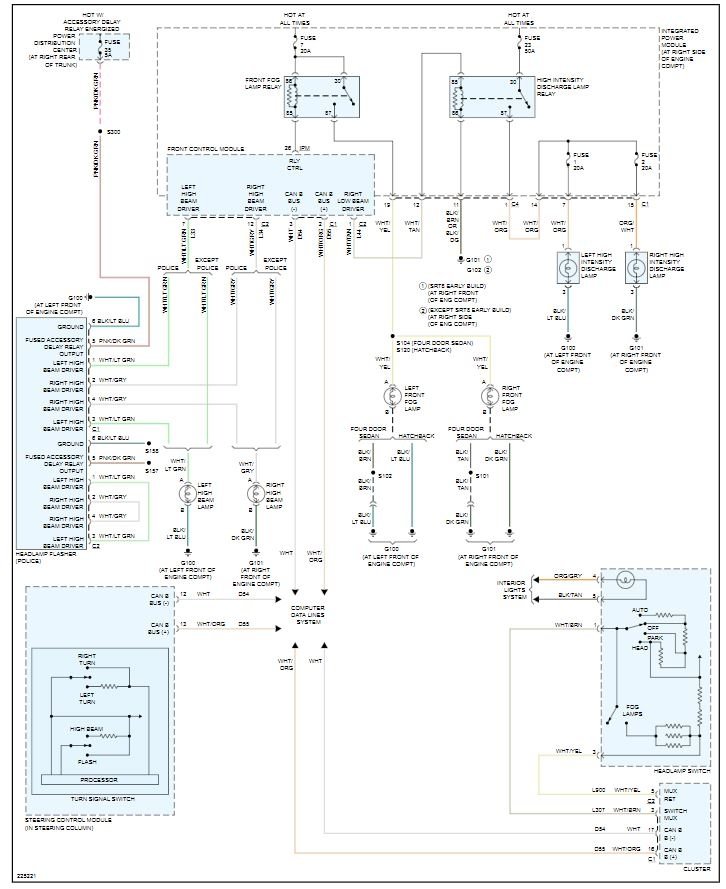
Maybe a bad headlight switch.. Depends on if you have HID or not. The front control module gets its signal through the instrument cluster via the switch... the HIDs have another relay and controller beyond that.... I'm gonna go simple and ask fit has DRL's?

See the article below on testing wiring

https://www.2carpros.com/articles/how-to-check-wiring

Attached below are the diagrams for HID and non-HID headlights
Was this
answer
helpful?
Yes
No
Tuesday, November 17th, 2015 AT 1:59 AM

Please login or register to post a reply.