Hesitation after a minute or so of driving

Tiny
ALEX GATLIN
  • MEMBER
  • 1994 FORD MUSTANG
  • 5.0L
  • V8
  • 2WD
  • MANUAL
  • 100,000 MILES
Hi guys. Okay, got a weird one here. I replaced my motor and transmission mounts. Since I had to drop my midpipes to make room for transmission mount, I decided to hang a pair of Flowmaster Super 44's on the catbacks. When I finished I picked up a nasty vibration, which turned out to be the driveline bolts to the differential yoke were extremely loose. I know, I thought it was the U joints too. Anyway, got the vibration fixed then this no power, hesitation started. I have replaced the fuel filter, changed cap and rotor, spark plug wires (even though I did a tune up less than 5,000 miles ago), still nothing. What do you guys think? A dirty throttle body? Bad TPS? Bad Coil? Bad fuel injector/wiring to injector? Any thoughts or experienced advice would be appreciated. Thank you.

Alex
Wednesday, June 30th, 2021 AT 8:43 PM

8 Replies

Tiny
JACOBANDNICKOLAS
  • MECHANIC
  • 110,194 POSTS
Since it started after doing the work, specifically the exhaust, are you sure there isn't a disconnected or damaged O2 sensor? Also, have you checked for diagnostic codes?

The things you mentioned could all cause what was described, but since it started after the work, I suspect something happened during the procedure.

Do me a favor. Check to see if there are any diagnostic trouble codes. This has an OBD1 system. You don't need a scanner for it. Follow the directions in this link and let me know what you find:

https://www.2carpros.com/articles/ford-lincoln-mercury-obd1-1995-and-earlier-diagnostic-trouble-code-definition-and-retrieval

Let me know if there are any codes. Also, let me know if there are any strange smells or sounds. I'm not real familiar with the flowmasters you installed, but there could be an airflow issue if installed in the wrong direction. I know the Flowmasters are chambered, so there would be a flow restriction if backward. It's just a thought.

Let me know.

Joe
Was this
answer
helpful?
Yes
No
Thursday, July 1st, 2021 AT 9:49 PM
Tiny
ALEX GATLIN
  • MEMBER
  • 47 POSTS
Hey guys, I thought of that too. I had to remove one of the O2s but put it in a sandwch baggie to keep iy grom getting poisoned. I also thought I could of screwed up on my template for the catbacks and got the exhaust pipe inserted too far into muffler before welding it causing an exhaust restriction and choking out that bank, but that all checked out. The drivers side O2 simply got unplugged at the connector and re plugged back in. Doubled checked the O2s and they are all good. A thought that I just had is that the fuel pump ground could be loose. All of the grounds in the engine compartment were loose when I started looking at things after I purchased vehicle, the transmission mount nuts were finger tight and the driveline to differentail yoke bolts were about to fall out when I checked the U joints. Could you send me the Ground distribution list with locations if you could for vehicle. I would like to check that and then check/clean throttle/throttle body/TPS next. If all good I will move on to injectors/wiring next. Also where is the CCRM located on this vehicle? Thank you for your time. Alex.
Was this
answer
helpful?
Yes
No
Friday, July 2nd, 2021 AT 5:37 AM
Tiny
ALEX GATLIN
  • MEMBER
  • 47 POSTS
Sorry, also I pulled the DTCs via the blink test and got 111. No codes stored and no MIL illuminated.
Was this
answer
helpful?
Yes
No
Friday, July 2nd, 2021 AT 5:39 AM
Tiny
JACOBANDNICKOLAS
  • MECHANIC
  • 110,194 POSTS
Hi,

If this is a Cobra, you have to let me know. I looked up the GT 5.0L HO.

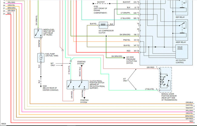
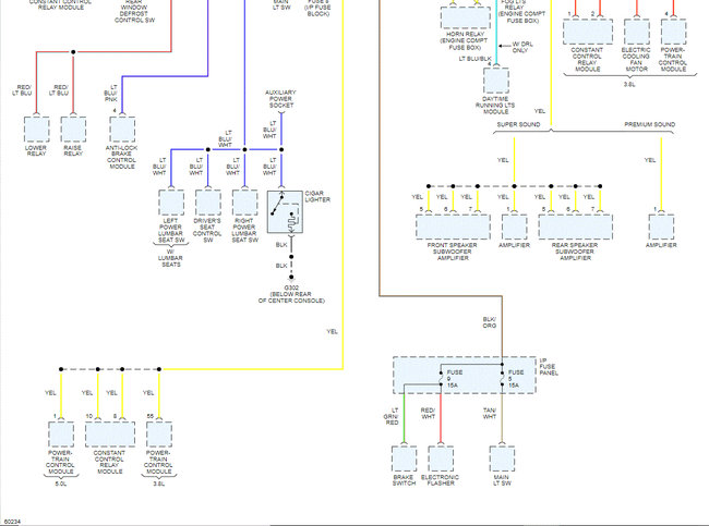
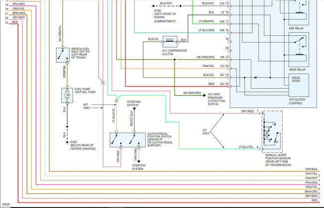
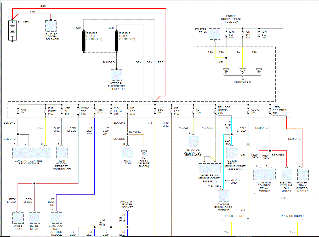
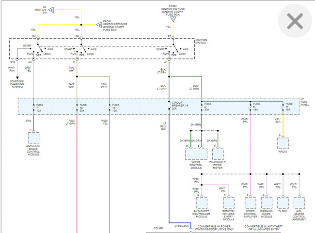
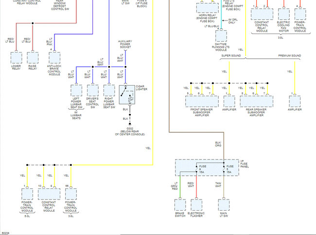
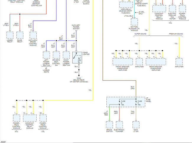
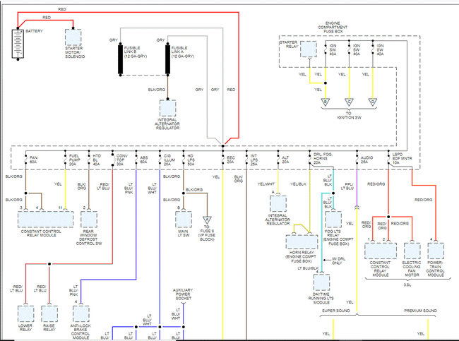
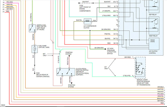
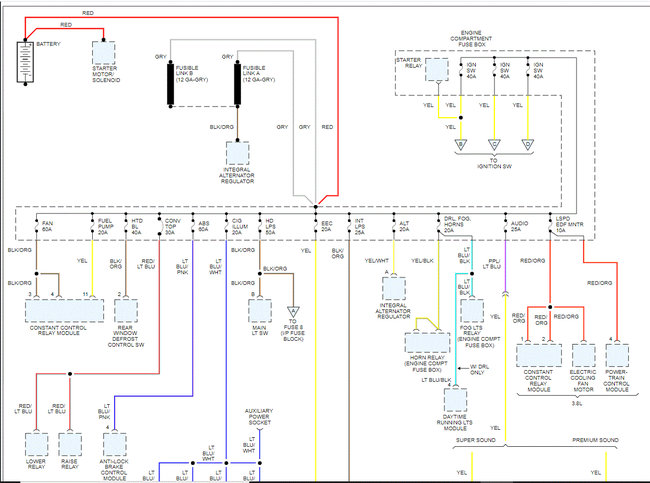
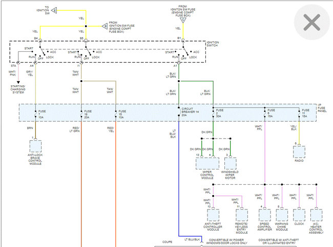
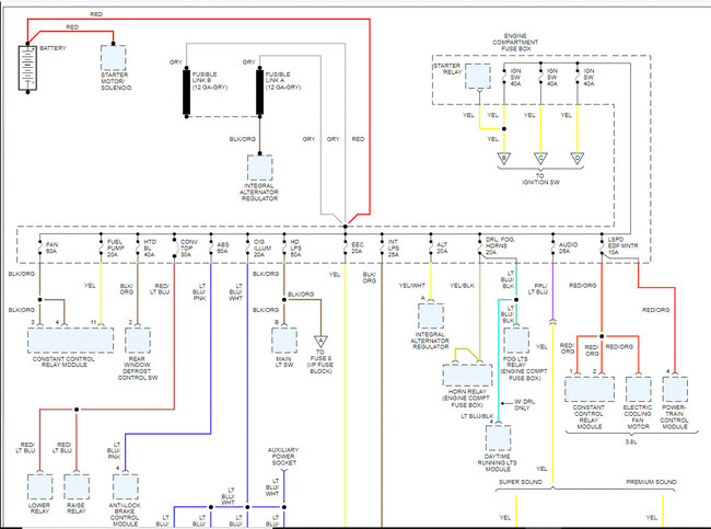
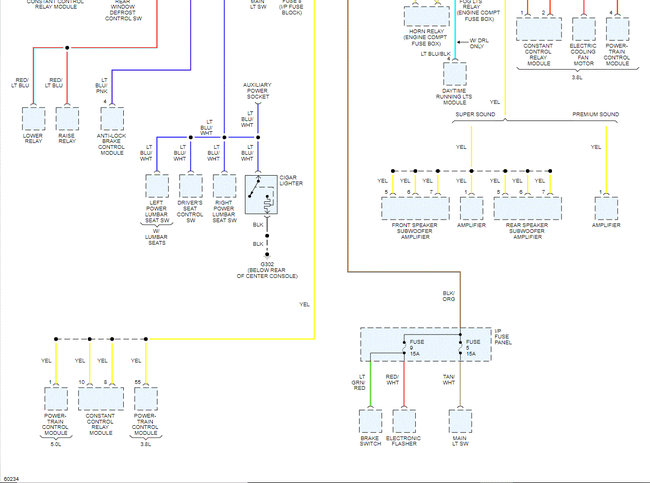
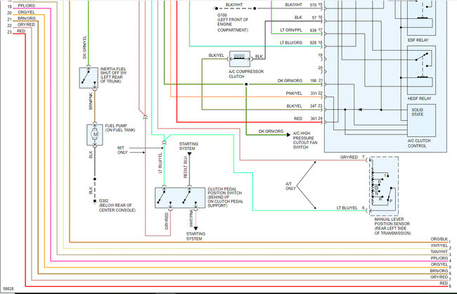
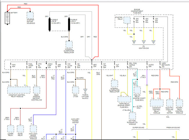
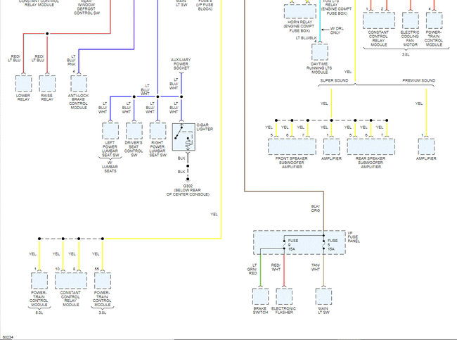
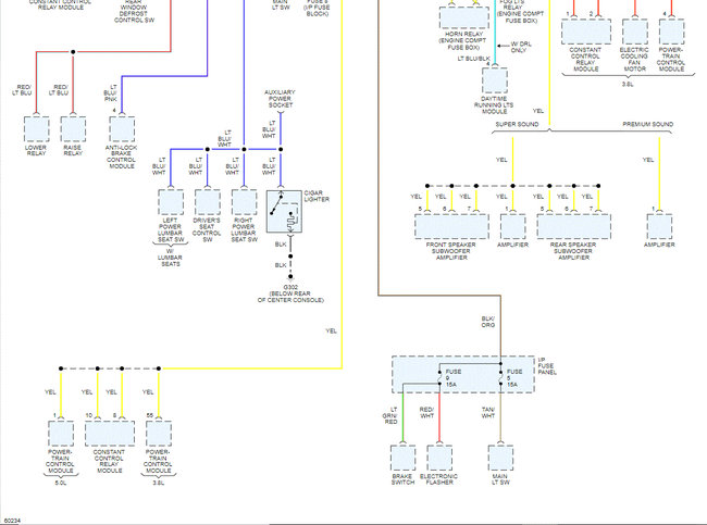
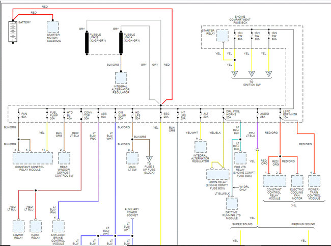
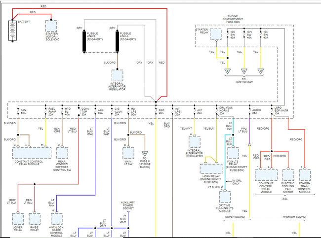
The first 5 pics below are the ground distribution schematics. The remaining pics are the powertrain control schematics. I'm adding them so you have a reference if needed.

Afterthought: The last 6 pics are of the power distribution. I figured you may need them as well. LOL Also, here is a link you may find helpful:

https://www.2carpros.com/articles/how-to-check-wiring

Take care and if you have a chance, let me know what you find or if you have other questions.

Take care,

Joe

See pics below.

Was this
answer
helpful?
Yes
No
+1
Friday, July 2nd, 2021 AT 7:10 PM
Tiny
ALEX GATLIN
  • MEMBER
  • 47 POSTS
Hey Joe, so I cleaned the throttle, it was coked up pretty good and the hesitation cleared up alot. I am still getting a definite miss/misses from multiple cylinders when the vehicle gets warmed up. If I pull over and crank up the stereo and rock out to a couple of songs or so and then restart the engine and take back off, the vehicle is hitting on all 8 again for another mile or two and then the process repeats itself. Sometimes if there isn't a place to readily pull over to the shoulder the miss will fix itself, but comes right back. I think it's safe to say that a new set of fuel injectors should take care of the problem. I will check fuel pressure and grounds for now, but I think we have isolated the culprit. Will let you know what I find out. Thank you, Alex.
Was this
answer
helpful?
Yes
No
Friday, July 2nd, 2021 AT 9:50 PM
Tiny
JACOBANDNICKOLAS
  • MECHANIC
  • 110,194 POSTS
Hi,

Thanks for the update. It almost sounds like it could be related to the crankshaft position sensor. When they start to fail, heat adversely affects them. Once they cool, they work right again until it happens over again.

Take a look through this link. See if it has things that mirror what you experience.

https://www.2carpros.com/articles/symptoms-of-a-bad-crankshaft-sensor

Let me know.

Take care,

Joe
Was this
answer
helpful?
Yes
No
Friday, July 2nd, 2021 AT 11:31 PM
Tiny
ALEX GATLIN
  • MEMBER
  • 47 POSTS
Hello again, so I replaced all 8 fuel injectors with new Bosch 19 Lb. Injectors and the engine runs like it is brand new. The miss/misses are gone, smooth, quick throttle response, great drivability again. The old fuel injectors were in bad shape. About 1/2 of them either the pintle cap had either rotted completely off or they in various stages there of. The ones that still had an intact pintle cap were extremely brittle and easily damaged. I'm sure one or more of the fuel injectors either had a clogged filter basket or a intermittently malfunctioning coil internally. Thought I would let you and others know.
Thank you for your help,
Alex
Was this
answer
helpful?
Yes
No
Monday, July 19th, 2021 AT 7:18 AM
Tiny
JACOBANDNICKOLAS
  • MECHANIC
  • 110,194 POSTS
Alex,

I appreciate your update because I know it will help others. Also, I'm glad to hear you got it fixed.

Take care of yourself and feel free to come back anytime in the future. You are always welcome here.

Joe
Was this
answer
helpful?
Yes
No
Monday, July 19th, 2021 AT 8:00 PM

Please login or register to post a reply.