No crank no start issue with codes P1120 and P1221

Tiny
1UAN.909W
  • MEMBER
  • 2000 CHEVROLET CAMARO
  • 3.8L
  • V6
  • 2WD
  • AUTOMATIC
  • 168,000 MILES
My car listed above has a no crank no start issue.
Codes are:

P1120

Severity

Low

Powertrain, MFG, Fuel and Air Metering, Fault:20

And Code

P1221

Severity

Low

Power-train, MFG, Fuel and Air Metering (Injector Circuit), Fault:21
Friday, August 21st, 2020 AT 4:09 PM

3 Replies

Tiny
KASEKENNY
  • MECHANIC
  • 18,907 POSTS
Both of these codes are for the throttle position sensor so they would not necessarily cause the engine to not even crank.

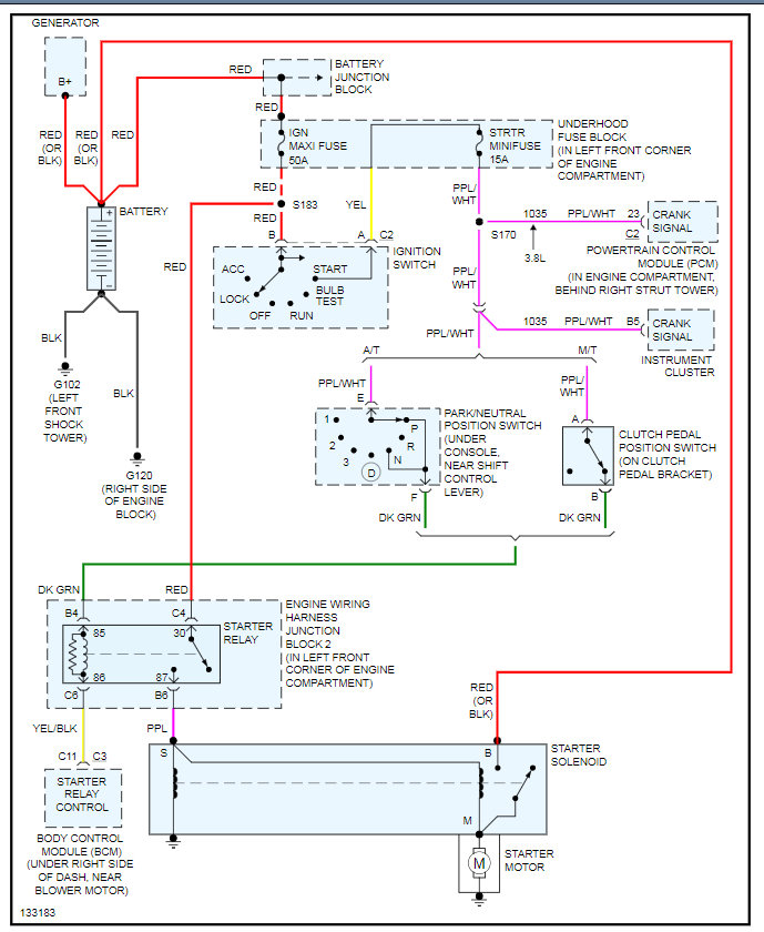
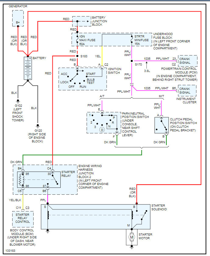
We need to start with checking voltage at the starter. I attached the wiring diagram to help but we should have 12 volts all the time on the red wire and 12 volts on the purple wire when you are cranking the engine.

Also, when you turn the key on does the dash lights come on like normal?

Let's start with this info and go from there. Thanks

https://www.2carpros.com/articles/starter-not-working-repair
Was this
answer
helpful?
Yes
No
Friday, August 21st, 2020 AT 4:41 PM
Tiny
1UAN.909W
  • MEMBER
  • 2 POSTS
Thanks, I will check purple and red wire in the morning. But yes they come on but as soon as I turn the key (while jumpstarting) it will crank for just a second then drop voltage instantly.
Was this
answer
helpful?
Yes
No
Wednesday, August 26th, 2020 AT 3:42 AM
Tiny
KASEKENNY
  • MECHANIC
  • 18,907 POSTS
Interesting. Yeah. Let's start with this and go from there. Thanks for the update.
Was this
answer
helpful?
Yes
No
Wednesday, August 26th, 2020 AT 6:27 PM

Please login or register to post a reply.