Turn signals, horn and windshield wipers not working

Tiny
GARROY01
  • MEMBER
  • 2008 DODGE CHARGER
  • 2.7L
  • V6
  • 2WD
  • AUTOMATIC
  • 190,000 MILES
Turn signals won’t turn on but my hazard lights work. Wipers won’t turn on and my horn doesn’t work! Changed out the fuses and I also replaced the TIMP and still no luck.
Wednesday, December 15th, 2021 AT 9:28 PM

2 Replies

Tiny
KASEKENNY
  • MECHANIC
  • 18,907 POSTS
If you replaced the TIPM already then, I would suggest we start with one of the systems and fix that. If that fixes all of them then that is a bonus if not, then we need to move onto the next one.

Let's start with the horn as that is the easiest circuit to figure out.

I am attaching the wiring diagram, but we need to start with checking the voltage on the LIN bus circuits when you are pressing the horn.

https://www.2carpros.com/articles/how-to-check-wiring

Depending on what this voltage is, we most likely have an issue with the steering column control module.

The SCCM also controls the wipers and turn signals, so I am going to assume this is what we find as the issue, but it is a good idea to confirm it at this point.

Let's run through this info on this and go from there. Thanks
Was this
answer
helpful?
Yes
No
-1
Thursday, December 16th, 2021 AT 8:05 PM
Tiny
JACOBANDNICKOLAS
  • MECHANIC
  • 110,194 POSTS
Hi,

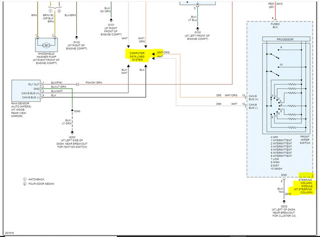
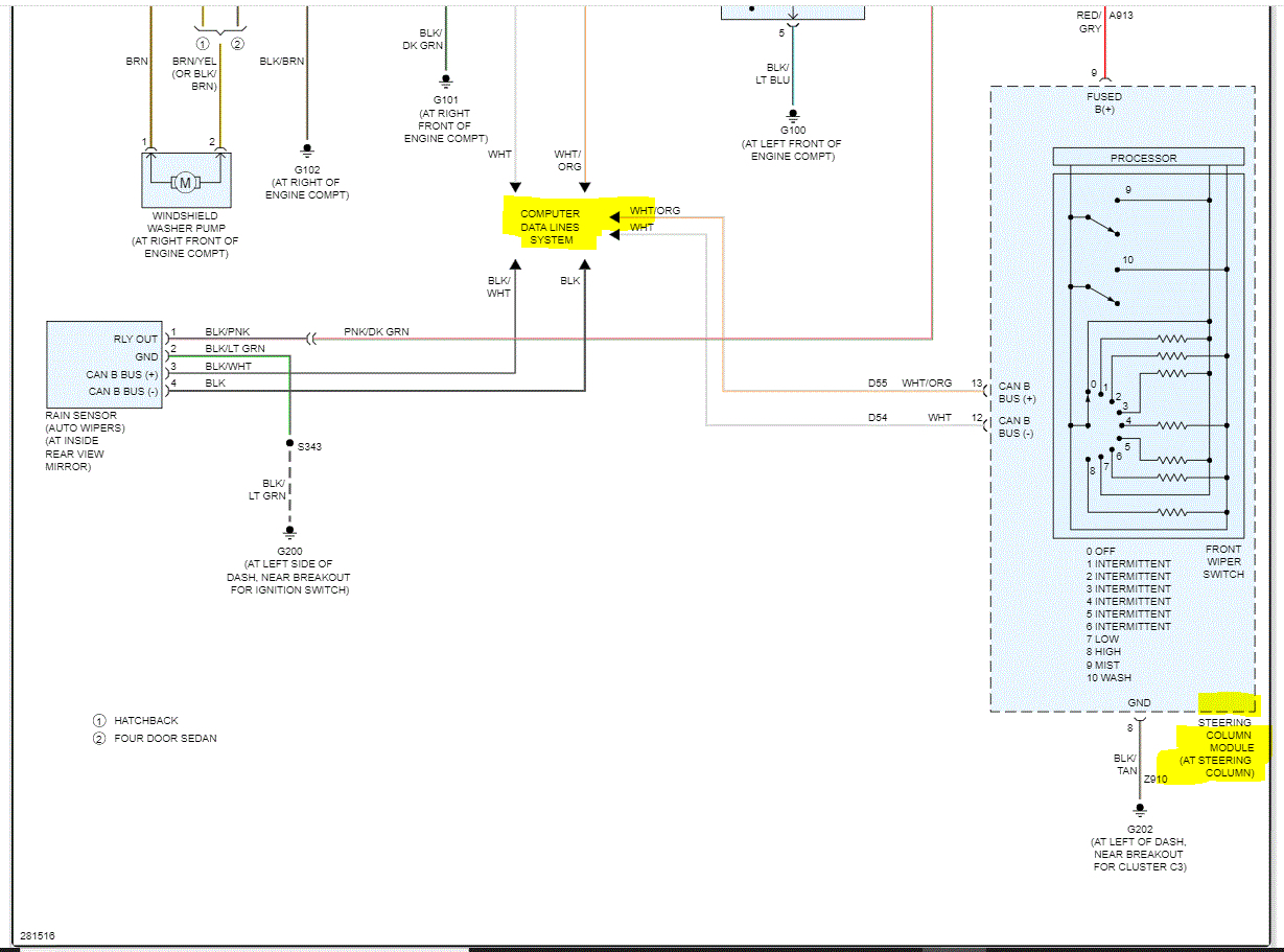
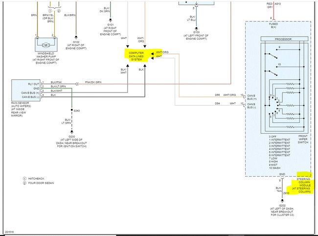
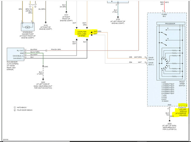
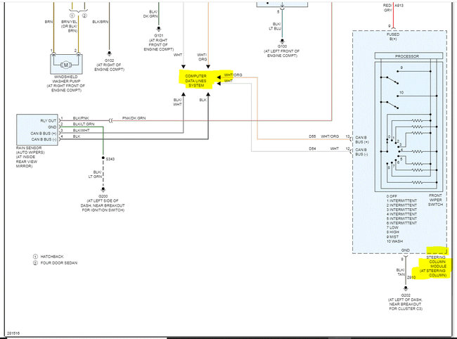
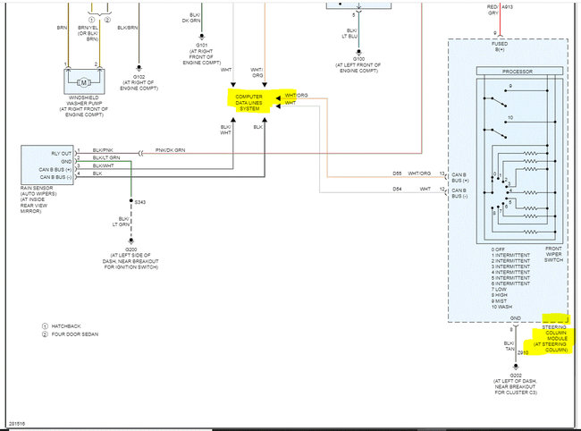
I went through the wiring schematics for the components not working. Note they are both controlled by control modules.

After review, I suspect there is a breakdown in the CAN-bus communications. If you look at the attached pics, I highlighted how signals are sent via the computer data line system. What I recommend is to first have the can-bus scanned. CAN stands for controller area network. Basically, all the modules and tied together via a few wires. This type of scan will retrieve codes regardless of the module storing them.

Again, take a look at the wiring schematics and let me know if you have questions or what I can do to help.

Here is a link that explains how to scan the can-bus.

https://www.2carpros.com/articles/can-scan-controller-area-network-easy

I will watch for your reply.

Take care,

Joe

See pics below.
Was this
answer
helpful?
Yes
No
Thursday, December 16th, 2021 AT 8:17 PM

Please login or register to post a reply.