Will not start

Tiny
CHRISTOPHER IVAN ROEDER
  • MEMBER
  • 1998 HONDA ACCORD
  • 3.0L
  • V6
  • 2WD
  • AUTOMATIC
  • 270,188 MILES
I put my key in and it won't start, the fuel pump doesn't come on and it won't let me shift out of park.
Tuesday, April 19th, 2022 AT 4:39 PM

9 Replies

Tiny
JACOBANDNICKOLAS
  • MECHANIC
  • 110,194 POSTS
Hi,

I need a little more information. First, does the starter engage and the engine not start or does nothing happen when you turn the key to start?

Next, are there other electrical components not working? For example, are the brake lights working or headlamps?

Let me know as much as you can.

Take care,

Joe
Was this
answer
helpful?
Yes
No
Tuesday, April 19th, 2022 AT 6:26 PM
Tiny
CHRISTOPHER IVAN ROEDER
  • MEMBER
  • 156 POSTS
Yes, the starter engages. It'll crank but not turnover and the only things I know of not working is the fuel pump and the shifter. I thought maybe my key is not registering right because it seems security related.
Was this
answer
helpful?
Yes
No
Wednesday, April 20th, 2022 AT 4:52 PM
Tiny
JACOBANDNICKOLAS
  • MECHANIC
  • 110,194 POSTS
Hi,

Is there an anti-theft or security light staying on? Also, make sure the brake lights are working. The park release switch is powered by the brake light switch.

Do this and let me know.

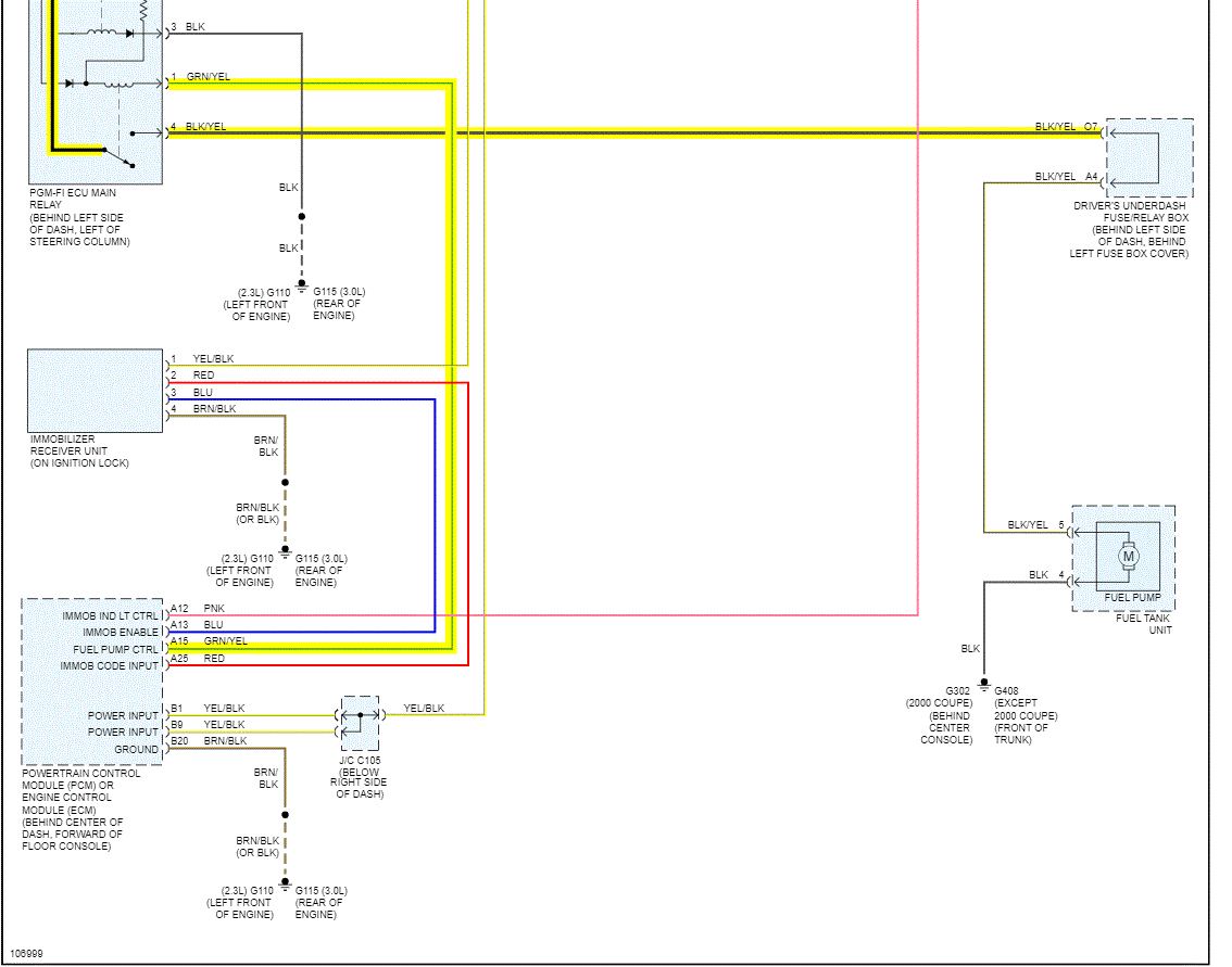
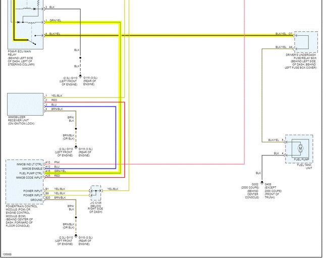
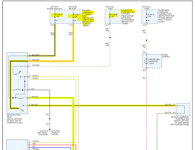
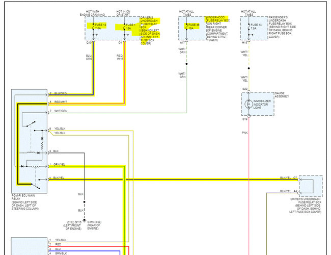
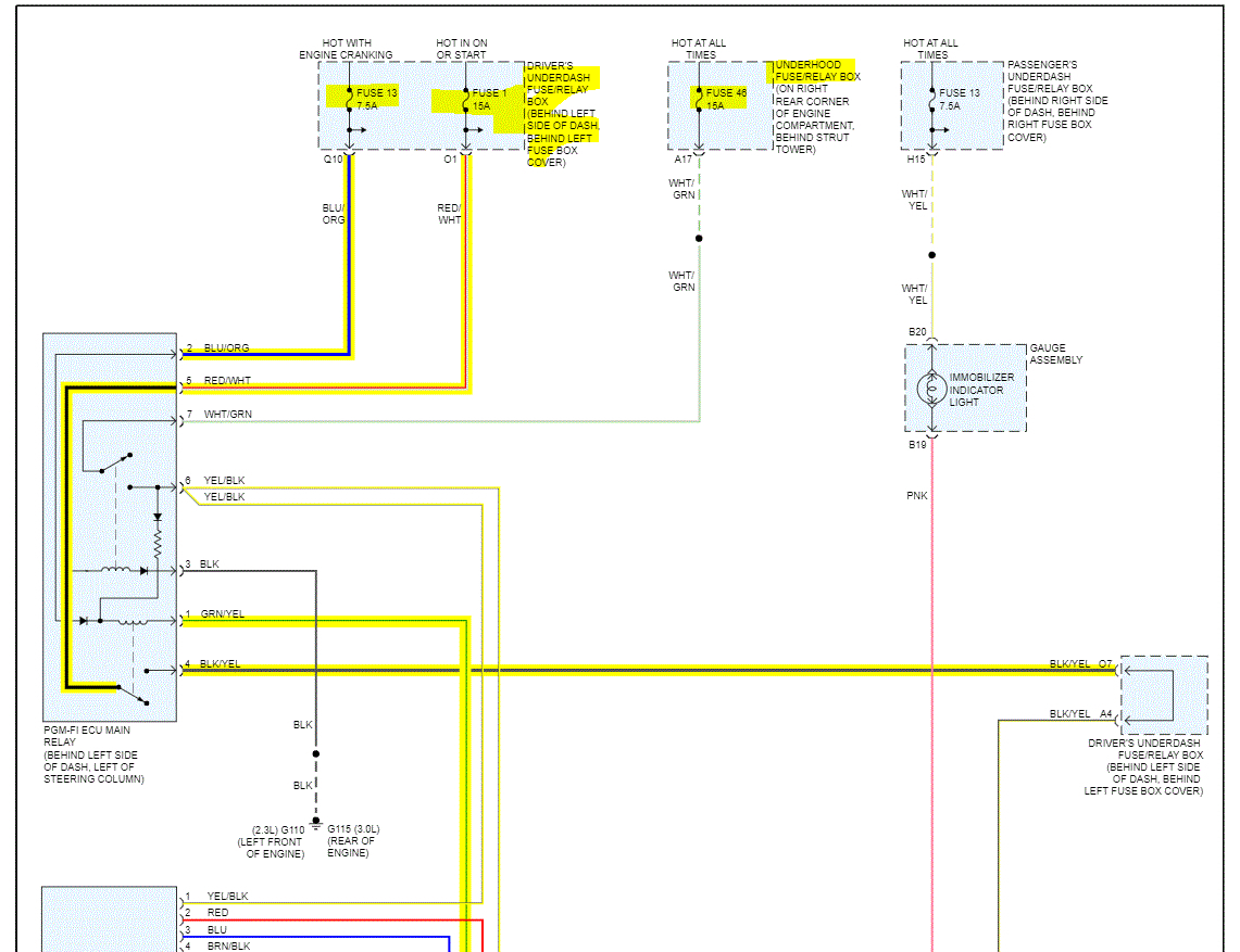
Also, I attached the wiring schematic for the fuel pump circuit and immobilizer. I highlighted three fuses. I need you to check them. In addition to checking the fuse itself, make sure there is power to and from the fuse. Here is a link you may find helpful:

https://www.2carpros.com/articles/how-to-check-a-car-fuse

Let me know what you find.

Take care,

Joe

See pics below. Pics 3 and 4 show the fuse locations.
Was this
answer
helpful?
Yes
No
Wednesday, April 20th, 2022 AT 9:27 PM
Tiny
CHRISTOPHER IVAN ROEDER
  • MEMBER
  • 156 POSTS
No, the security key doesn't come on at all and brake lights are working.
Was this
answer
helpful?
Yes
No
Thursday, April 21st, 2022 AT 1:26 PM
Tiny
JACOBANDNICKOLAS
  • MECHANIC
  • 110,194 POSTS
Hi,

Were you able to check the fuses I indicated above? We need to determine if the pump is bad or if there is an electrical issue.

Remember, even if the fuse appears good, confirm there is power to and from it.

Let me know.

Joe
Was this
answer
helpful?
Yes
No
Thursday, April 21st, 2022 AT 4:39 PM
Tiny
CHRISTOPHER IVAN ROEDER
  • MEMBER
  • 156 POSTS
It was the fuel pump relay.
Was this
answer
helpful?
Yes
No
Monday, April 25th, 2022 AT 9:30 AM
Tiny
JACOBANDNICKOLAS
  • MECHANIC
  • 110,194 POSTS
Hi,

Thanks for the update. I'm glad to hear you got it fixed. Usually, a relay isn't the cause, but there are those times that they create problems. LOL

Regardless, I'm glad to know it's running for you. Please feel free to come back anytime in the future if you have questions. You are always welcome here.

Take care,

Joe
Was this
answer
helpful?
Yes
No
Monday, April 25th, 2022 AT 6:15 PM
Tiny
CHRISTOPHER IVAN ROEDER
  • MEMBER
  • 156 POSTS
Thank you for your time and knowledge it's greatly appreciated.
Was this
answer
helpful?
Yes
No
Monday, April 25th, 2022 AT 7:40 PM
Tiny
JACOBANDNICKOLAS
  • MECHANIC
  • 110,194 POSTS
You are very welcome.

Take good care of yourself,

Joe
Was this
answer
helpful?
Yes
No
Tuesday, April 26th, 2022 AT 4:26 PM

Please login or register to post a reply.