Heater will only work on high

Tiny
DONANDLEAH
  • MEMBER
  • 2001 DODGE DAKOTA
  • 4.7L
  • V8
  • 4WD
  • 169,000 MILES
I bought the vehicle listed above in so so shape. I went in to turn the heater on it blows good heat, but it only works on high and just on defroster.
Wednesday, March 7th, 2018 AT 9:24 AM

1 Reply

Tiny
PATENTED_REPAIR_PRO
  • MECHANIC
  • 1,853 POSTS
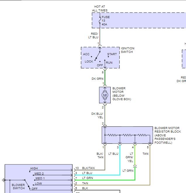
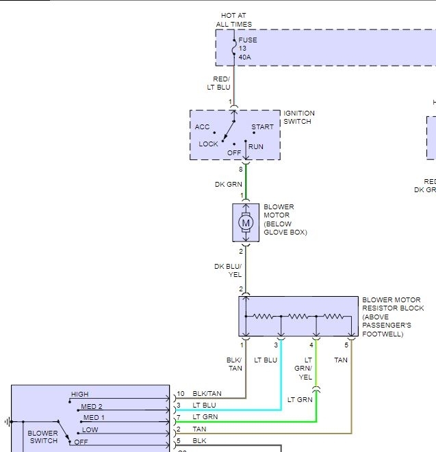
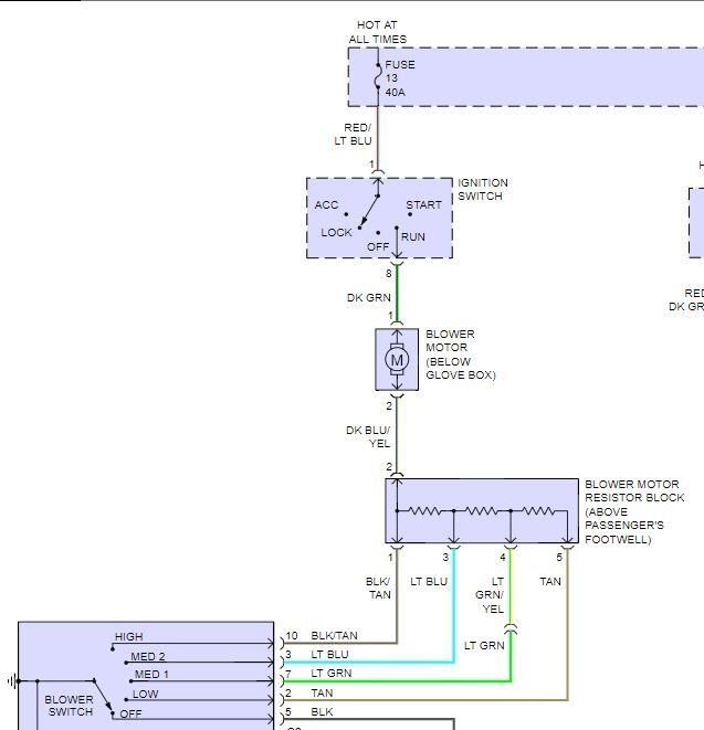
Sounds like the blower motor resistor may be the reason for only working on high.
See if any voltage comes out of the wires of that resistor for low speed (tan wire), medium 1 (green/yellow wire) and medium 2 (light blue wire). Turn the key to run so the resistor has power.
As far as the only on defrost, start with check fuse #25 in the junction block, behind left side of dash.
Other than that you may have a faulty A/C heater control, but first check for voltage to the dark blue/white wires to all three of them actuators for the doors. With the control on heat and floor or face vents.
Was this
answer
helpful?
Yes
No
Wednesday, March 7th, 2018 AT 2:21 PM

Please login or register to post a reply.