Tuesday, September 19th, 2017 AT 10:43 PM
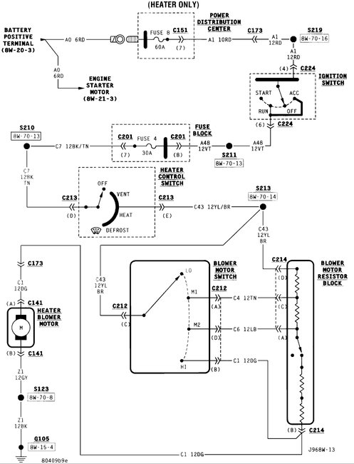
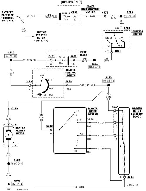
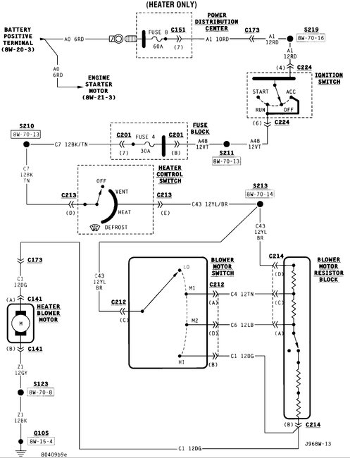
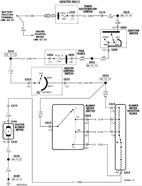
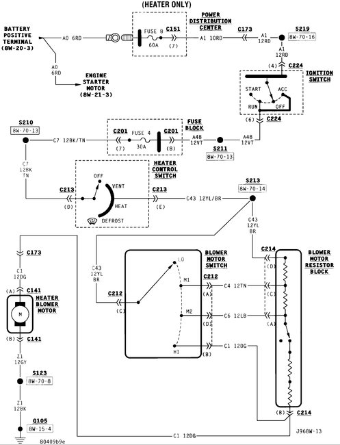
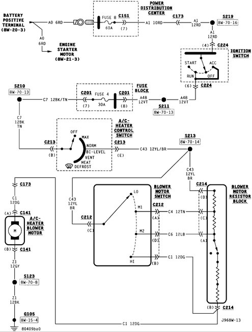
I have the vehicle listed above it is right hand drive it is a mail delivery vehicle. The heater fan motor will not work at all on it I have replaced the switch on the dash board an I have replaced the resister and I have checked to see if I have current on both of them which I do. There is current on the resister on one wire an then when you move the switch on the dash the current moves to another wire on the resister like it is supposed to do. But I still have no current at all out to the fan motor under the hood and I have ran two wires a hot an a ground to the fan just to see if the fan was good an that is good two because I just replaced that to but you can get a bad one right out of the box two I have seen that happen before. So far I have replaced the dash switch the resister and fan motor but still no luck. Help!



